< Previous   Next >

2014 - Mazda6 - Body and Accessories

FRONT BODY CONTROL MODULE (FBCM)

Outline

Function

Control table

Control

Content

Reference

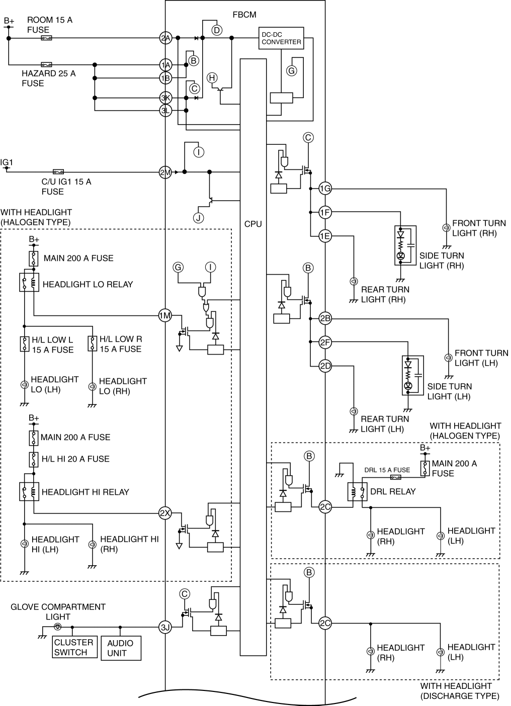
Front combination light control

Each light illuminates or flashes in conjunction with the operation of the light switch, turn switch and hazard warning switch.

(See FRONT COMBINATION LIGHT.)

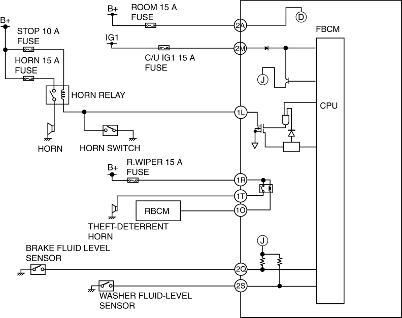
Horn control

Sound is harmonized between high and low pitch.

(See HORN.)

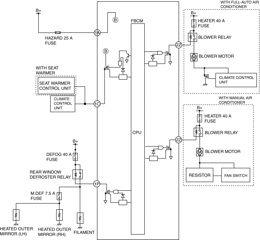
Rear defroster system control

Warms the rear window glass and the outer mirror glass using heat filaments to defog the glass surface.

(See REAR WINDOW DEFROSTER/OUTER MIRROR HEATER.)

Front fog light control

By shining light in a wider area in front of the vehicle than the light from the headlights, visibility during poor weather conditions, such as rain and fog, has been improved. In addition, the visibility of the vehicle from on-coming vehicles, pedestrians, has been improved.

(See FRONT FOG LIGHT.)

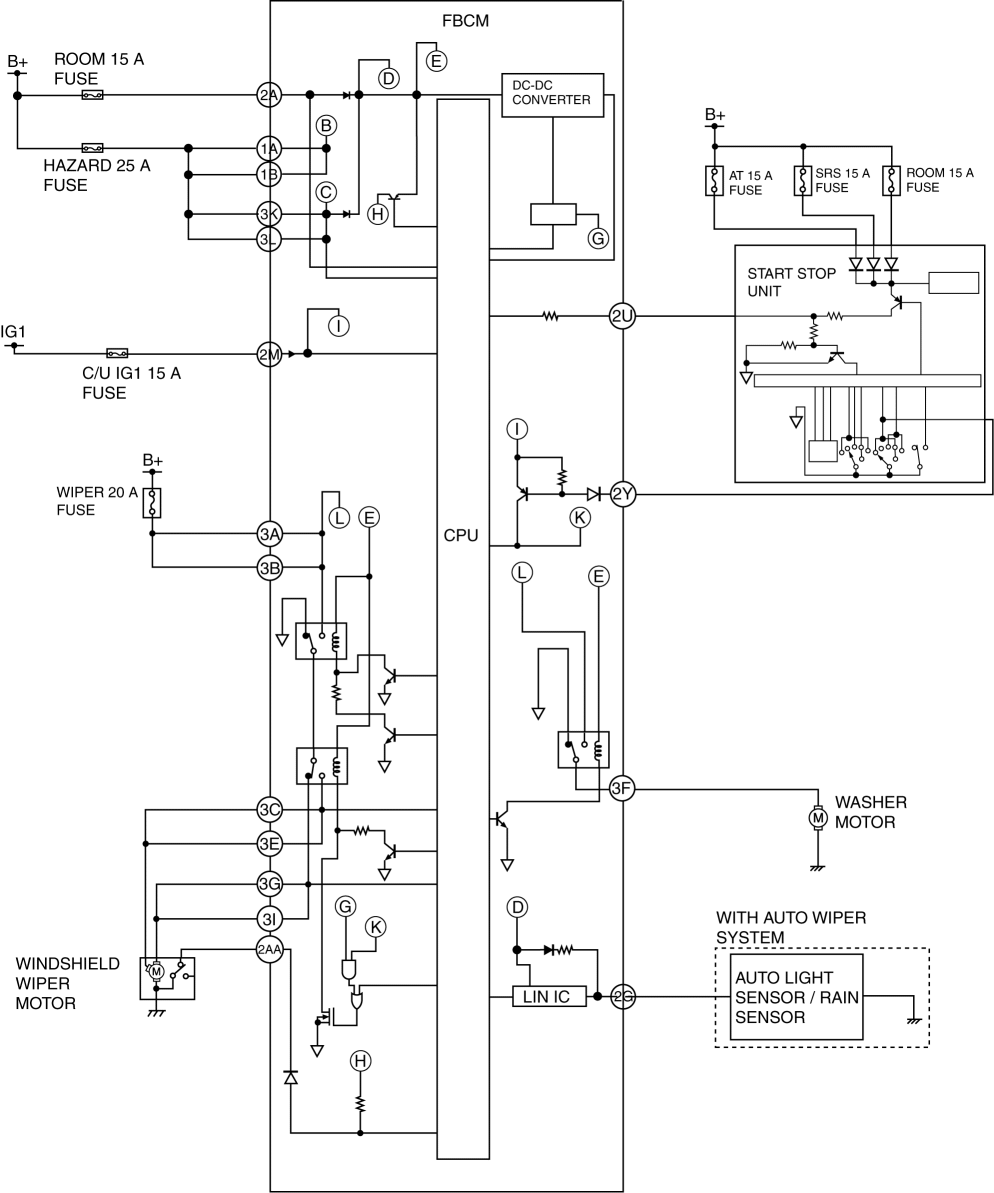
Front wiper system control

Equipped with continuous (low/high), auto-stop, one-touch wiper, intermittent wiper, and synchronized washer and wiper operation.

(See WINDSHIELD WIPER/WASHER SYSTEM.)

CAN (Controller Area Network)

Sends and receives signals between CAN system-related modules using CAN system.

(See CONTROLLER AREA NETWORK (CAN) SYSTEM.)

ON-BOARD DIAGNOSTIC SYSTEM

The front body control module (FBCM) is equipped with an on-board diagnosis function which records DTCs in the event of a malfunction.

(See ON-BOARD DIAGNOSTIC SYSTEM [FRONT BODY CONTROL MODULE (FBCM)].)


Structural view

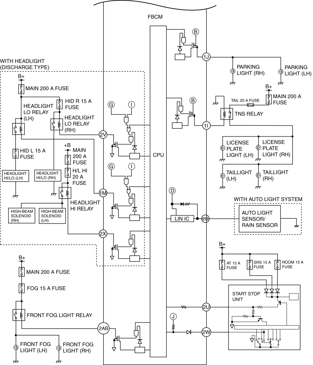
System wiring diagram

Rear defroster, blower motor

Headlights, turn lights, front fog lights

Windshield wipers, front washer

Theft-deterrent system, horn, sensors

CAN system

Fail-safe

Exterior lighting system
Auto light system
DRL system
Emergency stop signal system (ESS)
Turn light system
Rear defroster system control
Horn control
Windshield wiper and washer system
Auto wiper system


< Previous   Next >
Back to Top
© 2012 Mazda North American Operations, U.S.A.