< Previous  

2014 - Mazda6 - Multiplex Communication System

CONTROLLER AREA NETWORK (CAN) SYSTEM

Outline

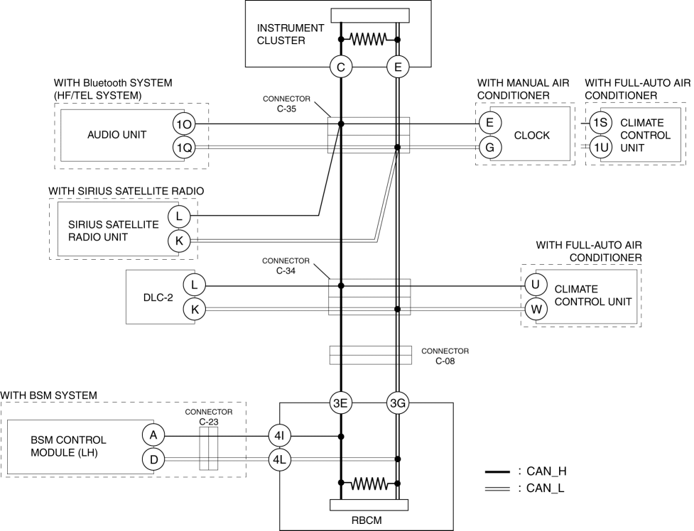
System wiring diagram

HS-CAN

MS-CAN

Structure

Function

Body communication function

CAN signal table

HS-CAN communication table
OUT: Output (sends signal)IN: Input (receives signal)

Signal

CAN system related module

PCM

TCM

AFS control module

Laser sensor

DSC HU/CM

EPS control module

Front body control module (FBCM)

Forward sensing camera

Instrument cluster

Start stop unit

Vehicle control module (V/C-module)

SAS control module

DC-DC converter (i-ELOOP)

Position memory control module

Audio amplifier

AFS OFF switch status signal

IN

OUT

AFS (adaptive front lighting system) level configuration

OUT

IN

AFS (adaptive front lighting system) warning status

OUT

IN

Air bag system warning light on request

OUT

IN

IN

OUT

Air bag system warning buzzer status

IN

OUT

Air bag system-related information

IN

OUT

AT shift position

IN

OUT*1

Air conditioner signal

OUT

IN

IN

ATX gear position

OUT*1

IN

Accelerator pedal opening angle

OUT

IN

IN

IN

IN

IN

IN

Answer-back hazard light flash request

IN

OUT

Ambient temperature

IN

IN

IN

IN

IN

IN

IN

OUT

IN

IN

All memory clear signal

OUT

IN

Back-up light ON signal (ATX)

IN

OUT*1

IN

IN

IN

IN

IN

IN

Back-up light ON signal (MTX)

OUT

IN

IN

IN

IN

IN

Back-up light on request

IN

IN

IN

OUT

Battery voltage low indication request signal

IN

OUT

Battery management system malfunction determination

OUT

IN

Brake switch (No.1 signal)

OUT

IN

IN

IN

IN

Brake switch (No.2 signal)

OUT

IN

IN

IN

IN

IN

IN

IN

Brake switch malfunction determination

OUT

IN

Brake override system cancel execution signal

OUT

IN

IN

Brake light status

IN

OUT

IN

Brake pedal depressed status

OUT

IN

Brake fluid level

IN

OUT

IN

IN

Blower motor relay status

OUT

IN

Brake prefill request signal (SCBS)

OUT

IN

IN

IN

Check engine light on request

OUT

IN

Cranking time

OUT

IN

Cranking start

IN

IN

IN

OUT

Cruise control system-related information

IN

IN

OUT

IN

OUT

OUT

IN

OUT

IN

IN

OUT

IN

OUT

IN

IN

IN

OUT

IN

Cruise control set speed

OUT

IN

IN

Cruise control control status

OUT

IN

IN

Cruise control switch

OUT

IN

IN

Cluster switch status

IN

IN

IN

OUT

IN

Clutch pedal stroke sensor

OUT*2

IN

Collision detection (front, side, roll over)

IN

IN

IN

OUT

Collision detection (rear)

IN

IN

IN

OUT

DSC OFF switch status

IN

OUT

DSC system-related information

OUT

IN

IN

OUT

IN

IN

OUT

IN

IN

IN

OUT

IN

OUT

IN

Dimmer cancel

OUT

IN

Driver's door status

OUT

IN

Driver-side buckle switch status

IN

IN

OUT

IN

Engine off time

IN

OUT

Engine status

OUT

IN

Engine status at idle

OUT

IN

Engine speed

OUT

IN

IN

IN

IN

IN

IN

IN

IN

IN

EPS status

OUT

IN

IN

OUT

Engine torque

OUT

IN

OUT

IN

Engine exhaust volume

OUT

IN

IN

IN

Engine coolant temperature

OUT

IN

IN

Engine displacement

OUT

IN

IN

IN

IN

IN

IN

IN

Fuel tank level

IN

OUT

Fuel injection amount

OUT

IN

Forward sensing camera-related information

OUT

IN

Forward sensing camera personalization request

IN

OUT

OUT

IN

Forward sensing camera personalization status

OUT

IN

Front fog light illumination signal

OUT

IN

IN

Front fog light switch signal

IN

OUT

Fuel cap status

OUT

IN

Fuel cut request

IN

IN

IN

IN

OUT

IN

IN

OUT

Forward sensing camera-related information

IN

OUT

Gear position

OUT*1

IN

IN

OUT*1

IN

Generator warning light illumination request

OUT

IN

IN

High-beam indicator

OUT

IN

IN

Hazard warning switch signal

IN

IN

IN

OUT

IN

Headlight status

OUT

IN

Headlight illumination status signal

IN

IN

OUT

IN

IN

IN

Immobilizer-related information

OUT

IN

IN

OUT

Ignition switch status signal

IN

IN

IN

IN

OUT

IN

IN

IN

Ignition off timer

IN

IN

IN

IN

IN

IN

OUT

IN

IN

IN

i-ELOOP-related information

IN

IN

OUT

IN

OUT

OUT

IN

IN

OUT

IN

IN

IN

ID data

OUT

IN

Key status

OUT

IN

Keyless indicator light on request

IN

OUT

Keyless warning buzzer operation request

IN

OUT

Leveling warning status

OUT

IN

Light switch TNS signal

IN

IN

IN

OUT

IN

Light switch LO signal

IN

IN

OUT

IN

Light switch HI signal

IN

IN

OUT

IN

Light switch passing signal

IN

IN

IN

OUT

Light switch OFF signal

IN

IN

OUT

IN

Laser sensor-related information

IN

OUT

Lock/unlock condition

OUT

IN

Manual shift control

IN

OUT

IN

OUT

IN

IN

OUT*1

IN

Manual air conditioner operation request

OUT

IN

Manual shift inhibit flash command

OUT*1

IN

Neutral switch

OUT

IN

IN

IN

IN

Oil pressure warning light on request

OUT

IN

Power supply status

IN

IN

IN

OUT

IN

IN

OUT

Power consumption

IN

OUT

PAD indicator on request

IN

OUT

Parking brake status

IN

IN

IN

OUT

IN

IN

Push button system-related information

IN

OUT

Passenger-side buckle switch status

IN

OUT

RBCM personalization request

IN

OUT

Rear window defroster information

IN

OUT

IN

ROOM fuse status

IN

IN

IN

OUT

IN

IN

Security warning request signal

IN

OUT

Shift indicator light

OUT

IN

Security light on request

IN

OUT

Steering angle (relative angle) signal

IN

OUT

IN

IN

IN

Steering angle (absolute angle) signal

IN

OUT

Steering angle (estimated absolute angle) signal

IN

IN

IN

IN

OUT

IN

IN

IN

IN

Steering angle condition

IN

IN

OUT

Seat warmer cut status

OUT

IN

Shift range position

OUT*1

IN

IN

IN

OUT

IN

IN

IN

IN

Start stop unit customize request

OUT

IN

Start stop unit customize status

IN

OUT

Steering lock system-related information

IN

OUT

Starter relay status

OUT

IN

Steering shift switch

IN

OUT

Steering switch information

IN

IN

IN

OUT

IN

Security indicator buzzer sound request

IN

OUT

Smart City Brake Support (SCBS)-related information

OUT

IN

IN

IN

OUT

IN

IN

OUT

IN

IN

OUT

IN

OUT

IN

Travelled distance

OUT

IN

IN

IN

IN

IN

IN

IN

IN

OUT

IN

IN

IN

Target gear position

IN

OUT*1

IN

IN

Tire pressure monitoring system set switch status

IN

OUT

TNS status

OUT

IN

IN

Turn switch signal

IN

IN

IN

OUT

IN

Turn indicator light on request

OUT

IN

IN

IN

Tire size

IN

IN

IN

OUT

IN

Theft-deterrent system alarm-related information

IN

OUT

Theft-deterrent system status

OUT

IN

Vehicle speed

IN

IN

OUT

IN

IN

IN

IN

IN

OUT

IN

IN

IN

OUT

IN

IN

IN

IN

IN

IN

IN

IN

IN

IN

OUT

IN

IN

IN

IN

IN

IN

IN

IN

IN

IN

IN

Wheel speed (LF, RF, LR, RR)

IN

IN

OUT

IN

IN

IN

IN

IN

IN

Washer level switch status

OUT

IN

Windshield wiper operation status

IN

OUT

IN

IN

IN

Windshield wiper switch determination status

IN

IN

OUT

IN

Windshield wiper switch position

IN

OUT

IN

Windshield wiper (INT) volume position

IN

OUT

Windshield washer switch position

IN

IN

IN

OUT

Windshield wiper operation request status for rain light sensor

OUT

IN

Yaw rate

IN

IN

IN

OUT

IN

IN

IN

IN

IN

OUT

IN

IN


*1
ATX vehicles
*2
MTX vehicles
MS-CAN communication table
OUT: Output (sends signal)IN: Input (receives signal)

Signal

CAN system related module

Rear body control module (RBCM)

BSM control module (LH)

Climate control unit

Audio unit

Clock

Instrument cluster

SIRIUS satellite radio unit

A/C

OUT

IN

Alarm status

OUT

IN

Answer-back-related information

OUT

IN

Audio configuration information

IN

OUT

Blower speed

OUT

IN

Brake light status

IN

OUT

OUT

IN

BSM system buzzer on request

OUT

IN

BSM system customize request

IN

OUT

OUT

IN

BSM control module configuration information

IN

OUT

Back-up light on request signal

IN

IN

OUT

Climate control unit configuration information

IN

OUT

Personalization information

OUT

IN

IN

OUT

IN

OUT

OUT

IN

IN

OUT

OUT

IN

Cranking start status

IN

OUT

Driver's seat belt status

IN

OUT

Dimmer cancel

IN

IN

IN

IN

OUT

Defroster

OUT

IN

Drive information system data

IN

OUT

Door opening/closing condition

OUT

IN

Engine stop request

OUT

IN

Engine status (with i-stop)

IN

OUT

Engine-off time

IN

IN

OUT

Fuel-level sensor-related information

OUT

IN

Fuel cut request

IN

IN

OUT

Gear position

IN

OUT

Gear position/selector lever position

OUT

IN

High beam control system customize information

OUT

IN

IN

OUT

Hazard warning switch status

IN

OUT

Ignition switch status

IN

IN

IN

IN

OUT

IN

OUT

IN

OUT

Ignition key status

IN

IN

OUT

Light switch status

IN

OUT

PAD indicator on status

OUT*2

IN

PTC heater operation request

OUT

IN

Parking brake status

IN

OUT

Panel light level

IN

IN

OUT

RBCM personalization request

OUT

IN

OUT

IN

IN

OUT

IN

IN

OUT

Rear window defroster status

IN

OUT

Rear window defroster operation request

OUT

IN

ROOM fuse status

IN

OUT

OUT

IN

IN

SIRIUS satellite radio system related information

OUT

IN

IN

OUT

Seat warmer cut status

IN

IN

OUT

Seat belt status

OUT

IN

Seat belt warning status (passenger's seat, rear)

IN

IN

OUT

Steering angle (estimated absolute angle) signal

IN

OUT

Security indicator light on request

OUT

IN

Temperature control dial status

OUT

IN

Traveled distance

IN

IN

OUT

Turn switch status

IN

OUT

Theft-deterrent system alarm-related information

OUT

IN

Theft-deterrent system status

OUT

IN

Windshield wiper operation status

IN

OUT

Warning buzzer request signal

IN

OUT


Construction



< Previous  
Back to Top
© 2012 Mazda North American Operations, U.S.A.