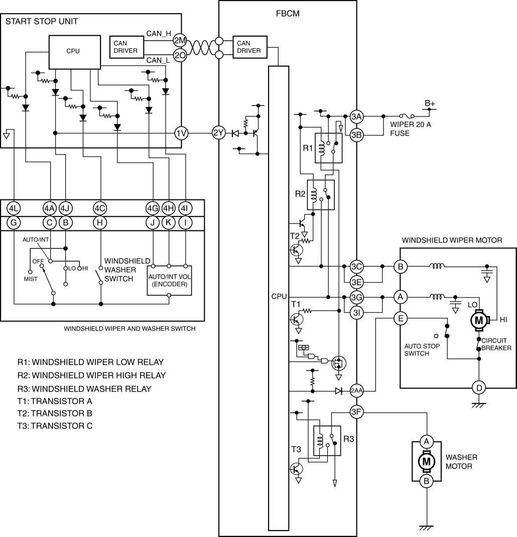
Equipped with continuous (low/high), auto-stop, one-touch wiper, intermittent wiper (without auto wiper system), and synchronized washer and wiper operation.
The front body control module (FBCM) performs windshield wiper/washer system fail-safe. (See FRONT BODY CONTROL MODULE (FBCM).)
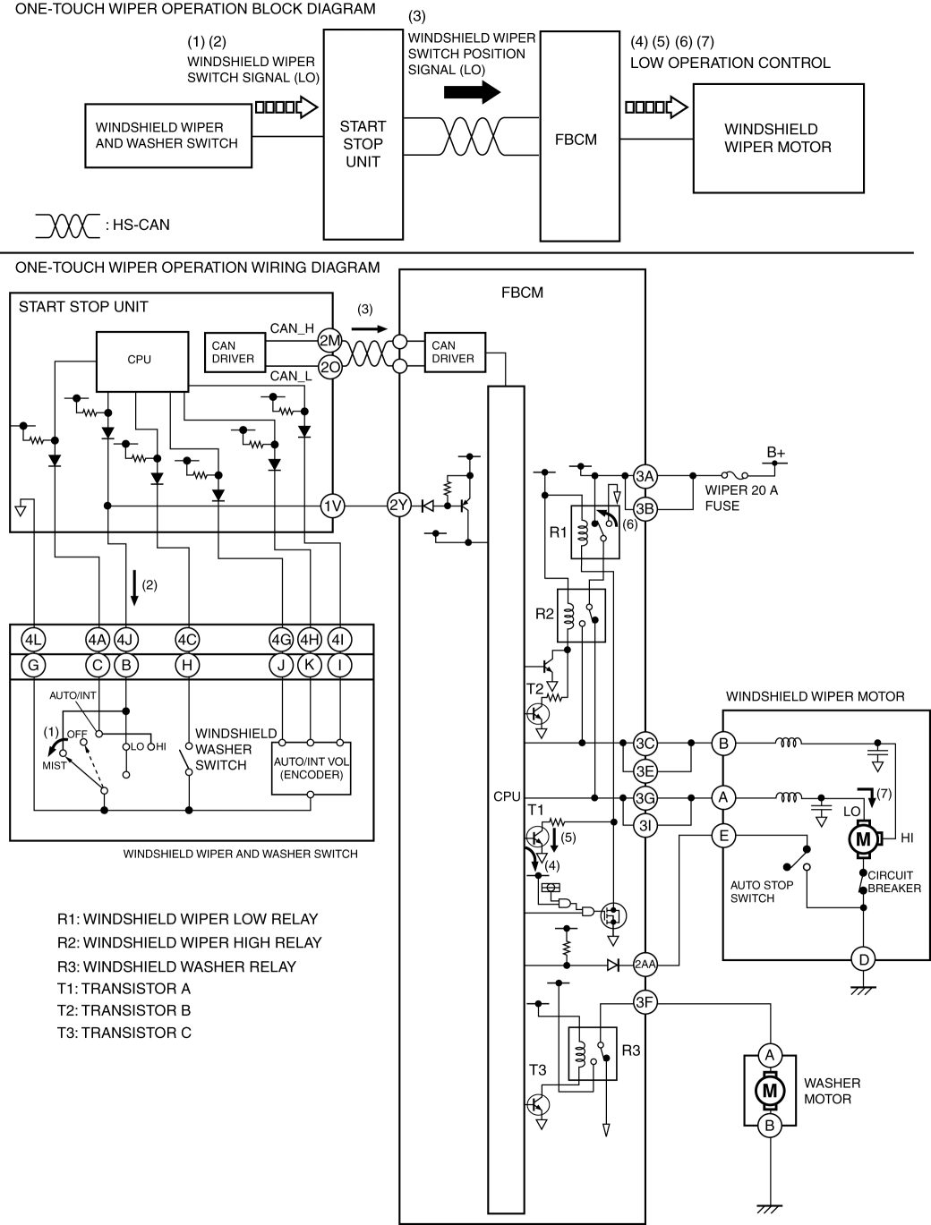
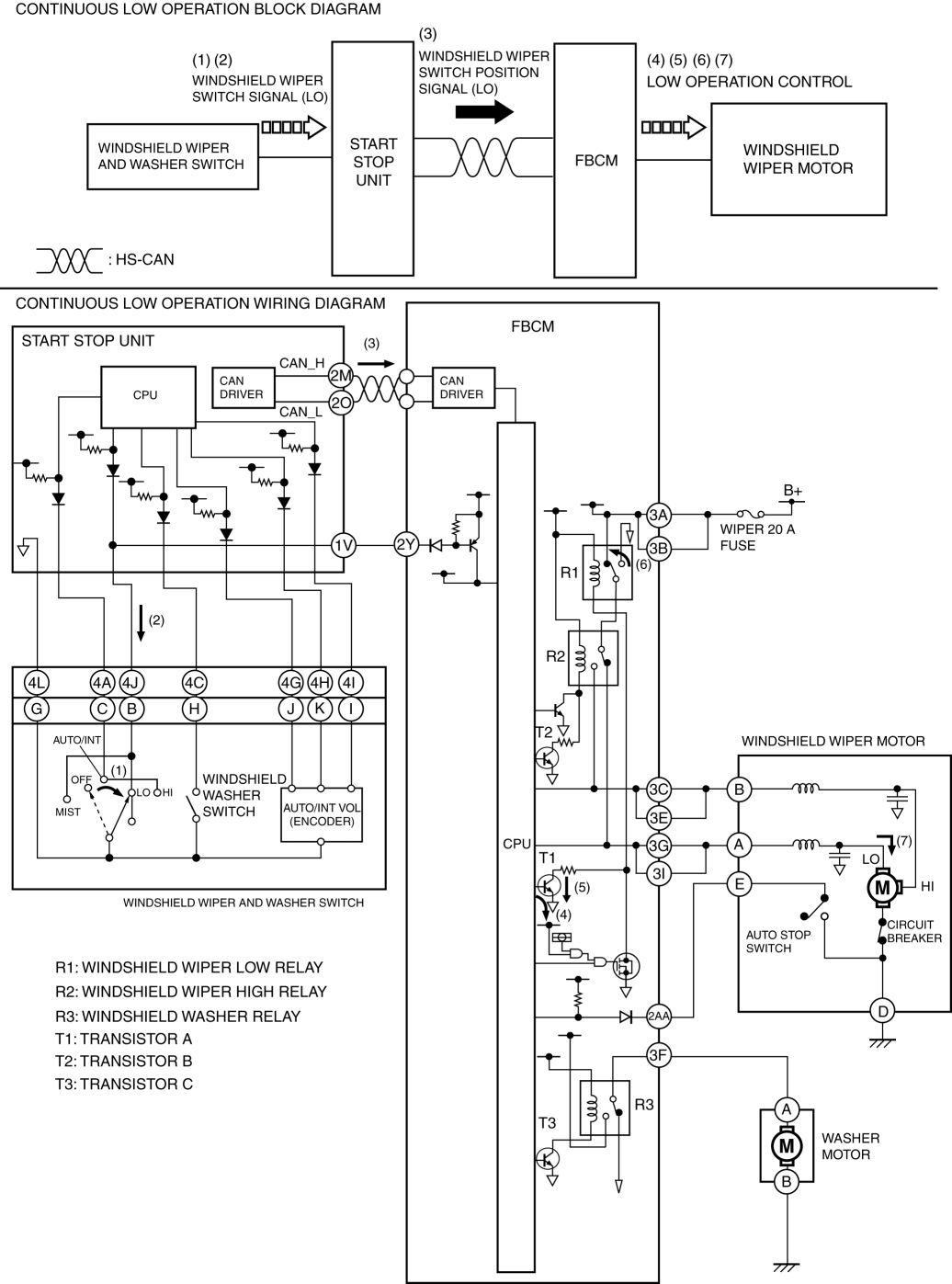
1. When the wiper and washer switch is moved to the LO position with the ignition switched ON (engine off or on) (1), the start stop unit detects a windshield wiper switch signal (LO) (2).
2. When the start stop unit detects the windshield wiper switch signal (LO), it send a windshield wiper switch position signal (LO) to the front body control module (FBCM) as a CAN signal (3).
3. When the front body control module (FBCM) receives the windshield wiper switch position signal (LO), the CPU runs base current (4) to transistor A, and transistor A turns on.
4. Collector current flows (5) when transistor A turns on and the windshield wiper low relay turns on (6).
5. When the windshield wiper low relay is turned on, current flows from the battery to the windshield wiper motor and the windshield wipers operate continuously at low speed (7).
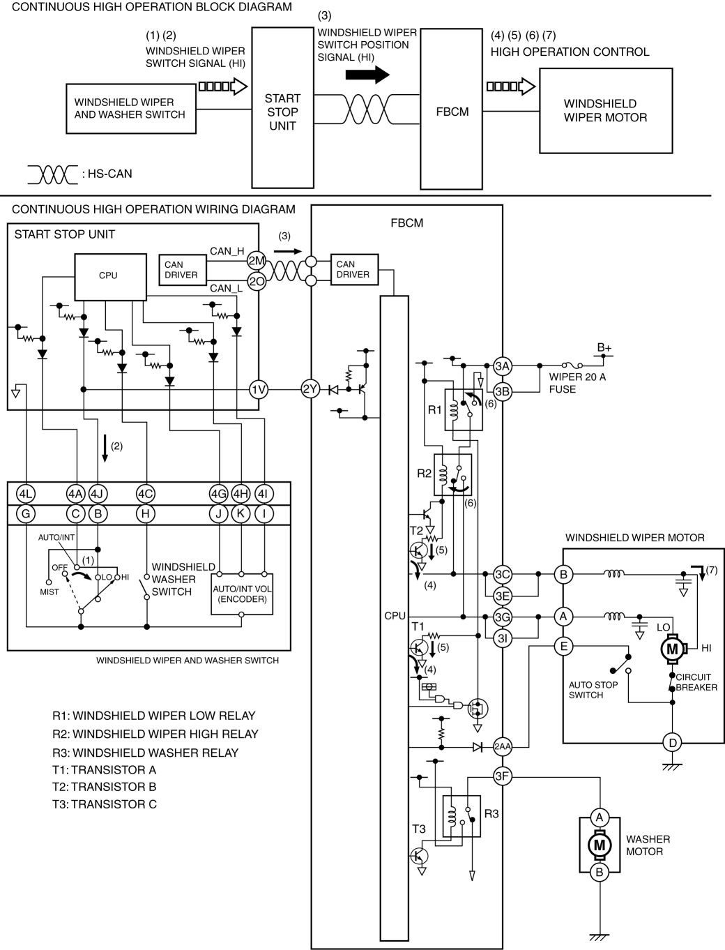
1. When the wiper and washer switch is moved to the HI position with the ignition switched ON (engine off or on) (1), the start stop unit detects a windshield wiper switch signal (HI) (2).
2. When the start stop unit detects a windshield wiper switch signal (HI), it sends a windshield wiper switch position signal (HI) to the front body control module (FBCM) as a CAN signal (3).
3. When the front body control module (FBCM) receives the windshield wiper switch position signal (HI), the CPU runs base current (4) to transistor A and B, and transistor A and B turn on.
4. Collector current flows (5) when transistor A and B turn on and the windshield wiper low relay and windshield wiper high relay turn on (6).
5. When the windshield wiper low relay and windshield wiper high relay are turned on, current flows from the battery to the windshield wiper motor and the windshield wipers operate continuously at high speed (7).
1. The auto-stop switch inside the windshield wiper motor operates as follows according to the operation position of the windshield wipers.
Windshield wipers stopped in park position: On
Windshield wipers stopped in position other than park: Off
2. When the wiper and washer switch is in the OFF position (1) during windshield wiper operation, the windshield wipers operate continuously because the auto-stop switch is off.
3. The auto-stop switch turns on when the windshield wipers move to the park position (2).
4. When an auto stop switch on signal is detected, the front body control module (FBCM) stops (3) the base current to transistor A, and transistor A turns off.
5. Collector current is stopped (4) when transistor A turns off, and the windshield wiper lower relay turns off (5).
6. When the windshield wiper lower relay is turned off, the windshield wipers stop at the park position.
1. When the wiper and washer switch is moved up with the ignition switched ON (engine off or on) (1), the start stop unit detects a windshield wiper switch signal (LO) (2).
2. When the start stop unit detects a windshield wiper switch signal (LO), it sends a windshield wiper switch position signal (LO) to the front body control module (FBCM) as a CAN signal (3).
3. When the front body control module (FBCM) receives the windshield wiper switch position signal (LO), the CPU runs base current (4) to transistor A, and transistor A turns on.
4. Collector current flows (5) when transistor A turns on, and the windshield wiper low relay turns on (6).
5. When the windshield wiper low relay is turned on, current flows from the battery to the windshield wiper motor, and the windshield wipers operate at low speed (7).
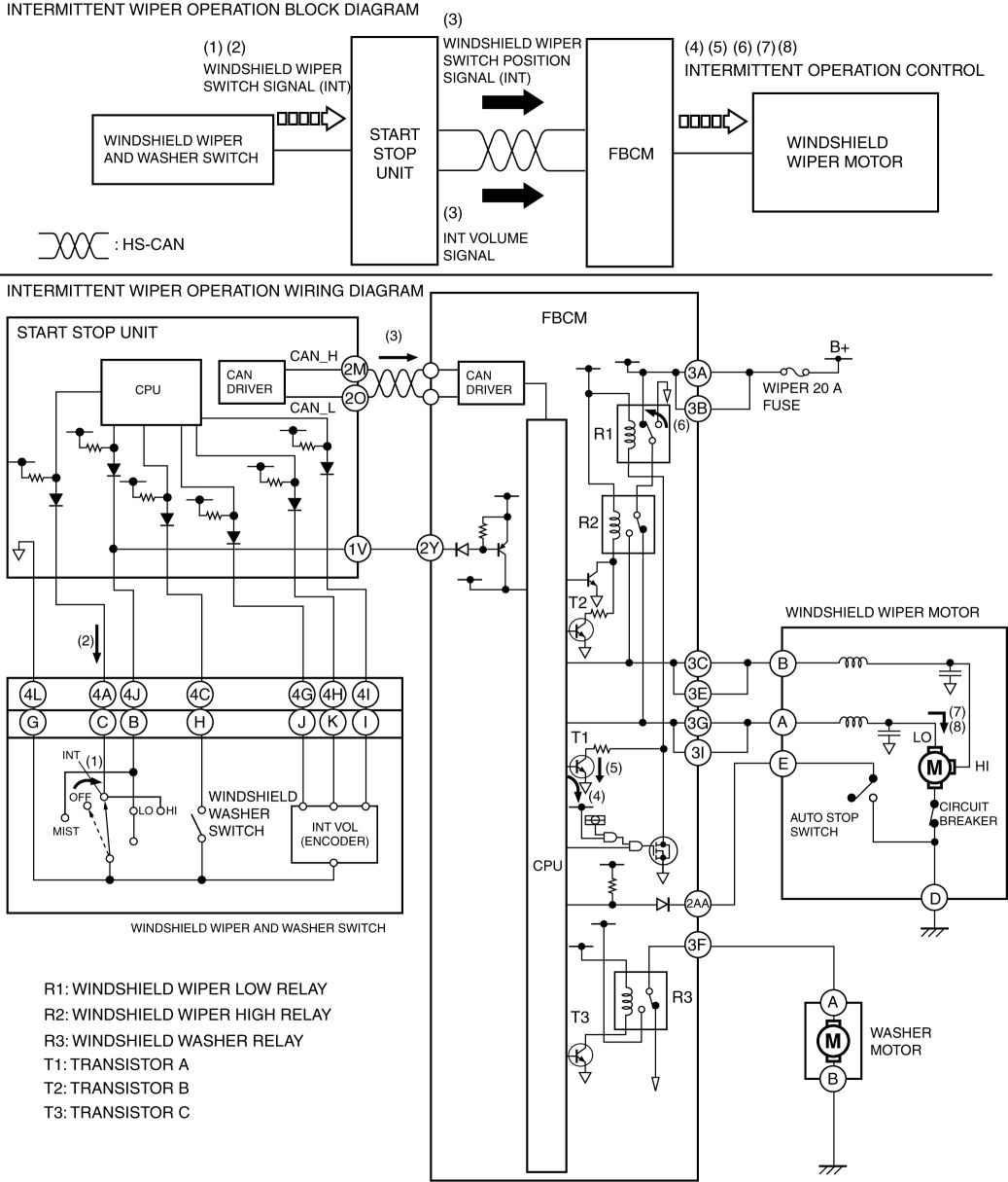
1. When the wiper and washer switch is moved to the INT position with the ignition switched ON (engine off or on) (1), the start stop unit detects a windshield wiper switch signal (INT) (2).
2. When the start stop unit detects a windshield wiper switch signal (INT), it sends a windshield wiper switch position signal (INT) and an INT volume signal to the front body control module (FBCM) as CAN signals (3).
3. When the front body control module (FBCM) receives the windshield wiper switch position signal (INT), the CPU runs base current (4) to transistor A, and transistor A turns on.
4. Collector current flows (5) when transistor A turns on, and the windshield wiper low relay turns on (6).
5. When the windshield wiper low relay is turned on, current flows from the battery to the windshield wiper motor and the windshield wipers operate continuously at low speed (7).
6. The windshield wipers stop at the park position due to the auto-stop operation, and after a certain period of time has elapsed, which was calculated based on the INT volume signal, the front body control module (FBCM) operates the windshield wipers at a low speed. By repeating this, the windshield wipers operate intermittently (8).
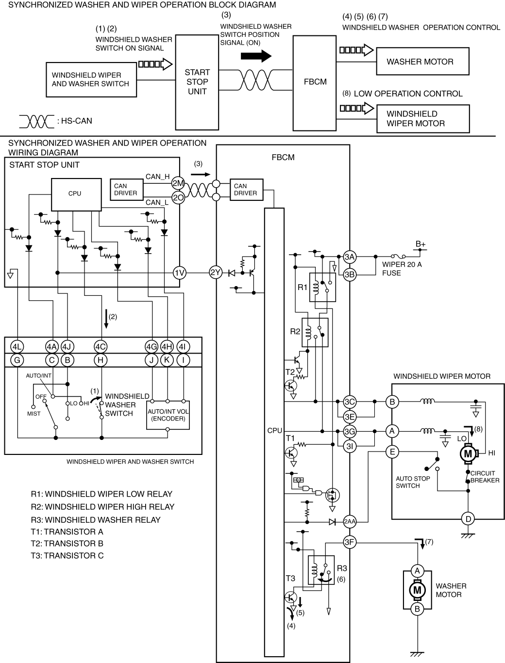
1. When the windshield washer switch is turned on with the ignition switched ON (engine off or on) and the windshield wipers not operated (1), the start stop unit detects a windshield washer switch ON signal.(2)
2. When the start stop unit detects a windshield washer switch ON signal, it sends a windshield washer switch position signal (ON) to the front body control module (FBCM) as a CAN signal (3).
3. When the front body control module (FBCM) receives the windshield washer switch position signal (ON), the CPU runs base current (4) to transistor C, and transistor C turns on.
4. Collector current flows (5) when transistor C turns on, and the windshield washer relay turns on (6).
5. When the windshield washer relay is turned on, current flows from the power supply inside the front body control module (FBCM) to the washer motor and the washer motor operates, and the washer fluid is sprayed from the windshield washer nozzles (7).
6. When the front body control module (FBCM) receives the windshield washer switch position signal (ON) for a certain period of time, it operates the windshield wipers at low speed (8).
7. When the windshield washer switch is turned off, the operation stops after the windshield wipers operate two times.NOTE:
If the windshield washer switch is turned on while the windshield wipers are operating, windshield wiper operation is continued and the windshield washer operation from (3) to (7) is performed.