Parts related to the front exterior lights are grouped and housed together such as the headlight, parking light, front turn light, headlight leveling actuator, wiring harnesses, and connectors.
Each light illuminates or flashes when the light switch, turn switch, or hazard warning switch is operated.
A halogen type or discharge type headlight is available for the front combination light.
The following parts are an integrated structure.
Headlight LO
Headlight HI
Parking/front side marker/front turn light
A projector type headlight has been adopted for the headlight LO.
A clear lens has been adopted for the front combination lights.
NOTE:
Fogging or condensation on the inside of the front combination lights may occur, however, it is a natural phenomenon occurring as a result of a temperature difference between the interior and exterior of the front combination lights and has no effect on the light performance.
Fogging or condensation occurring as a natural phenomenon will dissipate when the temperature inside the front combination lights rises after the headlights are illuminated and a period of time has elapsed.
The following parts are an integrated structure.
Headlight HI/LO
Parking light
Front side marker/front turn light
Discharge headlight control module
Headlight leveling actuator
Swivel actuator
A projector type headlight has been adopted for the headlight HI/LO.
A clear lens has been adopted for the front combination lights.
NOTE:
Fogging or condensation on the inside of the front combination lights may occur, however, it is a natural phenomenon occurring as a result of a temperature difference between the interior and exterior of the front combination lights and has no effect on the light performance.
Fogging or condensation occurring as a natural phenomenon will dissipate when the temperature inside the front combination lights rises after the headlights are illuminated and a period of time has elapsed.
Halogen type
When the light switch is operated to the HEAD position, a light switch LO signal is input to the start stop unit.
The start stop unit sends the light switch LO signal to the front body control module (FBCM) as a CAN signal.
When the front body control module (FBCM) receives the light switch LO signal, it turns the headlight LO relay on.
When the headlight LO relay turns on, the headlight LO is illuminated.
Discharge type
Refer to the discharge headlight system. (See DISCHARGE HEADLIGHT SYSTEM.)
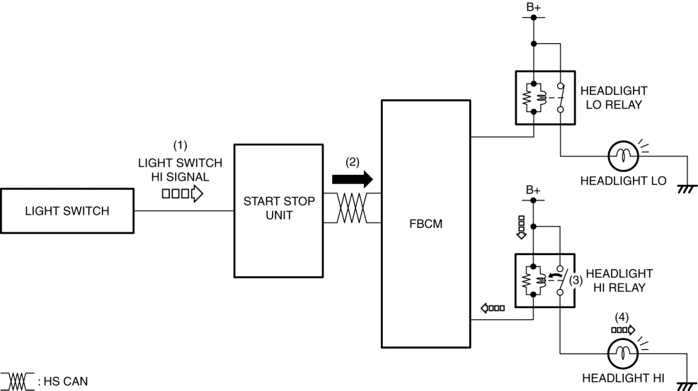
Halogen type
When the light switch is operated to the HI position while the headlight LO is turned on, a light switch HI signal is input to the start stop unit.
The start stop unit sends the light switch HI signal to the front body control module (FBCM) as a CAN signal.
When the front body control module (FBCM) receives the light switch HI signal, it turns the headlight HI relay on.
When the headlight HI relay turns on, the headlight HI is illuminated.
Discharge type
Refer to the discharge headlight system. (See DISCHARGE HEADLIGHT SYSTEM.)
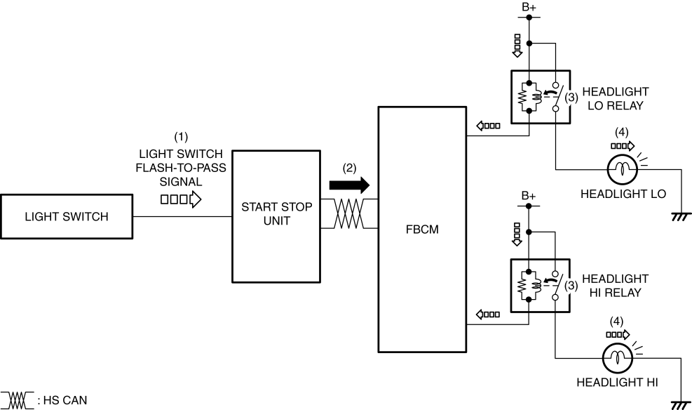
Halogen type
When the light switch is operated to the FLASH-TO-PASS position, a light switch FLASH-TO-PASS signal is input to the start stop unit.
The start stop unit sends the light switch FLASH-TO-PASS signal to the front body control module (FBCM) as a CAN signal.
When the front body control module (FBCM) receives the light switch FLASH-TO-PASS signal, it turns the headlight LO and HI relays on.
When the headlight LO and HI relays turn on, the headlight LO and HI are illuminated.
Discharge type
Refer to the discharge headlight system. (See DISCHARGE HEADLIGHT SYSTEM.)
Refer to the DRL system. (See DRL (DAYTIME RUNNING LIGHT) SYSTEM.)
Without discharge headlight system
When the light switch is operated to the TNS position, a light switch TNS signal is input to the start stop unit.
The start stop unit sends the light switch TNS signal to the front body control module (FBCM) as a CAN signal.
When the front body control module (FBCM) receives the light switch TNS signal, the parking/front side marker lights are illuminated.
With discharge headlight system
When the light switch is operated to the TNS position, a light switch TNS signal is input to the start stop unit.
The start stop unit sends the light switch TNS signal to the front body control module (FBCM) as a CAN signal.
When the front body control module (FBCM) receives the light switch TNS signal, the parking lights and front side marker lights are illuminated.
1. When the turn switch is operated to the LH or RH position, a turn switch LH or RH signal is input to the start stop unit.
2. The start stop unit sends the turn switch LH or RH signal to the front body control module (FBCM) as a CAN signal.
3. When the front body control module (FBCM) receives the turn switch LH or RH signal, the front turn light (LH) or (RH) flashes.
1. When the hazard warning switch is turned on, a hazard warning signal is input to the start stop unit.
2. The start stop unit sends a hazard warning signal to the front body control module (FBCM).
3. When the front body control module (FBCM) receives the hazard warning signal, the front turn lights (LH) and (RH) flash.
Refer to the headlight leveling actuator. (See HEADLIGHT LEVELING ACTUATOR.)
Refer to the adaptive front lighting system (AFS). (See ADAPTIVE FRONT LIGHTING SYSTEM (AFS).)
Function not equipped.