Projector type headlights have been adopted to the front combination lights.
Auto light system has been adopted in which TNS and headlights automatically and optimally illuminate and turn off. (With auto light system)
A high beam control (HBC) system has been adopted which automatically changes the headlights to low beams when it recognizes an oncoming vehicle, a vehicle ahead, or travel through city streets. (With high beam control (HBC) system)
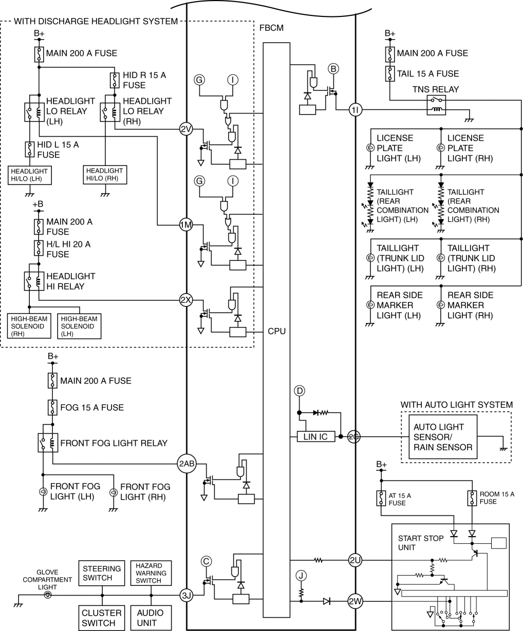
Discharge headlights that emit light over a wide area have been adopted. (With discharge headlight system)
A headlight auto leveling system has been adopted which automatically adjusts the headlight optical axis up and down. (With headlight auto leveling system)
An adaptive front lighting system (AFS) has been adopted which changes the optical axis to the direction in which the vehicle is moving according to the amount of steering operation. (With adaptive front lighting system (AFS))
Front fog lights have been adopted in the front bumper. (With front fog lights)
Outer mirrors with built-in front side turn lights have been adopted.
LED type parking lights have been adopted. (With discharge headlight system)
LED type side turn lights have been adopted.
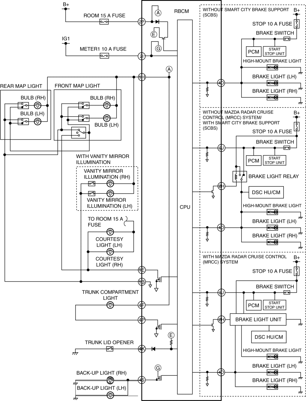
LED type brake/taillights have been adopted.
LED type high-mount brake light has been adopted.
Secondary collision reduction (SCR) hazard warning light has been adopted.
The front body control module (FBCM) performs exterior lighting system fail-safe. (See FRONT BODY CONTROL MODULE (FBCM).)
Refer to the front combination light. (See FRONT COMBINATION LIGHT.)
Refer to the discharge headlight system. (See DISCHARGE HEADLIGHT SYSTEM.)
Refer to the DRL system. (See DRL (DAYTIME RUNNING LIGHT) SYSTEM.)
Refer to the front fog light. (See FRONT FOG LIGHT.)
Refer to the side turn light. (See SIDE TURN LIGHT.)
Refer to the rear combination light. (See REAR COMBINATION LIGHT.)
Refer to the trunk lid light. (See TRUNK LID LIGHT.)
Refer to the front combination light. (See FRONT COMBINATION LIGHT.)
Refer to the side turn light. (See SIDE TURN LIGHT.)
Refer to the rear combination light. (See REAR COMBINATION LIGHT.)
Secondary collision reduction (SCR) hazard warning light
If the SAS control module detects a collision with another vehicle, it outputs a secondary collision reduction (SCR) hazard warning light request signal to the front body control module (FBCM).
The front body control module (FBCM) flashes the turn lights during a collision to caution surrounding vehicles when it detects a certain amount of impact.
While the secondary collision reduction (SCR) hazard warning light is operating, all the turn lights are flashed automatically. The secondary collision reduction (SCR) hazard warning light can be turned off by pressing the hazard warning switch two times.
Refer to the high-mount brake light. (See HIGH-MOUNT BRAKE LIGHT.)
Refer to the license plate light. (See LICENSE PLATE LIGHT.)