< Previous   Next >

2014 - Mazda6 - Body and Accessories

DRL (DAYTIME RUNNING LIGHT) SYSTEM

Outline

Structural View

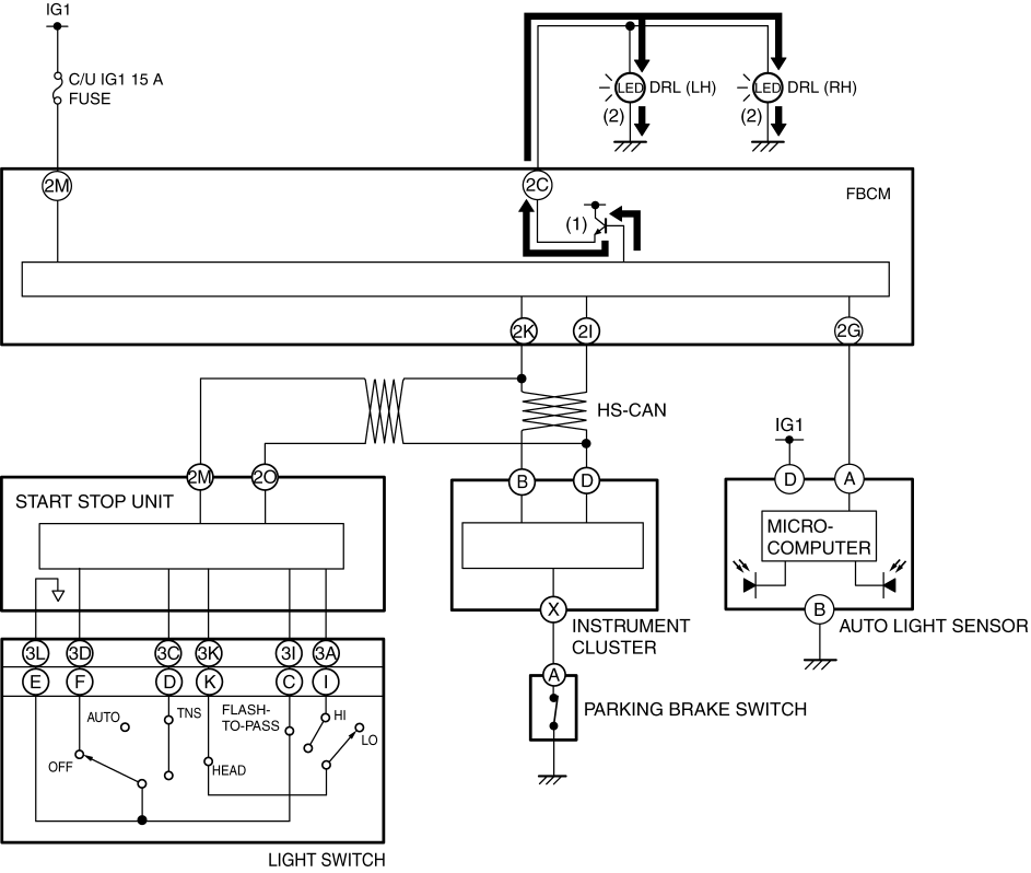
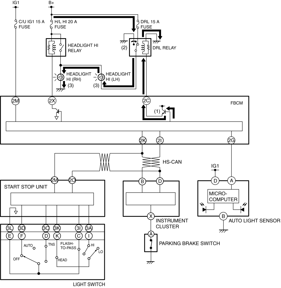
System Wiring Diagram

Without discharge headlight system

With discharge headlight system

Operation

Operation condition—: Not applicable

Engine switch

Parking brake

Selector lever position (ATX)

Light switch

Dimmer switch

Auto light system

DRL

ON (engine off or on)

Released

Except P

OFF

LO

On

HI

On

FLASH-TO-PASS

Off

AUTO

LO

Off

On

On

Off

HI

Off

On

On

Off

FLASH-TO-PASS

Off

Off

On

Off

TNS

LO

On

HI

On

FLASH-TO-PASS

Off

HEAD

LO

Off

HI

Off

FLASH-TO-PASS

Off


Without discharge headlight system
1. If the operation conditions are met, the front body control module (FBCM) turns on the DRL circuit transistor.
2. When the transistor turns on, the DRL relay turns on.
3. If the DRL relay turns on, the electrical current flows in-line relative to the left/right headlight HI circuits and the headlights HI turn on at half the brightness of normal illumination.

With discharge headlight system
1. If the operation conditions are met, the front body control module (FBCM) turns on the DRL circuit transistor.
2. When the transistor turns on, the DRLs are illuminated.



< Previous   Next >
Back to Top
© 2012 Mazda North American Operations, U.S.A.