< Previous   Next >

2014 - Mazda6 - Body and Accessories

REAR BODY CONTROL MODULE (RBCM)

Outline

Function

Control table

Control

Content

Reference

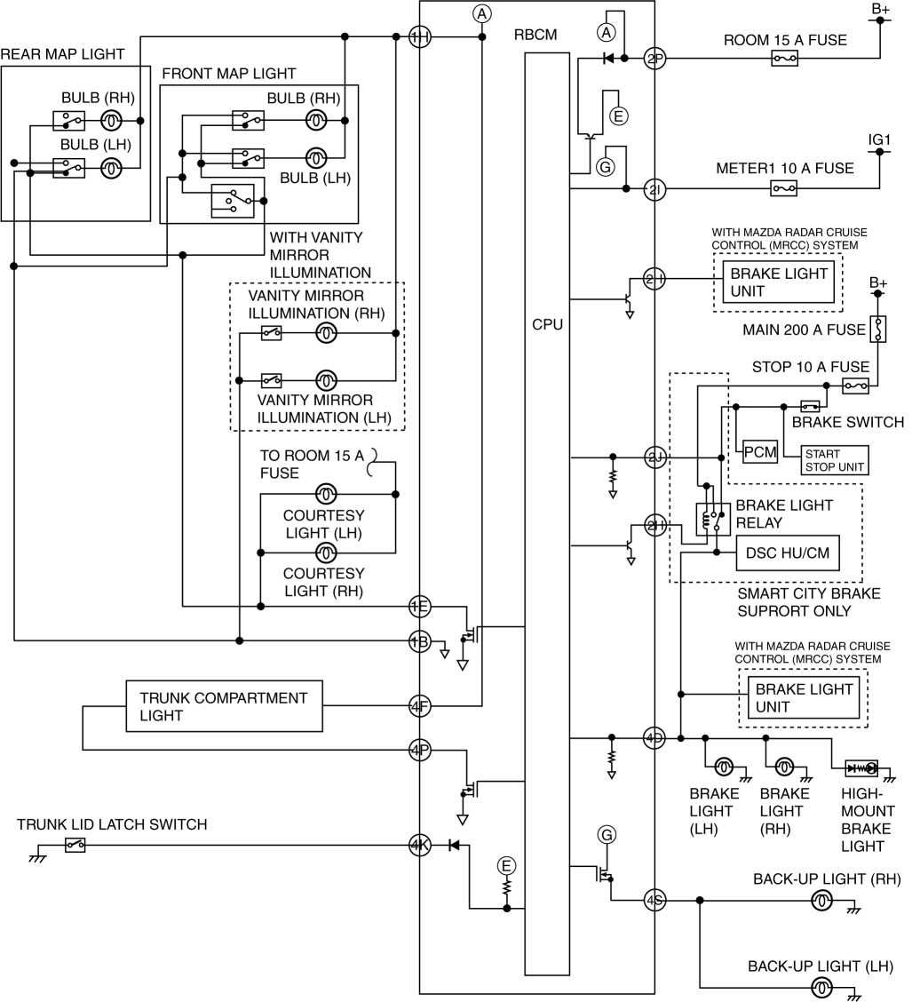
Interior light control system control

The rear body control module (RBCM) changes the illumination condition and illumination level of the interior light (door position) according to whether the doors are opened/closed.

(See INTERIOR LIGHTING SYSTEM.)

Back-up light control

The back-up light illuminates in conjunction with the shift operation.

(See REAR COMBINATION LIGHT.)

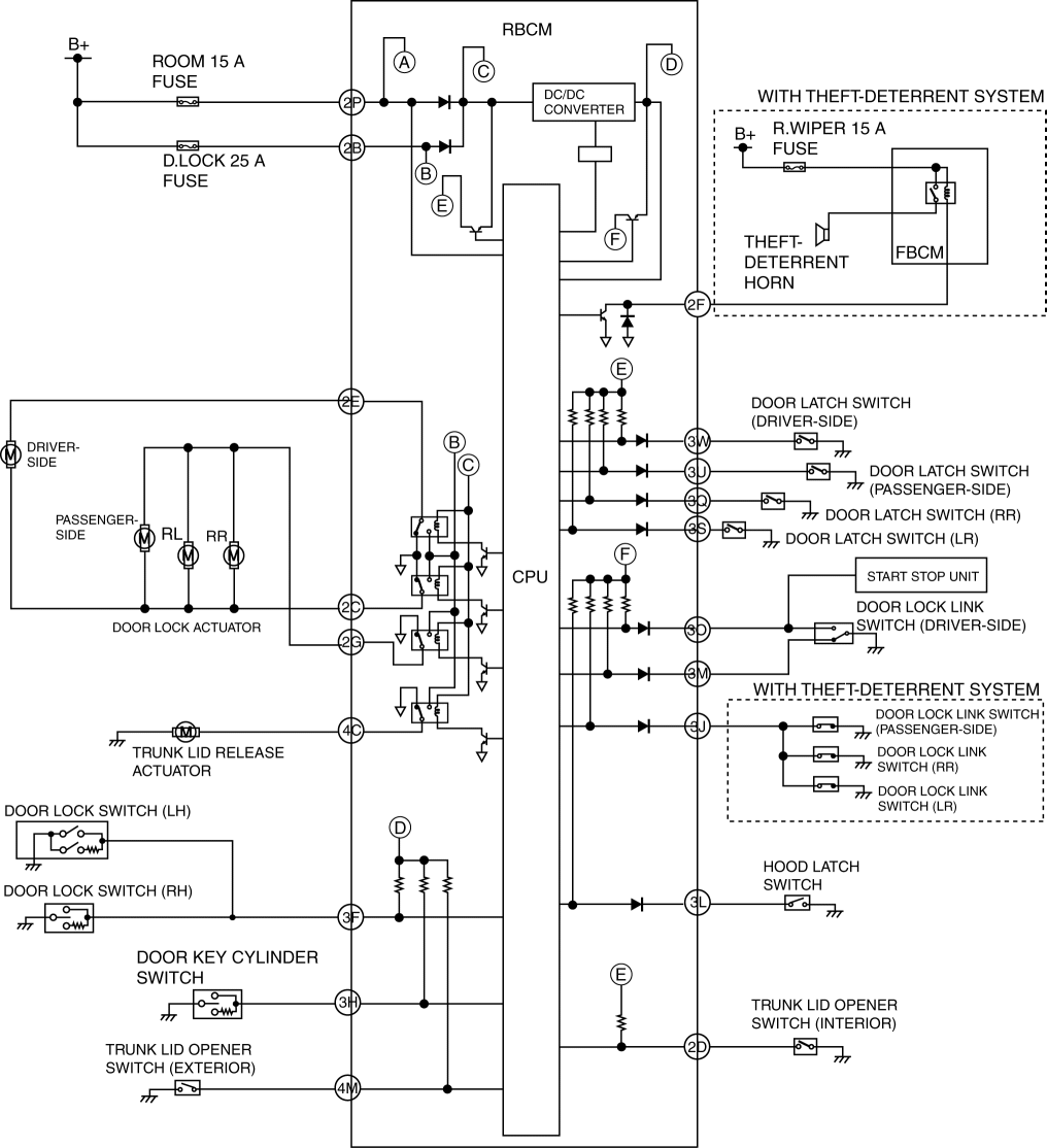
Power door lock system control

A power door lock system has been adopted in which all doors and the liftgate are locked/unlocked when the driver's door is locked/unlocked using the driver's door lock knob, or the door key cylinder is operated.

(See POWER DOOR LOCK SYSTEM.)

Trunk lid opener system control

A trunk lid opener system has been adopted in which the trunk lid can be opened just by pressing the trunk lid opener switch.

(See TRUNK LID OPENER SYSTEM.)

CAN (Controller Area Network)

Sends and receives signals between CAN system-related modules using the CAN system.

(See CONTROLLER AREA NETWORK (CAN) SYSTEM.)

ON-BOARD DIAGNOSTIC SYSTEM

The rear body control module (RBCM) is equipped with an on-board diagnosis function which records DTCs in the event of a malfunction.

(See ON-BOARD DIAGNOSTIC SYSTEM [REAR BODY CONTROL MODULE (RBCM)].)


Structural view

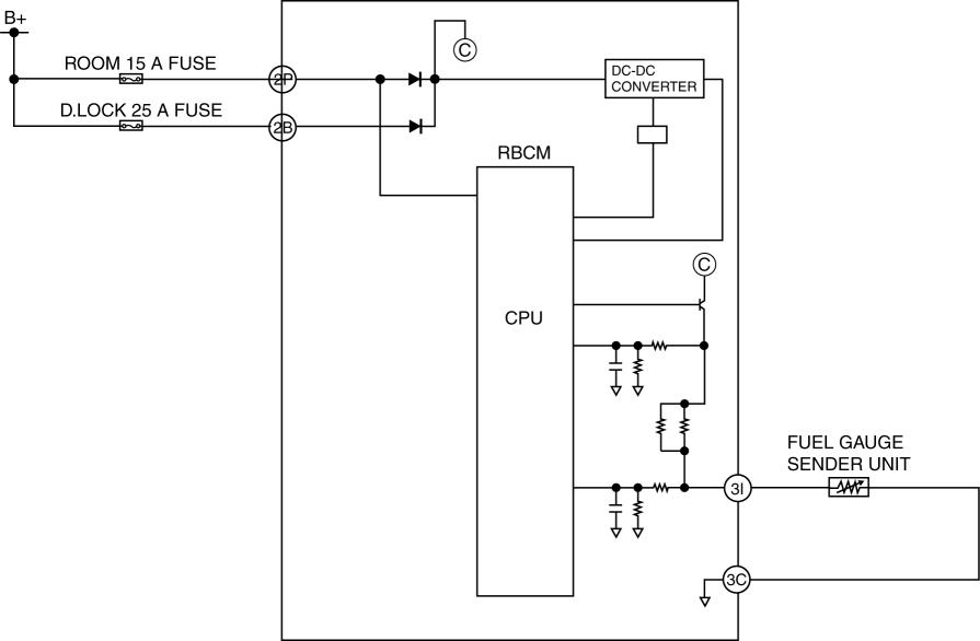
System wiring diagram

Power window system, Auto dimming mirror

Power door lock system, theft-deterrent system

Room lights, brake light system

Fuel-level sensor system

CAN system

Fail-safe

Room light control system
Back-up light
Power door lock system
Theft-deterrent system
Rear fog light system


< Previous   Next >
Back to Top
© 2012 Mazda North American Operations, U.S.A.