< Previous   Next >

2014 - Mazda6 - Body and Accessories

INTERIOR LIGHTING SYSTEM

Outline

Structural View

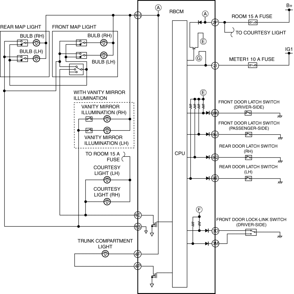
System Wiring Diagram



< Previous   Next >
Back to Top
© 2012 Mazda North American Operations, U.S.A.