< Previous   Next >

2014 - Mazda6 - Body and Accessories

START STOP UNIT

Purpose

Function

Control Table


Control

Content

Reference

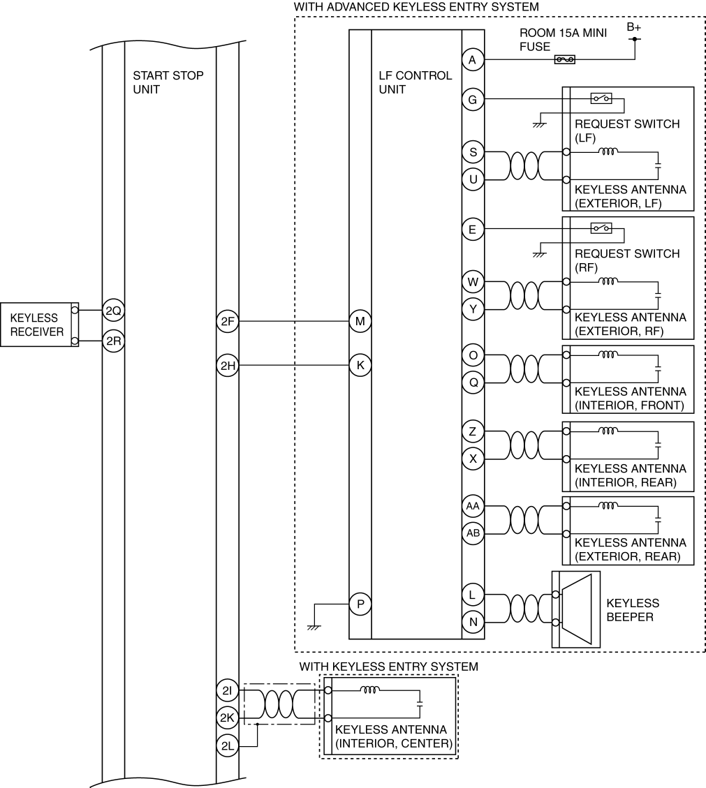
Advanced keyless entry system control

Authorization of the remote transmitter being carried is automatically performed using radio waves, and all the doors lock/unlock according to the switch operation.

(See ADVANCED KEYLESS ENTRY SYSTEM.)

Keyless entry system control

When the lock/unlock buttons on the transmitter are pressed at a distance away from the vehicle (within approx. 1 m {3 ft}), all the doors lock/unlock.

(See KEYLESS ENTRY SYSTEM.)

Push button start system control

When the push button start is pressed, authorization of the remote transmitter brought into the vehicle is automatically performed.

(See PUSH BUTTON START SYSTEM [ADVANCED KEYLESS ENTRY SYSTEM].)

(See PUSH BUTTON START SYSTEM [KEYLESS ENTRY SYSTEM].)

Immobilizer system control

The immobilizer system is a vehicle theft prevention device that only allows a remote transmitter that has been previously programmed to the vehicle to start the engine.

(See IMMOBILIZER SYSTEM.)

On-board diagnostic system control

The start stop unit is equipped with an on-board diagnosis function which records DTCs in the event of a malfunction.

(See ON-BOARD DIAGNOSIS SYSTEM [START STOP UNIT].)

(See ON-BOARD DIAGNOSIS SYSTEM [ADVANCED KEYLESS ENTRY SYSTEM].)

(See ON-BOARD DIAGNOSIS SYSTEM [IMMOBILIZER SYSTEM].)

CAN (Controller Area Network)

Sends and receives signals between CAN system-related modules using CAN system.

(See CONTROLLER AREA NETWORK (CAN) SYSTEM.)


Structural View

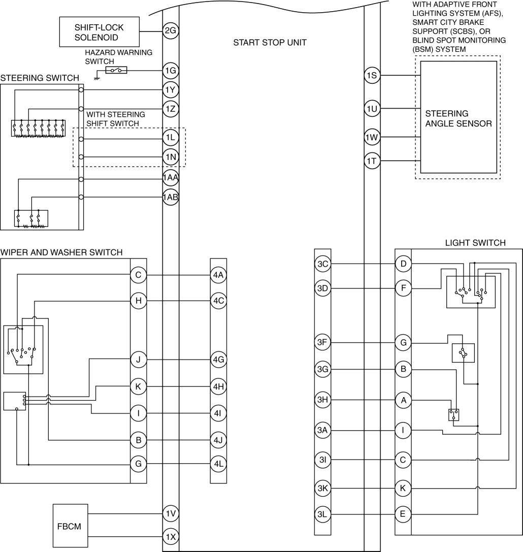
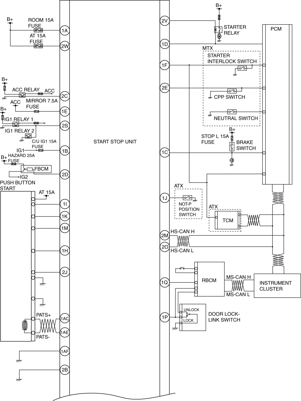
System Wiring Diagram

Fail-safe

Keyless entry system
Advanced keyless entry system
Push button start system
Immobilizer system


< Previous   Next >
Back to Top
© 2012 Mazda North American Operations, U.S.A.