< Previous   Next >

2014 - Mazda6 - Body and Accessories

KEYLESS ENTRY SYSTEM

Outline

Function

Remote transmitter battery voltage low indication function

Structural View

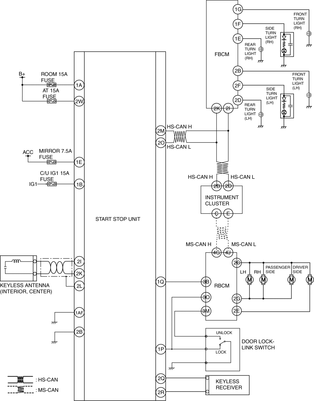
System Wiring Diagram

Operation

Lock/unlock operation using remote transmitter

NOTE:

1. When the lock or unlock button of the remote transmitter is pressed, the remote transmitter sends ID data.
2. The keyless receiver receives ID data and transmits the data to the start stop unit.
3. The start stop unit verifies the ID data, and if the ID data matches, it sends a lock/unlock request signal to the rear body control module (RBCM).
4. The rear body control module (RBCM) operates the front/rear door lock actuator motor to lock/unlock the front/rear doors.
5. At the same time as the door lock/unlock operation, it sends a hazard light flash request signal to the instrument cluster as a CAN signal.
6. The instrument cluster sends the hazard light flash request signal to the front body control module (FBCM) as a CAN signal.
7. The front body control module (FBCM) controls the hazard lights to flash for the following number of times to signal that the lock/unlock operation is completed.

Trunk lid opening operation using remote transmitter

NOTE:

1. When the trunk lid open button is pressed for approx. 0.5 s, the remote transmitter sends ID data to the keyless receiver.
2. The keyless receiver receives ID data and transmits the data to the start stop unit.
3. The start stop unit verifies the ID data, and if the ID data matches, it sends a trunk lid release signal to the rear body control module (RBCM).
4. When the rear body control module (RBCM) receives the trunk lid release signal, it operates the trunk lid release actuator motor to release the trunk lid.

Auto re-lock function operation
*1
Personalization setting time
Remote transmitter pause function operation
Alert function operation


Condition

Instrument cluster

Push button start

Keyless warning alarm

KEY warning light (red)

LCD display

Indicator light (amber)

Keyless entry system malfunction

On

Flash

Driver's door is opened with ignition in ACC

Pattern A*1×Continuous

Remote transmitter cannot be detected inside vehicle when all doors are closed with ignition not switched off (LOCK)

Pattern B*1

Flash


*1
For the keyless warning alarm sound pattern, refer to the keyless warning alarm. (See KEYLESS WARNING ALARM.)
Remote transmitter battery voltage low indication function operation


Condition

Instrument cluster

KEY indicator light (green)

LCD display

Start stop unit receives code for low remote transmitter battery voltage

Flash (for approx. 30 s after ignition switched off)




< Previous   Next >
Back to Top
© 2012 Mazda North American Operations, U.S.A.