< Previous   Next >

2014 - Mazda6 - Body and Accessories

ADVANCED KEYLESS ENTRY SYSTEM

Outline

Function

Remote transmitter battery voltage low indication function

Structural View

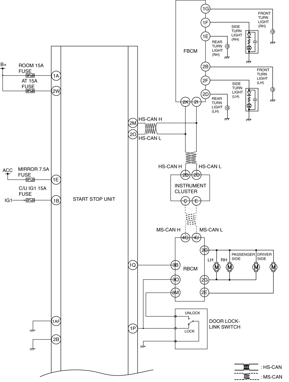
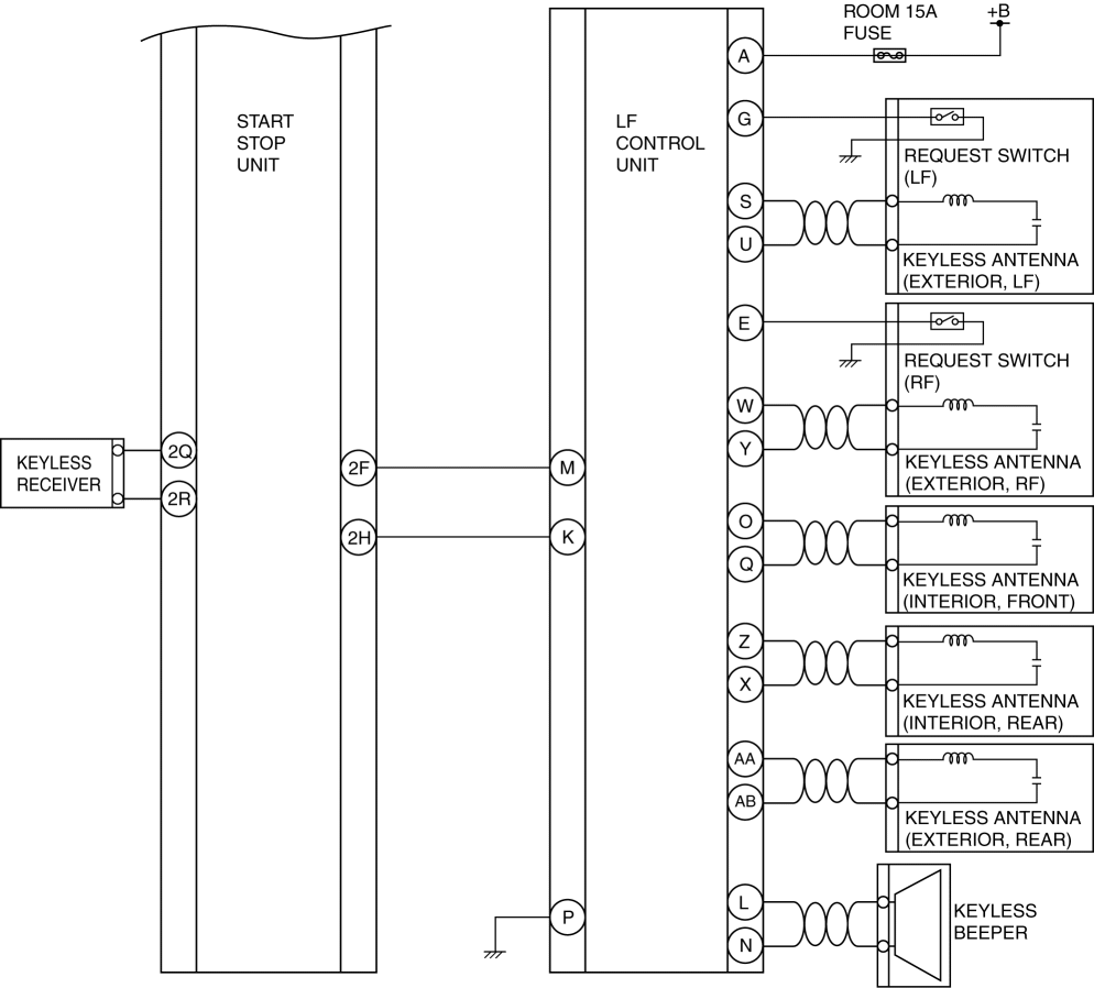
System Wiring Diagram

Operation

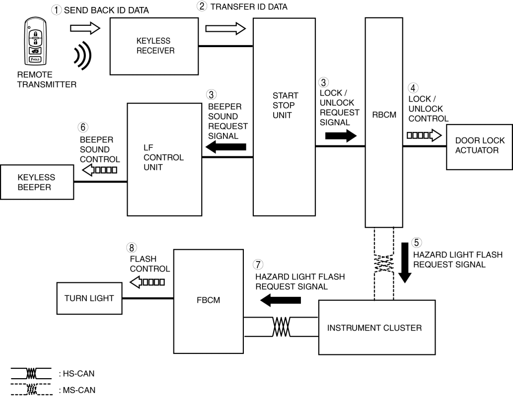
Lock/unlock operation using request switch on outer handle

NOTE:

1. When the driver's or the front passenger's request switch is pressed, a request switch on signal is input to the start stop unit via the LF control unit.
2. Based on the request switch on signal, the start stop unit sends a request output signal to the LF control unit to verify that the remote transmitter is inside the reception area.
3. The LF control unit sends a request signal from the keyless antenna of the door in which the request switch was pressed and all keyless antennas for the vehicle interior.
4. The remote transmitter receives the request signal from the outside antenna, and sends ID data to the keyless receiver.
5. The keyless receiver transmits the received ID data to the start stop unit.
6. The start stop unit verifies the ID data, and if it determines a programmed remote transmitter is outside the vehicle, it sends a lock/unlock signal to the rear body control module (RBCM) and at the same time, it sends a beeper sound request signal to the LF control unit.
7. When the rear body control module (RBCM) receives the lock/unlock signal, it operates the front/rear door lock actuator motor to lock/unlock the front/rear doors.

NOTE:

8. At the same time as the door lock/unlock operation, it sends a hazard light flash request signal to the instrument cluster as a CAN signal.
9. When the LF control unit receives the beeper sound request signal, it operates the keyless beeper for the following number of times:
10. The instrument cluster sends the hazard light flash request signal to the front body control module (FBCM) as a CAN signal.
11. When the front body control module (FBCM) receives the hazard light flash request signal, it controls the hazard light to flash for the following number of times to signal that the lock/unlock operation is completed.

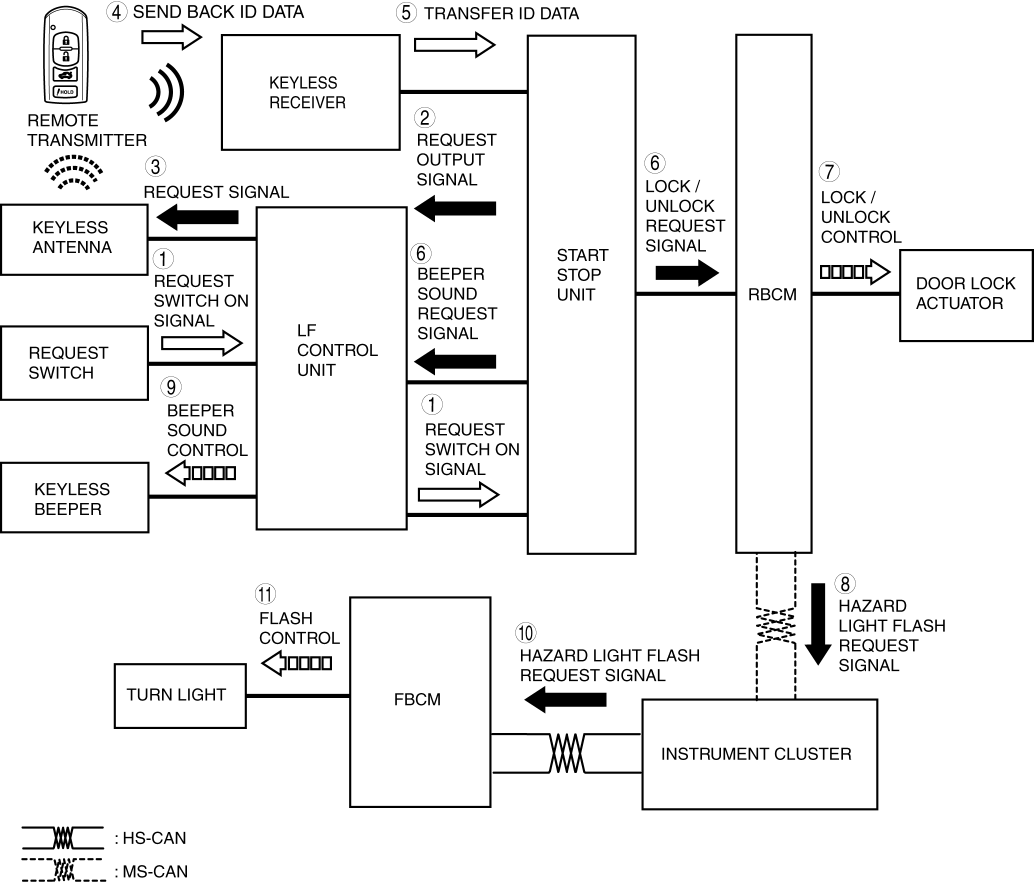
Lock/unlock operation using remote transmitter

NOTE:

1. When the lock or unlock button of the remote transmitter is pressed, the remote transmitter sends ID data.
2. When the keyless receiver receives ID data, it transmits the data to the start stop unit.
3. The start stop unit verifies the ID data, and if the ID data match, it sends a lock/unlock signal to the rear body control module (RBCM) and at the same time, it sends a beeper sound request signal to the LF control unit.
4. The rear body control module (RBCM) operates the front/rear door lock actuator motor to lock/unlock the front/rear doors.
5. At the same time as the door lock/unlock operation, it sends a hazard light flash request signal to the instrument cluster as a CAN signal.
6. The LF control unit operates the keyless beeper for the following number of times:
7. The instrument cluster sends the hazard light flash request signal to the front body control module (FBCM) as a CAN signal.
8. The front body control module (FBCM) controls the hazard light to flash for the following number of times to signal that the lock/unlock operation is completed.

Trunk lid opening operation using remote transmitter

NOTE:

1. When the trunk lid open button is pressed for approx. 0.5 s, the remote transmitter sends ID data to the keyless receiver.
2. The keyless receiver receives ID data and transmits the data to the start stop unit.
3. The start stop unit verifies the ID data, and if the ID data matches, it sends a trunk lid release signal to the rear body control module (RBCM).
4. When the rear body control module (RBCM) receives the trunk lid release signal, it operates the trunk lid release actuator motor to release the trunk lid.

Trunk lid open operation
1. When the trunk lid opener switch is pressed, a trunk lid open signal is input to the rear body control module (RBCM).
2. The rear body control module (RBCM) sends the trunk lid open signal to the start stop unit.
3. Based on the trunk lid open signal, the start stop unit sends a request output signal to the LF control unit to verify that the remote transmitter is inside the reception area.
4. Based on the request output signal from the start stop unit, the LF control unit outputs a request signal using the keyless antenna inside the rear bumper.
5. The remote transmitter receives the request signal from the antenna (outside, rear), and sends ID data to the keyless receiver.
6. The keyless receiver transmits the received ID data to the start stop unit.
7. The start stop unit verifies the ID data, and if the ID data matches, it sends a trunk lid release signal to the rear body control module (RBCM).
8. When the rear body control module (RBCM) receives the trunk lid release signal, it operates the trunk lid release actuator motor to release the trunk lid.

Auto re-lock function operation
*1
Personalization setting time
Out-of-area (reception area) type auto lock function operation
1. When all doors are closed after any door was opened, the start stop unit goes on auto lock standby if all the following conditions are met.
2. After entering the standby status, if the remote transmitter is moved out of the keyless antenna reception area and the ID data cannot be received from the keyless receiver, the start stop unit operates all the lock actuators for a lock operation.

NOTE:

Remote transmitter pause function operation
Remote transmitter left-in-vehicle prevention function operation
Alert function operation


Condition

Keyless beeper

Instrument cluster

Push button start

Keyless warning alarm

KEY warning light (red)

LCD display

Indicator light (amber)

The advanced keyless entry system has a malfunction.

On

Flash

The driver's door is opened with the ignition in ACC.

Pattern A*1×Continuous

The remote transmitter cannot be detected inside the vehicle when all doors are closed with the ignition not switched off (LOCK).

Sounds 6 times

Pattern B*1

Flash

A door lock operation is performed using a request switch with any door open.

Sounds 2 times

A door lock operation is performed using a request switch with ignition not switched off (LOCK).

Sounds 2 times


*1
For the keyless warning alarm sound pattern, refer to the keyless warning alarm. (See KEYLESS WARNING ALARM.)
Remote transmitter battery voltage low indication function operation


Condition

Instrument cluster

KEY indicator light (green)

LCD display

The start stop unit receives a code for remote transmitter battery voltage low.

Flash (for approx. 30 s after ignition switched off)




< Previous   Next >
Back to Top
© 2012 Mazda North American Operations, U.S.A.