< Previous   Next >

2014 - Mazda6 - Body and Accessories

ROOM LIGHT CONTROL SYSTEM

Outline

Structural View

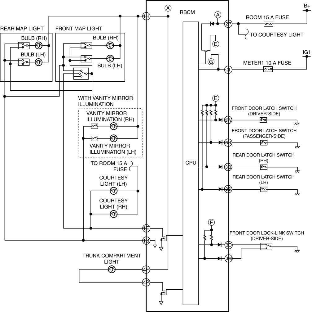
System Wiring Diagram

Operation



Operation condition

Interior light

Lights off condition

(Any of the following conditions is met)

Illumination period

Brightness level

With all doors closed (all door latch switches are off) while ignition is switched off or ACC, a condition is detected where any door is opened (any door latch switch is on).

Approx. 30 min*1

100 %

  • After illumination time elapses*2

  • All doors closed except for trunk lid. (All door latch switches are off.)

With any door opened (any door latch switch is on) while ignition is switched off or ACC, a condition is detected where all doors are closed (all door latch switches are off).

  • Approx. 5 s*3

  • Approx. 15 s*1, *4

60 %

  • After illumination time elapses

  • Lock driver's door lock knob. (Door lock-link switch is in lock position.)

  • Ignition is switched ON (engine off or on).

With all doors closed (all door latch switches are off) while ignition is switched off or ACC, the driver's door lock knob is switched from lock to unlock.

Approx. 30 s

100 %

  • After illumination time elapses

  • Lock driver's door lock knob. (Door lock-link switch is in lock position.)

  • Ignition is switched ON (engine off or on).

With all doors closed (all door latch switches are off) while ignition is switched ON (engine off or on), an ignition switched off condition is detected.

Approx. 15 s

100 %

  • After illumination time elapses

  • Lock driver's door lock knob. (Door lock-link switch is in lock position.)

  • Ignition is switched ON (engine off or on).

The trunk lid is opened.

Approx. 30 min*1

100 %

  • After illumination time elapses

  • Trunk lid closed.


*1
The illumination time can be switched by using the Mazda Modular Diagnostic System (M-MDS) or the audio unit (with color LCD). (See LIGHTING SYSTEM PERSONALIZATION.)
*2
After the interior light is turned off according to the cancel conditions, it turns on again if any one of the following conditions is met.
*3
There is no remote transmitter inside vehicle.
*4
There is a remote transmitter inside vehicle.
×: With room light control system—: No airflow

Type

Installation position

Room light control system

Front map light

Front area of roof

×

Rear map light

Center area of roof

×

Courtesy light

Front door trim

×

Trunk compartment light

Trunk compartment

×

Vanity mirror illumination

Sunvisor

Glove compartment light

Glove compartment




< Previous   Next >
Back to Top
© 2012 Mazda North American Operations, U.S.A.