The front map lights shine light at the front of the vehicle interior.
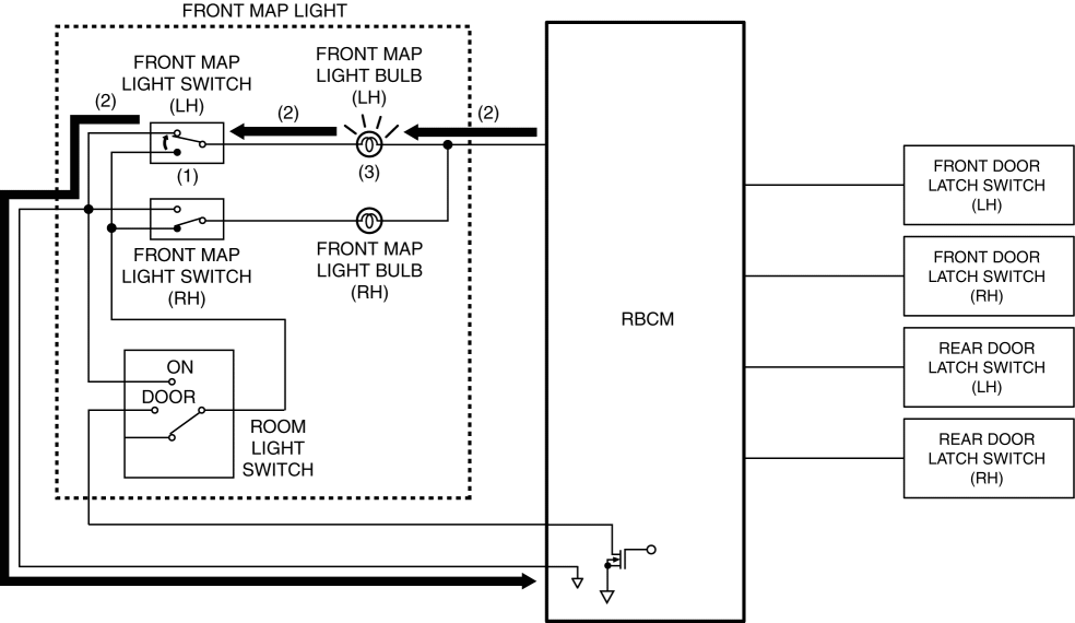
The front map lights illuminate when the front map light switch is turned on.
Illuminates according to the lock condition of the driver's door and open/close conditions of the doors under the rear body control module (RBCM) control when the room light switch is in the DOOR position.
The front map lights which are integrated with the sunglass holder have been adopted.
1. Turn the front map light switch on.
2. The battery current flows to the front map light bulb from the rear body control module (RBCM).
3. The front map light illuminates.
1. Room light switch is in the DOOR position.
2. When any door is opened, the door open signal is input to the rear body control module (RBCM).
3. When the rear body control module (RBCM) receives the door open signal, it turns on the transistor.
4. When the transistor turns on, the battery current flows to the front map light bulbs from the rear body control module (RBCM).
5. The front map lights illuminate.
NOTE:
When the room light switch is in the DOOR position, the front map light illumination on/off timing is controlled by the room light control system. For details, refer to the "ROOM LIGHT CONTROL SYSTEM".
Function not equipped.