< Previous   Next >

2014 - Mazda6 - Brakes

DSC HU/CM

Outline

DSC HU Part Purpose/Function

*
Vehicles with Smart City Brake Support (SCBS)

DSC HU Part Construction

Function of main component parts

Part name

Function

Inlet solenoid valve

  • Adjusts the fluid pressure in each brake system according to DSC HU/CM signals.

Outlet solenoid valve

  • Adjusts the fluid pressure in each brake system according to DSC HU/CM signals.

Linear control solenoid valve

  • Switches the brake hydraulic circuits during and according to normal braking, ABS and EBD control, TCS control and DSC control.

Reservoir

  • Closes the hydraulic circuit between the master cylinder and reservoir if the brake pedal is depressed.

  • Temporarily stores brake fluid from the caliper piston when pressure reduces during ABS control and EBD control.

  • Opens the hydraulic circuit between the master cylinder and reservoir when pressure increases during TCS control and DSC control.

Pump

  • Returns the brake fluid stored in the reservoir to the master cylinder during ABS control and EBD control.

  • Increases brake fluid pressure and sends brake fluid to each caliper piston during TCS control and DSC control.

Pump motor

  • Operates the pump according to DSC HU/CM signals.


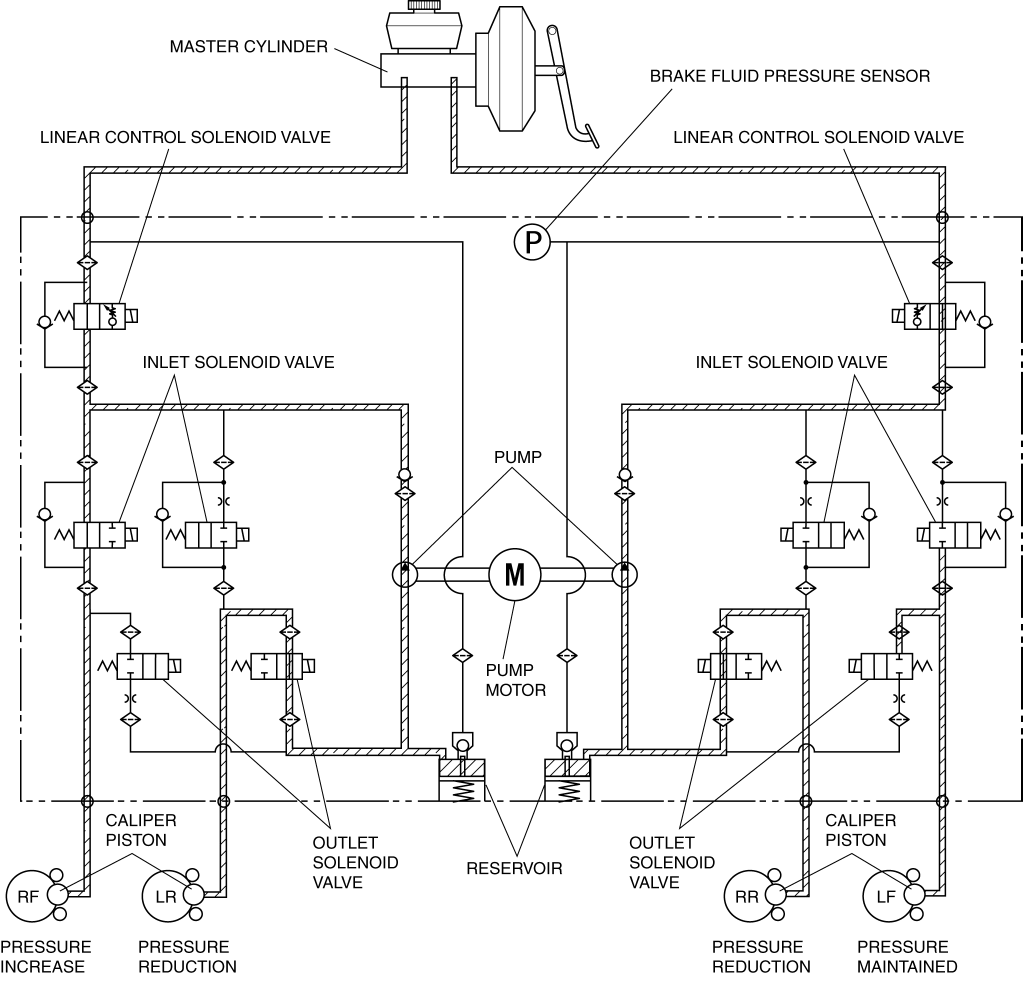
Hydraulic circuit diagram

Operation

During normal braking
Solenoid valve operation table

Linear control solenoid valve

Inlet solenoid valve

Outlet solenoid valve

Pump motor, pump

LF—RR

RF—LR

LF

RF

LR

RR

LF

RF

LR

RR

OFF (open)

OFF (open)

OFF (closed)

Stopped


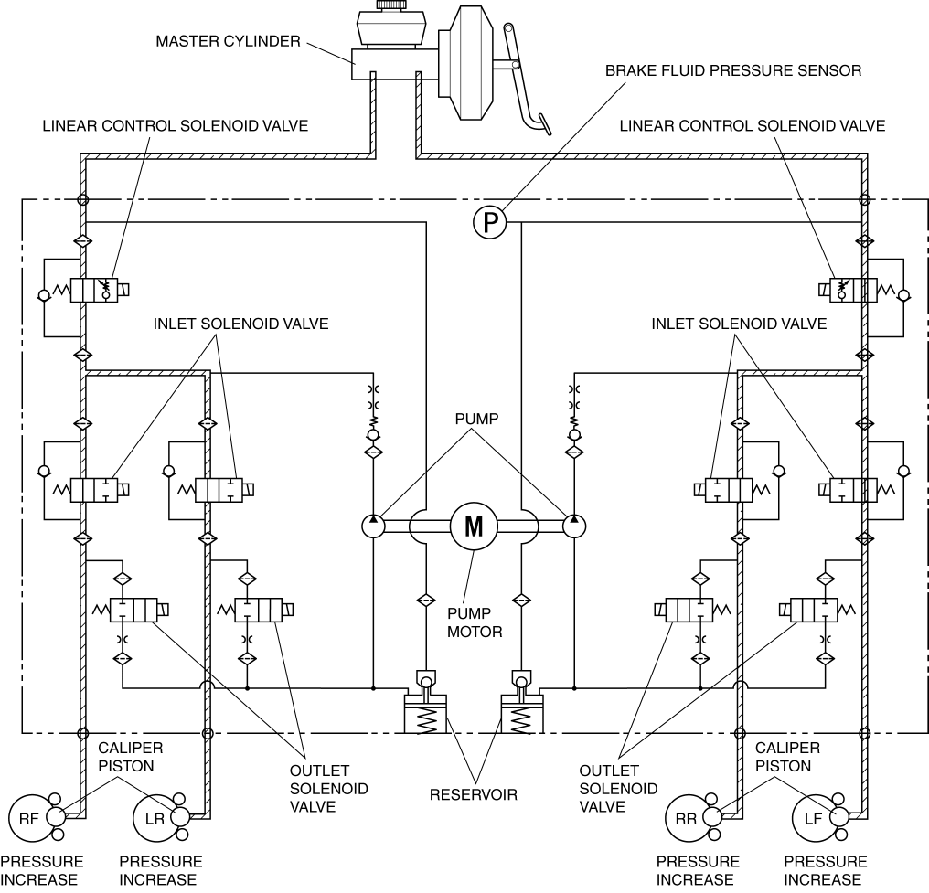
Hydraulic circuit diagram

During ABS and EBD control
Solenoid valve operation table

Linear control solenoid valve

Inlet solenoid valve

Outlet solenoid valve

Pump motor, pump

LF—RR

RF—LR

LF

RF

LR

RR

LF

RF

LR

RR

During pressure increase mode

OFF (open)

OFF (open)

OFF (closed)

Stopped

During pressure maintain mode

OFF (open)

ON (closed)

OFF (closed)

Stopped

During pressure reduction mode

OFF (open)

ON (closed)

ON (open)

Operating


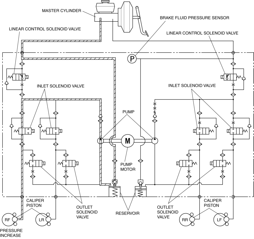
Hydraulic circuit diagram

During TCS control
Solenoid valve operation table

Linear control solenoid valve

Inlet solenoid valve

Outlet solenoid valve

Pump motor, pump

LF—RR

RF—LR

LF

RF

LR

RR

LF

RF

LR

RR

During pressure increase mode

OFF (open)

ON (adjusting pressure)

ON (closed)

OFF (open)

ON (closed)

OFF (closed)

Operating

During pressure maintain mode

OFF (open)

ON (adjusting pressure)

ON (closed)

OFF (open)

ON (closed)

OFF (closed)

Operating

During pressure reduction mode

OFF (open)

ON (adjusting pressure)

ON (closed)

OFF (open)

ON (closed)

OFF (closed)

Operating


Hydraulic circuit diagram

During DSC control (to suppress oversteer tendency)
Solenoid valve operation table

Linear control solenoid valve

Inlet solenoid valve

Outlet solenoid valve

Pump motor, pump

LF—RR

RF—LR

LF

RF

LR

RR

LF

RF

LR

RR

During pressure increase mode

OFF (open)

ON (closed)

OFF (open)

OFF (open)

ON (closed)

OFF (open)

OFF (closed)

OFF (closed)

ON (open)

OFF (closed)

Operating

During pressure maintain mode

OFF (open)

ON (closed)

OFF (open)

ON (closed)

ON (closed)

OFF (open)

OFF (closed)

OFF (closed)

ON (open)

OFF (closed)

Operating

During pressure reduction mode

OFF (open)

ON (closed)

OFF (open)

ON (closed)

ON (closed)

OFF (open)

OFF (closed)

ON (open)

ON (open)

OFF (closed)

Operating


Hydraulic circuit diagram

During DSC control (to suppress understeer tendency)
Solenoid valve operation table

Linear control solenoid valve

Inlet solenoid valve

Outlet solenoid valve

Pump motor, pump

LF—RR

RF—LR

LF

RF

LR

RR

LF

RF

LR

RR

During pressure increase mode

OFF (open)

ON (closed)

OFF (open)

ON (closed)

OFF (open)

OFF (open)

OFF (closed)

ON (open)

OFF (closed)

OFF (closed)

Operating

During pressure maintain mode

OFF (open)

ON (closed)

OFF (open)

ON (closed)

ON (closed)

OFF (open)

OFF (closed)

ON (open)

OFF (closed)

OFF (closed)

Operating

During pressure reduction mode

OFF (open)

ON (closed)

OFF (open)

ON (closed)

ON (closed)

OFF (open)

OFF (closed)

ON (open)

ON (open)

OFF (closed)

Operating


Hydraulic circuit diagram

DSC CM Part Function

Function table


Function name

Contents

ABS control function

  • Controls brake fluid pressure when braking to maintain directional stability, ensure steerability, and reduce stopping distance.

EBD control function

  • Constantly controls proper distribution of brake fluid pressure to the front and rear wheels according to vehicle load, road surface, and vehicle speed conditions to prevent early lock-up of the rear wheels.

TCS control function

  • Controls traction to within the road surface friction limit and according to road and driving conditions to improve starting and acceleration performance, and safety.

DSC control function

  • Suppresses strong over-steer and under-steer tendencies when turning by controlling engine output and braking of each wheel to assure driving safety.

Brake assist control function

  • The brake pedal depression speed and force is calculated from the brake fluid pressure sensor signal. If it exceeds the specification, an emergency braking situation is determined and a higher amount of hydraulic pressure than the normal specified amount is generated in the hydraulic unit and supplied to each wheel based on the activation of each solenoid valve, pump motor, and pump.

  • If a condition is detected in which emergency braking is anticipated by the change in speed of the accelerator pedal position, the gap between the brake pad and disc plate is reduced to enhance the response when braking.

Hill Launch Assist (HLA) control function

  • For detailed information on the Hill Launch Assist (HLA), refer to HILL LAUNCH ASSIST (HLA). (See HILL LAUNCH ASSIST (HLA).)

Tire Pressure Monitoring System (TPMS) control function

Smart City Brake Support (SCBS) control function (vehicles with Smart City Brake Support (SCBS))

CAN communication function

  • Outputs the vehicle speed signal and DSC system warning control data via CAN lines.

On-board diagnostic system

  • A function that allows important parts of the DSC control system to perform self-diagnosis. In case a malfunction occurs, the warning lights illuminate to alert the driver, and at the same time a DTC is stored in the DSC HU/CM.

  • When a malfunction is determined as a result of the on-board diagnostic test, system control is suspended or limited to prevent any dangerous situation while driving.

Automatic configuration function

  • When the ignition is switched ON or the engine is started after the DSC HU/CM have been replaced, the DSC CM reads data from the instrument cluster via CAN communication to perform automatic configuration.


Block diagram



< Previous   Next >
Back to Top
© 2012 Mazda North American Operations, U.S.A.