Hill Launch Assist (HLA) functions to assist in accelerating the vehicle from a stop on uphill slopes. When the vehicle is held at a stop by depressing the brake pedal on a slope with a grade of 3 % (MTX vehicle), or 10 % or more (ATX vehicle), the brake fluid pressure is maintained to prevent the vehicle from rolling backwards even after the driver’s foot is released from the brake pedal.
Hill Launch Assist (HLA) operates when the selector lever is in the D/M position and the R position. For MTX vehicles, it operates when the shift lever is in a forward drive position and the R position.
Block diagram
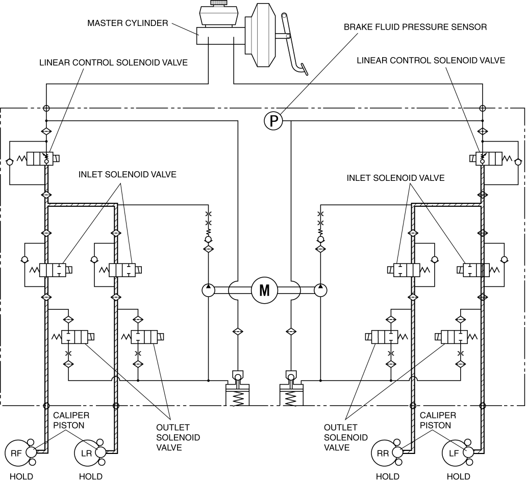
Hydraulic circuit diagram
Hill Launch Assist (HLA) is controlled by the DSC HU/CM. When the input signals from each module meet the operation conditions, the DSC HU/CM maintains the brake fluid pressure when the driver depressed the brake pedal (hold control). When the engine torque increases to the point of enabling the vehicle to move forward by depressing the accelerator pedal (ATX vehicles) or depressing the clutch (MTX vehicles), the brake fluid pressure is released (release control) according to the engine torque value.
In the event that a malfunction occurs in the DSC system during hold control, the DSC HU/CM releases the brake fluid pressure. When the brake fluid is released due to a DSC system malfunction, slow release control or fast release control is performed according to the nature of the malfunction.
NOTE:
Hill Launch Assist (HLA) operates during forward and reverse travel (grade on which system operates changes slightly depending on vehicle conditions such as load, tire wear, tire air pressure))
Hill Launch Assist (HLA) operates continuously regardless of the DSC OFF switch operation effect.
If a malfunction occurs in the parking brake switch or there is an error in the parking brake signal from the instrument cluster, Hill Launch Assist (HLA) does not operate. In this case, the master warning light and TCS/DSC operation indicator light are illuminated simultaneously.
If a malfunction occurs in the DSC system, Hill Launch Assist (HLA) does not operate.
Control conditions (all of the following conditions met):
Engine speed is at a certain value or more
All doors are fully closed
Slope of approx. 3 % or more (MTX)
Slope of approx. 10 % or more (ATX)
Wheel speed is 0 km/h {0 mph}
Parking brake not operated
Accelerator pedal not depressed
Not fail-safe mode is present
Upslope: The selector lever position is in the D/M position (ATX)
Upslope: The shift lever position is in the position other than R (MTX)
Downslope: The selector/shift lever position is in the R position
Brake pedal is depressed and brake fluid pressure is at a certain value or more
Clutch pedal depressed (MTX)
NOTE:
If the parking brake is operated during hold control, slow release control is executed and the brake fluid pressure is released. After this, if the brake pedal is depressed again and the parking brake is released, the system transitions to hold control again.
Control description
If all of the control conditions are met, the DSC HU/CM controls the linear control solenoid valve and maintains brake fluid pressure (driver can depress brake pedal more at this time).
If the brake pedal is released, brake fluid pressure (hold-pressure stored in memory) is maintained for a maximum of 2 s.
Control condition
After the accelerator pedal is depressed, the required engine torque for accelerating the vehicle on a slope is produced
Control condition (one or more of following conditions are met):
Parking brake applied
Clutch pedal released (MTX)
DSC HU/CM has malfunction (performs slow release control only if solenoid valve control is available)
Slope of 1 % or less (MTX)
Slope of 8 % or less (ATX)
2 s have elapsed with brake pedal released
Control description
Control condition
DSC HU/CM has malfunction and solenoid valve control is not available
Control description
Brake fluid pressure being maintained is reduced to 0 kPa {0 mmHg, 0 inHg} immediately