< Previous   Next >

2014 - Mazda6 - Brakes

SMART CITY BRAKE SUPPORT (SCBS)

Purpose

WARNING:

CAUTION:

NOTE:

Function

Smart City Brake Support (SCBS) display
Smart City Brake Support (SCBS) display table

Smart City Brake Support (SCBS) operating condition

Content

Indication on LCD

ON

When there is the possibility of a collision with a vehicle ahead or an obstruction

Brake control (SCBS brake) is in operation

When a malfunction occurred in the Smart City Brake Support (SCBS) system

The Smart City Brake Support (SCBS) system malfunction is occurred

The laser sensor capability is impaired by rainfall, snowfall, dirty windshield and so forth.


Construction/Operation

NOTE:

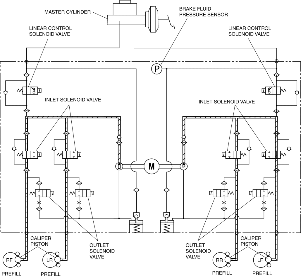
Brake prefill operation
Solenoid valve operation table

Linear control solenoid valve

Inlet solenoid valve

Outlet solenoid valve

Pump motor, pump

LF—RR

RF—LR

LF

RF

LR

RR

LF

RF

LR

RR

OFF (open)

OFF (open)

OFF (close)

Operating


Hydraulic circuit diagram

Block diagram

Brake control (SCBS brake) operation
Solenoid valve operation table

Linear control solenoid valve

Inlet solenoid valve

Outlet solenoid valve

Pump motor, pump

LF—RR

RF—LR

LF

RF

LR

RR

LF

RF

LR

RR

ON (close)

OFF (open)

OFF (close)

Operating


Hydraulic circuit

Block diagram

*1
With MRCC
*2
Without MRCC

CAUTION:

NOTE:



< Previous   Next >
Back to Top
© 2012 Mazda North American Operations, U.S.A.