< Previous   Next >

2014 - Mazda6 - Brakes

DYNAMIC STABILITY CONTROL (DSC)

Outline

*
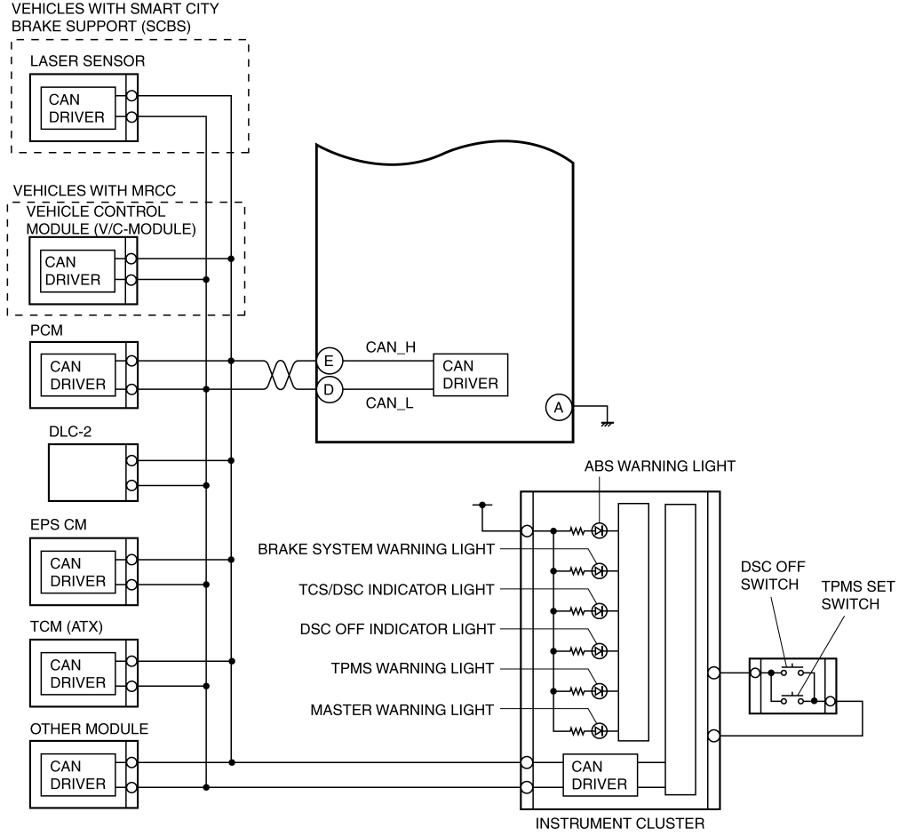
Vehicles with Smart City Brake Support (SCBS)
DSC operation outline

Results of DSC operation

CAUTION:

Structural View

Vehicle front side

Warning light and indicator light

Vehicle rear side

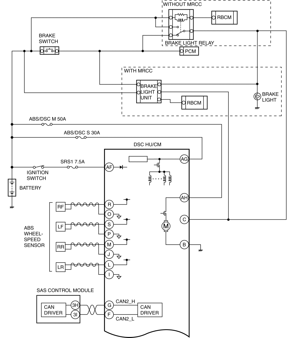
System Wiring Diagram

Construction



Part name

Function

DSC HU/CM

  • Makes calculations using input signals from each sensor, controls brake fluid pressure to each wheel, and actuates function (ABS, EBD, TCS, DSC, brake assist control, Hill Launch Assist (HLA), TPMS, and Smart City Brake Support (SCBS)*) of the DSC system.

  • Outputs the torque reduction request signal, wheel speed signal, and DSC system warning control data via CAN lines.

  • Controls the on-board diagnostic system and fail-safe function when there is a malfunction in the DSC system.

PCM

  • Controls engine output based on signals from the DSC HU/CM.

  • Transmits engine speed, engine torque, brake switch status, and accelerator pedal position data via CAN communication to the DSC HU/CM.

  • Transmits gear/shift lever position data via CAN communication to the DSC HU/CM. (MTX)

TCM (ATX)

  • Transmits gear/selector lever position data via CAN communication to the DSC HU/CM.

EPS CM

  • Transmits steering angle data via CAN communication to the DSC HU/CM.

SAS control module

  • Detects the lateral-G (vehicle lateral acceleration speed), the yaw rate (vehicle turning angle speed), and the longitudinal-G (vehicle longitudinal acceleration speed) via CAN communication to the DSC HU/CM.

Brake system warning light

  • Notifies the driver that the parking brake is applied.

  • Notifies the driver of an ABS or EBD malfunction.

ABS warning light

  • Notifies the driver of an ABS malfunction.

TCS/DSC indicator light

  • Informs the driver that the TCS is operating (drive wheel is spinning).

  • Informs the driver that the DSC is operating (vehicle sideslip occurring).

  • Informs the driver of DSC system malfunction.

DSC OFF switch

  • Transmits driver intention to release TCS/DSC control to the DSC HU/CM.

DSC OFF indicator light

  • Informs driver that TCS/DSC control has been released due to DSC OFF switch operation.

TPMS set switch

  • Data initialization after adjusting the tire pressures can be done.

TPMS warning light

  • Notifies the driver that the tire pressure is not normal.

  • Notifies the driver of an TPMS malfunction.

Master warning light

  • Notifies the driver of a Smart City Brake Support (SCBS) malfunction.

ABS wheel-speed sensor

  • Detects the rotation condition of each wheel and transmits it to the DSC HU/CM.

Brake fluid pressure sensor (Built into DSC HU/CM)

  • Detects the fluid pressure from the master cylinder.

Laser sensor*

  • Emits near-infrared laser and detects the distance between the vehicle and a vehicle or an obstruction ahead based on the reflection.


*
Vehicles with Smart City Brake Support (SCBS)


< Previous   Next >
Back to Top
© 2012 Mazda North American Operations, U.S.A.