< Previous   Next >

2014 - Mazda6 - Body and Accessories

Bluetooth SYSTEM

Outline

NOTE:

Function

Bluetooth audio function
Hands-free telephone (HF/TEL) function
Voice recognition function

NOTE:



Voice command

Operation

Phonebook

Imports phonebook data programmed in the mobile phone to the Bluetooth unit.(Registers, edits, lists or deletes a voice tag)

Dial

Operates the dial-up connection mode.

Mute

Mutes the microphone during a call.

Setup

Operates each set-up mode of the Bluetooth system.

Emergency

Connects to emergency services.


TTG (Text to Grammer) function
TTS (Text to Speech) function
Speed dial function (Favorites registration function)

NOTE:

Automatic 911

NOTE:

On-board diagnostic function
Diagnostic Assist Function

Structural View

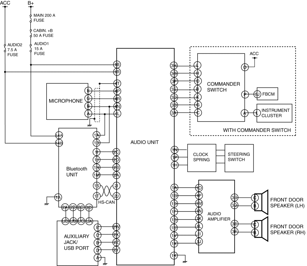
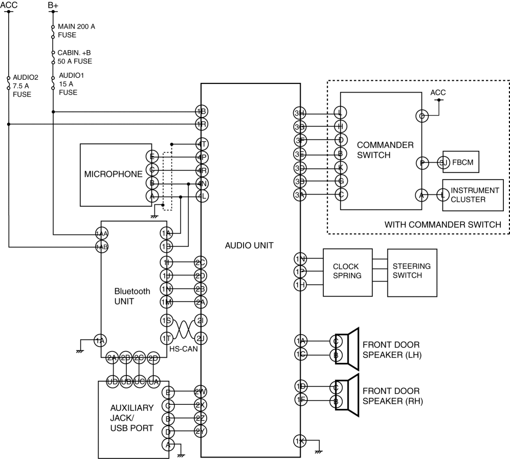
Block Diagram

Without Bose®

With Bose®

Operation

NOTE:

Bluetooth audio operation

Hands-free telephone (HF/TEL) operation

Voice recognition operation
Automatic 911 operation



< Previous   Next >
Back to Top
© 2012 Mazda North American Operations, U.S.A.