< Previous   Next >

2014 - Mazda6 - Body and Accessories

POSITION MEMORY SYSTEM

Outline

Function

Seat position detection function
Seat position programming function
Seat positioning function
Programmed seat position clearing function

Structure View

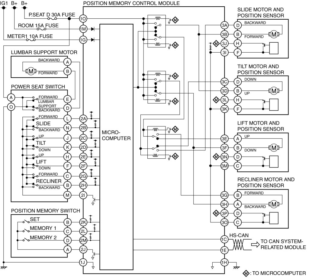
Wiring Diagram

Operation

Seat position programming

Seat positioning

Fail-safe



Detection condition

Fail-safe

Recovery condition

Continuous operation permit time for each power seat motor*1 is exceeded

Malfunctioning motor operation is stopped and continuous operation is ended

Malfunction in each power seat motor (power short circuit, ground short circuit) detected

Determined fixed-at-on time for each switch*2 is exceeded

The operation controlled by the switch-on is stopped

Switch-off is detected


*1
Refer to Continuous operation permit time for each power seat motor
*2
Refer to Determined fixed-at-on time for each switch
Continuous operation permit time for each power seat motor


Name

Continuous operation permit time

Slide motor

Approx. 25 s

Tilt motor

Approx. 25 s

Lift motor

Approx. 40 s

Recliner motor

Approx. 45 s


Determined fixed-at-on time for each switch


Name

Switch fixed-at-on time

Slide switch

Approx. 25 s

Tilt switch

Approx. 25 s

Lift switch

Approx. 40 s

Recliner switch

Approx. 45 s

SET switch

Approx. 10 s

Memory 1 switch

Approx. 5 s

Memory 2 switch

Approx. 5 s




DTC No.

Fail-safe function

B1B87:13

  • Memory clearing:

    • If there is a malfunction in the lift position sensor, clears all the memory positions.

  • Memory seat positioning using position memory switch and remote transmitter:

    • If there is a malfunction in the lift position sensor, inhibits all memory seat positioning.

    • If there is a malfunction in the lift motor, inhibits lift motor seat positioning.

  • Lift motor seat positioning using power seat switch:

    • If there is a malfunction in the lift motor, inhibits lift motor seat positioning.

  • Memory registration using position memory switch and remote transmitter:

    • If there is a malfunction in the lift position sensor, inhibits the memory registration.

    • If there is a malfunction in the lift motor and the malfunction is caused by short circuit, inhibits the memory registration.

B1B89:13

  • Memory clearing:

    • If there is a malfunction in the slide position sensor, clears all the memory positions.

  • Memory seat positioning using position memory switch and remote transmitter:

    • If there is a malfunction in the slide position sensor, inhibits all memory seat positioning.

    • If there is a malfunction in the slide motor, inhibits slide motor seat positioning.

  • Slide motor seat positioning using power seat switch:

    • If there is a malfunction in the slide motor, inhibits slide motor seat positioning.

  • Memory registration using position memory switch and remote transmitter:

    • If there is a malfunction in the slide position sensor, inhibits the memory registration.

    • If there is a malfunction in the slide motor and the malfunction is caused by short circuit, inhibits the memory registration.

B1B91:13

  • Memory clearing:

    • If there is a malfunction in the tilt position sensor, clears all the memory positions.

  • Memory seat positioning using position memory switch and remote transmitter:

    • If there is a malfunction in the tilt position sensor, inhibits all memory seat positioning.

    • If there is a malfunction in the tilt motor, inhibits tilt motor seat positioning.

  • Tilt motor seat positioning using power seat switch:

    • If there is a malfunction in the tilt motor, inhibits tilt motor seat positioning.

  • Memory registration using position memory switch and remote transmitter:

    • If there is a malfunction in the tilt position sensor, inhibits the memory registration.

    • If there is a malfunction in the tilt motor and the malfunction is caused by short circuit, inhibits the memory registration.

B1B93:13

  • Memory clearing:

    • If there is a malfunction in the recliner position sensor, clears all the memory positions.

  • Memory seat positioning using position memory switch and remote transmitter:

    • If there is a malfunction in the recliner position sensor, inhibits all memory seat positioning.

    • If there is a malfunction in the recliner motor, inhibits recliner motor seat positioning.

  • Recliner motor seat positioning using power seat switch:

    • If there is a malfunction in the recliner motor, inhibits recliner motor seat positioning.

  • Memory registration using position memory switch and remote transmitter:

    • If there is a malfunction in the recliner position sensor, inhibits the memory registration.

    • If there is a malfunction in the recliner motor and the malfunction is caused by short circuit, inhibits the memory registration.

U0100:00

  • Memory seat positioning using position memory switch and remote transmitter:

    • If the ignition is switched ON (engine off or on), inhibits all memory seat positioning.

U0101:00*1

  • Memory seat positioning using position memory switch and remote transmitter:

    • If the ignition is switched ON (engine off or on), inhibits all memory seat positioning.

U0151:00

  • Memory seat positioning using position memory switch and remote transmitter:

    • If the ignition is switched ON (engine off or on), inhibits all memory seat positioning.

U0155:00

  • Memory seat positioning using position memory switch and remote transmitter:

    • Inhibits all memory seat positioning.

U0214:00

  • Memory seat positioning using remote transmitter:

    • Inhibits all memory seat positioning.

  • Memory registration using remote transmitter:

    • Inhibits the memory registration.

U3003:16

  • Not applicable


*1
ATX


< Previous   Next >
Back to Top
© 2012 Mazda North American Operations, U.S.A.