The power seat system drives the electric motor, operates the front seats safely, and changes the driving posture to suit the occupant by operating the power seat switch.
8-way power seats have been adopted on the driver's seat.
6-way power seats have been adopted on the driver's seat.
4-way power seats have been adopted on the front passenger’s seat.
The 8-way power seats are equipped with the following functions:
Slide mechanism
Recliner mechanism
Lift mechanism
Tilt mechanism
Lumbar support mechanism
The 6-way power seats are equipped with the following functions:
Slide mechanism
Recliner mechanism
Lift mechanism
The 4-way power seats are equipped with the following functions:
Slide mechanism
Recliner mechanism
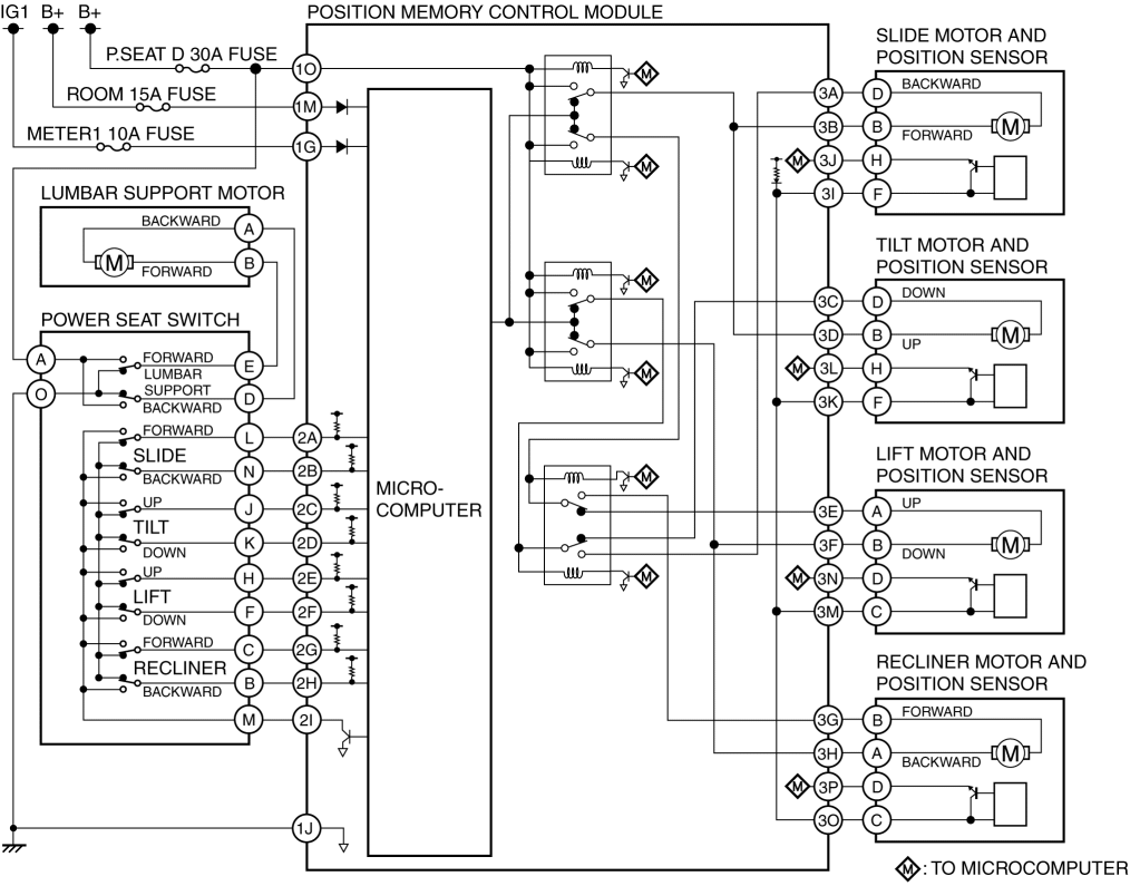
With position memory system
When the recliner switch of the power seat switch is operated forward, the recliner switch on signal is input to the position memory control module.
When the position memory control module receives the recliner switch on signal, power is supplied to the recliner motor and position sensor.
When current flows to the recliner motor for forward motion, the motor drives to tilt the front seat back forward.
With position memory system
When the lift switch of the power seat switch is operated up, the lift switch on signal is input to the position memory control module.
When the position memory control module receives the lift switch on signal, power is supplied to the lift motor and position sensor.
When current flows to the lift motor for lift-up motion, the motor drives to set the position of the front seat higher.
With position memory system
When the slide switch of the power seat switch is operated forward, the slide switch on signal is input to the position memory control module.
When the position memory control module receives the slide switch on signal, power is supplied to the slide motor and position sensor.
When current flows to the slide motor and position sensor for forward motion, the motor drives to slide the front seat forward.
With position memory system
When the tilt switch of the power seat switch is operated up, the tilt switch on signal is input to the position memory control module.
When the position memory control module receives the tilt switch on signal, power is supplied to the tilt motor and position sensor.
When current flows to the tilt motor and position sensor for tilt-up motion, the motor drives to set the position of the front part of the front seat cushion higher.
When the lumbar support switch is operated (1) forward, current from the battery flows (2) to the lumbar support motor.
When current flows to the lumbar support motor for forward motion, the motor drives to set the bulge amount of the lumbar area of the front seat back.
Function not equipped.