< Previous   Next >

2014 - Mazda6 - Body and Accessories

SEAT WARMER SYSTEM

Purpose

Function



Switch display

Temperature level

Average temperature around seat warmer unit

With manual air conditioner system

With full-auto air conditioner system

Seat cushion side

Seat back side

0

1

Approx. 37°C {67 F}

2

Approx. 40°C {72 F}

Approx. 42°C {75 F}

3

Approx. 42°C {75 F}

Approx. 47°C {85 F}




Temperature level

Average temperature around seat warmer unit (seat cushion side)

Cloth type

Leather type

Increase start temperature

Decrease start temperature

Increase start temperature

Decrease start temperature

0

1

Approx. 23°C {42 F}

Approx. 25°C {45 F}

Approx. 23°C {42 F}

Approx. 25°C {45 F}

2

Approx. 32°C {58 F}

Approx. 34°C {61 F}

Approx. 30°C {54 F}

Approx. 32°C {58 F}

3

Approx. 42°C {75 F}

Approx. 44°C {79 F}

Approx. 38°C {68 F}

Approx. 40°C {72 F}


Ex.) Cloth-type temperature level is 3:

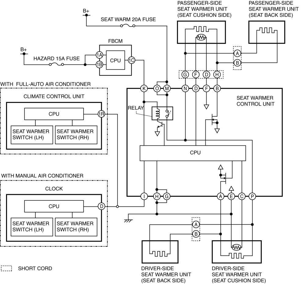
Structural view

System wiring diagram

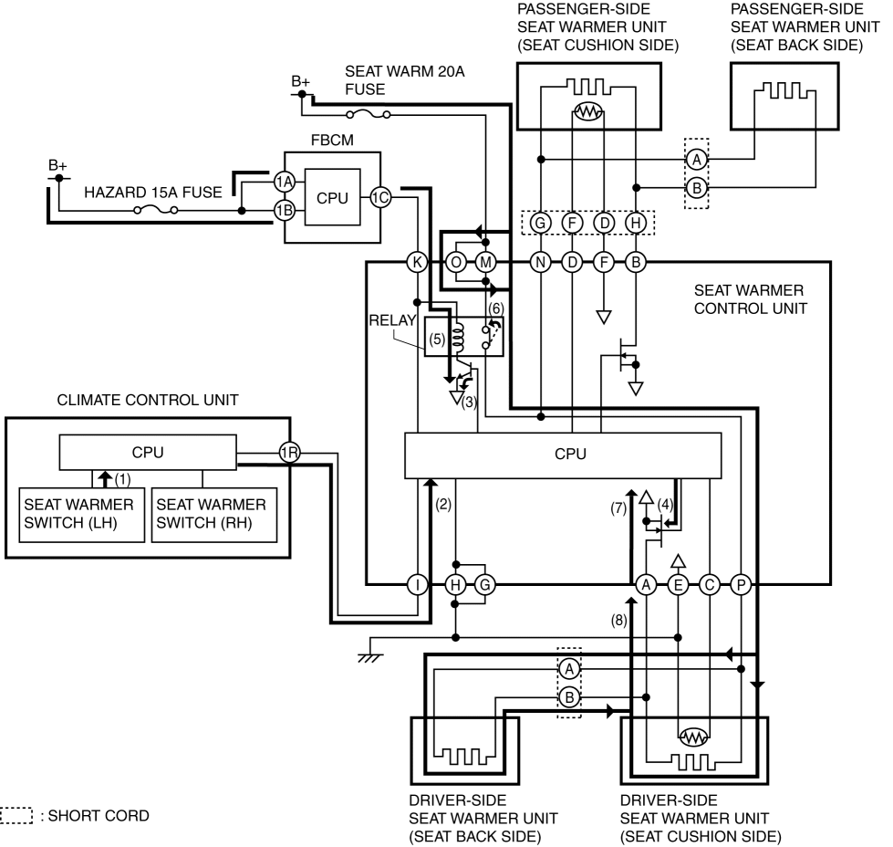
Operation

Ex.) Seat warmer temperature level on cloth-type driver's seat is set at 3 (with full-auto air conditioner system):
1. The climate control unit determines (1) the average increase temperature of the seat warmer unit by operating the seat warmer switch (driver-side).
2. The climate control unit sends (2) the temperature level "3" signal for the seat warmer unit to the CPU of the seat warmer control unit.
3. When the CPU of the seat warmer control unit receives the operation level "3" signal from the climate control unit, it supplies the base current to the transistor built into the seat warmer control unit (3), and the gate voltage is applied to the FET simultaneously (4).
4. If the base current is supplied, the transistor supplies collector current to the relay coil (5).
5. If collector current is supplied, the relay coil energizes and turns on the relay switch (6).
6. When the gate voltage is applied, the FET completes the circuit between seat warmer control unit terminal A and ground (7).
7. When the relay switch built into the seat warmer control unit turns on and the FET circuit is completed, the driver-side seat warmer unit circuit is completed (8) and the driver-side front seat cushion and seat back warm up.

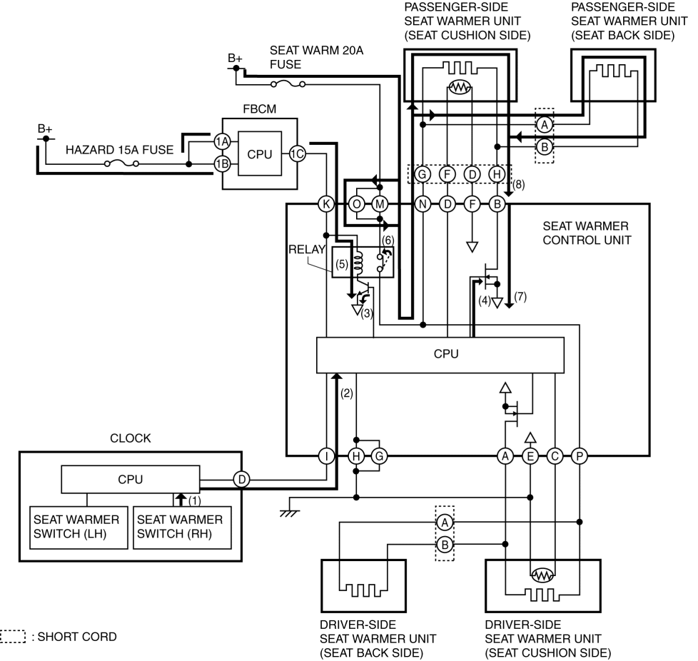
Ex.) Seat warmer temperature level on cloth-type front passenger-seat is set at 3 (with manual air conditioner system):
1. The climate control unit determines (1) the average increase temperature of the seat warmer unit by operating the seat warmer switch (passenger-side).
2. The climate control unit sends (2) the temperature level "3" signal for the seat warmer unit to the CPU of the seat warmer control unit.
3. When the CPU of the seat warmer control unit receives the operation level "3" signal from the climate control unit, it supplies the base current to the transistor built into the seat warmer control unit (3), and the gate voltage is applied to the FET simultaneously (4).
4. If the base current is supplied, the transistor supplies collector current to the relay coil (5).
5. If collector current is supplied, the relay coil energizes and turns on the relay switch (6).
6. When the gate voltage is applied, the FET completes the circuit between seat warmer control unit terminal B and ground (7).
7. When the relay switch built into the seat warmer control unit turns on and the FET circuit is completed, the front passenger’s seat warmer unit circuit is completed (8) and the front passenger’s seat cushion and seat back warm up.

Fail-safe



< Previous   Next >
Back to Top
© 2012 Mazda North American Operations, U.S.A.