Next >

2014 - Mazda6 - I-ELOOP

i-ELOOP [i-ELOOP]

Outline

*
The regenerative braking system is a mechanism for converting kinetic energy during deceleration to electrical energy and storing it for reuse. The electricity stored from the regenerative braking is re-used as power for electrical devices such as the A/C and audio, which decreases the fuel consumption amount required by the engine to supply power.

Structural View



Capacitor (i-ELOOP)

(See CAPACITOR (i-ELOOP) [i-ELOOP].)

DC-DC converter

(See DC-DC CONVERTER [i-ELOOP].)

Generator

(See GENERATOR [i-ELOOP].)


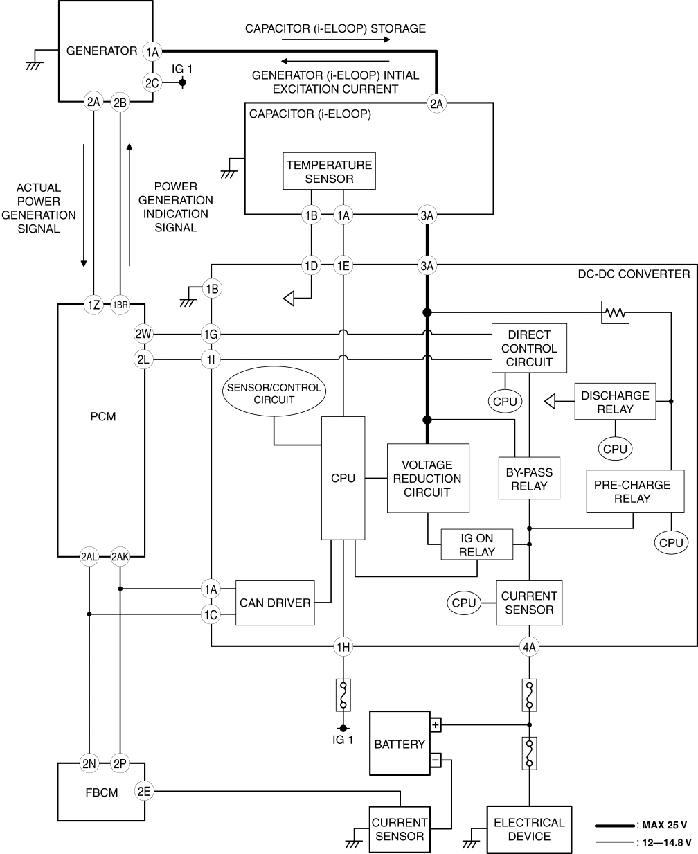
System Wiring Diagram

Operation



Condition

Operation mode

Reference

Regeneration, storage

1.Regenerative braking mode

(See 1. Regenerative braking mode.)

2. Conventional power generation mode (no regenerative braking)

(See 2. Conventional power generation mode (no regenerative braking).)

Use

3. Capacitor (i-ELOOP) power supply mode

(See 3. Capacitor (i-ELOOP) power supply mode.)

4. Battery power supply mode

(See 4. Battery power supply mode.)

5. By-pass mode

(See 5. By-pass mode.)

Other mode

6. Pre-charge mode

(See 6. Pre-charge mode.)

7. Capacitor (i-ELOOP) power generation mode

(See 7. Capacitor (i-ELOOP) power generation mode.)


1. Regenerative braking mode

2. Conventional power generation mode (no regenerative braking)

3. Capacitor (i-ELOOP) power supply mode

4. Battery power supply mode

5. By-pass mode

NOTE:

6. Pre-charge mode

NOTE:



Condition

Power supply method

Instrument cluster display

Negative battery cable is connected

Power supplied from battery to Capacitor (i-ELOOP)

Not applicable

Ignition switched ON (engine off) while engine is stopped

Power supplied from battery to Capacitor (i-ELOOP)

Not applicable

Engine is started

Power supplied from generator to Capacitor (i-ELOOP)

Applicable


7. Capacitor (i-ELOOP) power generation mode

Normal operation

When power cannot be supplied to battery

Instrument cluster display



1

Regenerative braking power generation condition gauge

Displays the direction in which power is moving from the regenerative braking power generation.

2

Regenerative braking power generation amount gauge

Displays the amount of power generated by regenerative braking.

3

Capacitor (i-ELOOP) accumulation amount gauge

Displays the amount of electrical power stored in the Capacitor (i-ELOOP).




Regenerative braking power generation condition gauge

Calculation method

Screen 1

Screen 2

Not applicable

Displays if the i-ELOOP operation stops.

Displays when the power used by the vehicle is supplied by the Capacitor (i-ELOOP).

Displays when the power generated by regenerative braking is transferred to the Capacitor (i-ELOOP).




Regenerative braking power generation amount gauge

Calculation method

Screen 1

Screen 2

Calculates the amount of electrical power generated by regenerative braking from the power generated by the generator and the Capacitor (i-ELOOP) voltage.




Capacitor (i-ELOOP) accumulation amount gauge

Calculation method

Screen 1

Screen 2

Calculates the amount of electrical power stored in the Capacitor (i-ELOOP) from the Capacitor (i-ELOOP) voltage and the current sensor in the DC-DC converter.


i-ELOOP malfunction indication

PATTERN 1

PATTERN 2



  Next >
Back to Top
© 2012 Mazda North American Operations, U.S.A.