By pressing the push button start, switching of the power supply is performed.
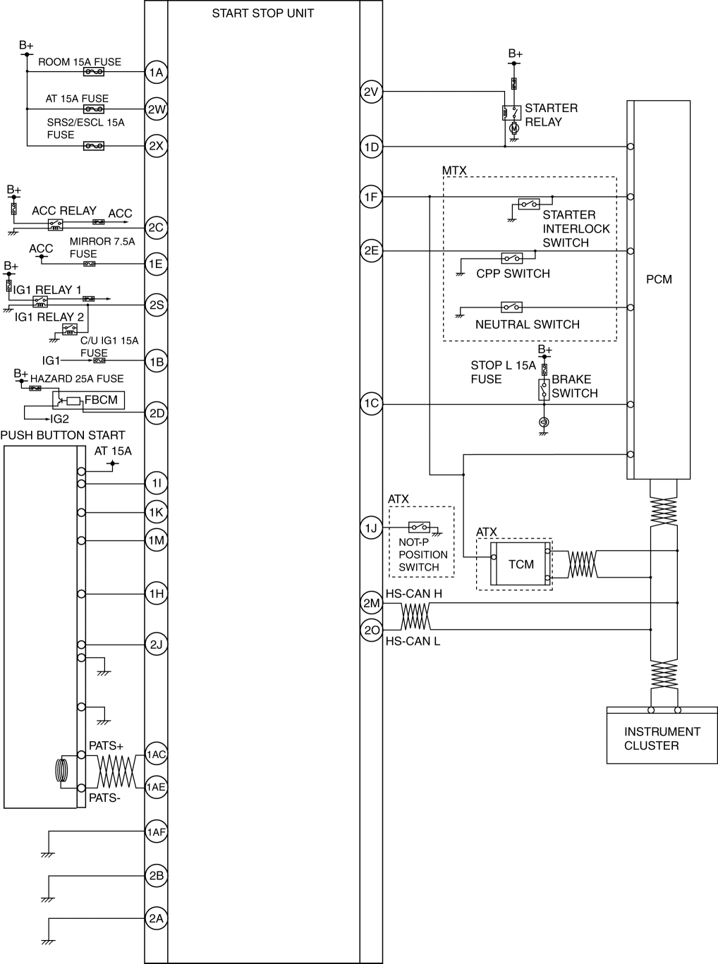
The start stop unit switches the power supply according to the vehicle conditions such as the selector lever (ATX)/shift lever (MTX) position and the pedal depression/release when the push button start is pressed.
Illuminates the push button start indicator light to notify the driver of the power supply status.
1. When the push button start is pressed, a push button start switch signal is input to the start stop unit.
2. The power supply switches according to the vehicle conditions such as the selector lever (ATX)/shift lever (MTX) position and the pedal depression/release.NOTE:
Refer to the Push Button Start System Engine Start Permit Function regarding the engine starting conditions. (See PUSH BUTTON START SYSTEM [ADVANCED KEYLESS ENTRY SYSTEM].) (See PUSH BUTTON START SYSTEM [KEYLESS ENTRY SYSTEM].)
- *
- To switch the ignition to ACC or off (LOCK) from ON (engine on), a vehicle speed of 5 km/h {3 mph} or less is required.
If the ignition has been switched to ACC for 25 min or more, the start stop unit automatically switches the ignition off (LOCK).
If an ignition switch ON signal is input for 3 s or more (ignition switch held pressed), or a push button start ON signal is input 3 times within 1.5 s, the start stop unit switches the ignition to ACC or off (LOCK).
Green illumination
Illuminates if the conditions necessary for engine-start are met.
Green flashing
Flashes when the steering lock cannot be released.
Amber illumination
Illuminates when the steering lock has been released or there is a malfunction in the system.
Amber flashing
Flashes when a malfunction is detected.
Function not equipped.