< Previous   Next >

2014 - Mazda6 - Body and Accessories

AUDIO SYSTEM

NOTE:

Outline

*
“AudioPilot®2” is a registered trademark of Bose ®.

Function

ALC (auto level control) function (without Bose ®)
Road noise correction system (AudioPilot®2) (with Bose ®)
Operation sound function
On-board diagnostic function
Diagnostic Assist Function

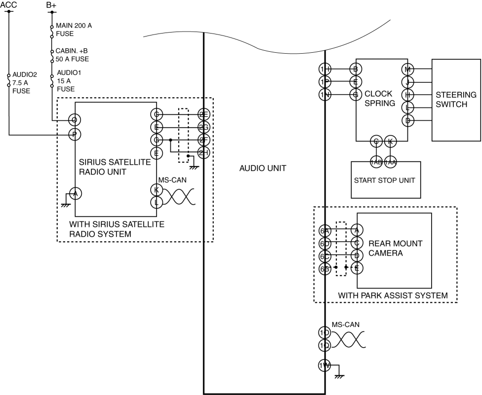
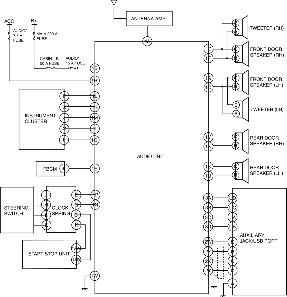
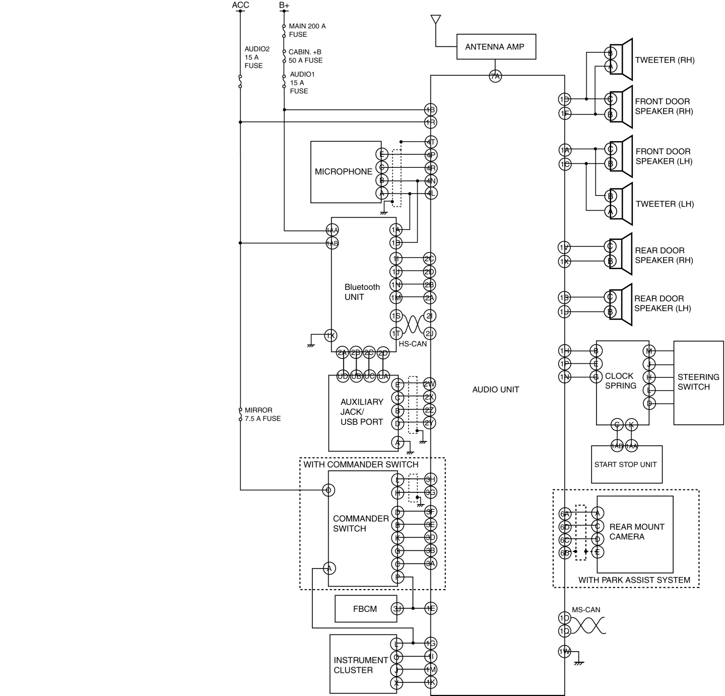
Structural view

Without Bose®

With Bose®

Block diagram

Without color LCD

With color LCD

Without Bose ®

With Bose ®

Operation

CD operation

Radio operation
Volume correction amount table

Vehicle speed

(km/h {mph})

ALC LEVEL 1 (dB)

ALC LEVEL 2 (dB)

ALC LEVEL 3 (dB)

ALC LEVEL 4 (dB)

ALC LEVEL 5 (dB)

ALC LEVEL 6 (dB)

ALC LEVEL 7 (dB)

0—15 {0—9.3}

0

0

0

0

0

0

0

20 {12}

0

0

0

0

0

0

1

25 {16}

0

0

1

1

1

1

1

30 {19}

0

1

1

1

1

1

2

35 {22}

1

1

1

1

2

2

2

40 {25}

1

1

1

2

2

2

3

45 {28}

1

1

2

2

2

3

3

50 {31}

1

1

2

2

3

3

4

55 {34}

1

2

2

3

3

4

4

60 {37}

1

2

2

3

4

4

5

65 {40}

1

2

3

3

4

5

5

70 {43}

1

2

3

4

4

5

6

75 {47}

2

2

3

4

5

6

7

80 {50}

2

3

3

4

5

6

7

85 {53}

2

3

4

5

6

7

8

90 {56}

2

3

4

5

6

7

8

95 {59}

2

3

4

5

7

8

9

100 {62.1}

2

3

5

6

7

8

9

105 {65.2}

2

4

5

6

7

9

10

110 {68.4}

2

4

5

6

8

9

10

115 {71.5}

3

4

5

7

8

10

11

120 {74.6}

3

4

6

7

9

10

11

125 {77.7}

3

4

6

7

9

10

12

130 {80.8}

3

5

6

8

9

11

13

135 {83.9}

3

5

6

8

10

11

13

140 {87}

3

5

7

8

10

12

14

145 {90.1}

3

5

7

9

11

12

14

150 {93.2}

3

5

7

9

11

13

14

155 {96.3}

4

6

7

9

11

13

14

160 {99.4}

4

6

8

10

12

14

14

165 {103}

4

6

8

10

12

14

14

170 {106}

4

6

8

10

13

14

14

175 {109}

4

6

9

11

13

14

14

180 {112}

4

7

9

11

13

14

14

185 {115}

4

7

9

11

14

14

14

190 {118}

4

7

9

12

14

14

14

195 {121}

5

7

10

12

14

14

14

200 {124}

5

7

10

12

14

14

14

205 {127}

5

7

10

13

14

14

14

210 {130}

5

8

10

13

14

14

14

215 {134}

5

8

11

13

14

14

14

220 {137}

5

8

11

14

14

14

14

225 {140}

5

8

11

14

14

14

14

230 {143}

5

8

11

14

14

14

14

235 {146}

6

9

12

14

14

14

14

240 {149}

6

9

12

14

14

14

14

245 {152}

6

9

12

14

14

14

14

250 {155}

6

9

13

14

14

14

14


Without color LCD

Signal

Operation sound setting ON

Operation sound setting OFF

Sound frequency

Audio panel switch/switch operation signal Steering switch operation signal

Short-press

3 kHz

Long-press

3 kHz


With color LCD

Signal

Operation sound setting ON

Operation sound setting OFF

Sound frequency

Audio panel switch/switch operation signal Steering switch operation signal

Short-press

3 kHz

Long-press

3 kHz

SIRIUS seek alert

1.5 kHz




< Previous   Next >
Back to Top
© 2012 Mazda North American Operations, U.S.A.