The auto wiper system performs windshield wiper operation and stopping according to the rainfall amount on the windshield glass.
Equipped with intermittent, and continuous low and high operation.
The front body control module (FBCM) performs auto wiper system fail-safe. (See FRONT BODY CONTROL MODULE (FBCM).)
The front body control module (FBCM) controls the windshield wipers based on the windshield wiper operation signal from the rain sensor.
Intermittent operation control
When the rain sensor detects the amount of rainfall, the windshield wipers are operated once at low speed.
The intermittent operation of the windshield wipers is switched at 5 levels according to the amount of rainfall detected by the rain sensor.
Continuous low speed operation control
When the rain sensor detects an amount of rainfall greater than the amount required for intermittent operation control, the windshield wipers are operated continuously at low speed.
High speed operation control
When the vehicle speed is 4 km/h {2 mph} or more and the rain sensor detects an amount of rainfall greater than the amount required for continuous low speed operation control, the windshield wipers are operated twice at high speed.
Afterwards, if the rain sensor detects the necessary amount of rainfall for high speed operation, the windshield wipers are operated continuously at high speed.
When the vehicle speed is 4 km/h {2 mph} or less and the rain sensor detects an amount of rainfall greater than the amount required for continuous low speed operation, the windshield wipers are operated continuously at low speed.
Sensitivity adjustment function
The sensitivity adjustment function can be used to adjust the rain sensor rain detection sensitivity by operating of the wiper and washer switch sensitivity adjustment volume.
When the windshield wipers are stopped during an interval and the sensitivity adjustment volume is operated in the direction of high sensitivity, the windshield wipers operate one time to notify the driver that the rain detection sensitivity has been changed.
The auto wiper system customize function uses the rear body control module (RBCM) control to enable or disable the auto wiper functions.
If the auto wiper system is set to disabled, intermittent operation is performed.
Refer to WIPER/WASHER SYSTEM PERSONALIZATION for the detailed personalization function.
If a malfunction occurs in the auto wiper control-related switch, sensor, and circuit, the front body control module (FBCM) detects DTCs. For details, refer to the diagnostic system (FBCM), DTC table (FBCM) in the workshop manual.
WARNING:
If servicing such as vehicle washing is performed with the ignition switched ON (engine off or on) and the wiper and washer switch in the AUTO position, the windshield wipers may operate automatically and your fingers or hand is pinched, leading to an injury or wiper system malfunction. Always switch the ignition OFF (LOCK) or turn the wiper and washer switch to the OFF position before servicing.
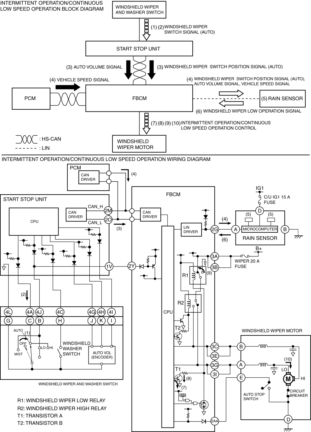
1. When the wiper and washer switch is moved to the AUTO position with the ignition switched ON (engine off or on) (1), the start stop unit detects a windshield wiper switch signal (AUTO) (2).
2. When the start stop unit detects the windshield wiper switch signal (AUTO), it sends a windshield wiper switch position signal (AUTO) and an AUTO volume signal to the front body control module (FBCM) as CAN signals (3).
3. When the front body control module (FBCM) receives the windshield wiper switch position signal (AUTO), it sends the windshield wiper switch position signal (AUTO) and the AUTO volume signal to the rain sensor as LIN signals. At the same time, it sends a vehicle speed signal from the PCM to the rain sensor as a LIN signal (4).
4. When the rain sensor receives the windshield wiper switch position signal (AUTO), it detects amount of rainfall and illumination level (5).
5. The rain sensor determines the operation interval of the windshield wipers based on the detected rainfall amount and illumination level, and sends a windshield wiper low speed operation signal to the front body control module (FBCM) (6).
6. When the front body control module (FBCM) receives the windshield wiper low speed operation signal, the CPU runs base current (7) to transistor A, and transistor A turns on.
7. Collector current flows (8) when transistor A turns on, and the windshield wiper low relay turns on (9).
8. When the windshield wiper low relay is turned on, current flows from the battery to the windshield wiper motor and the windshield wipers operate intermittently or continuously at low speed (10).
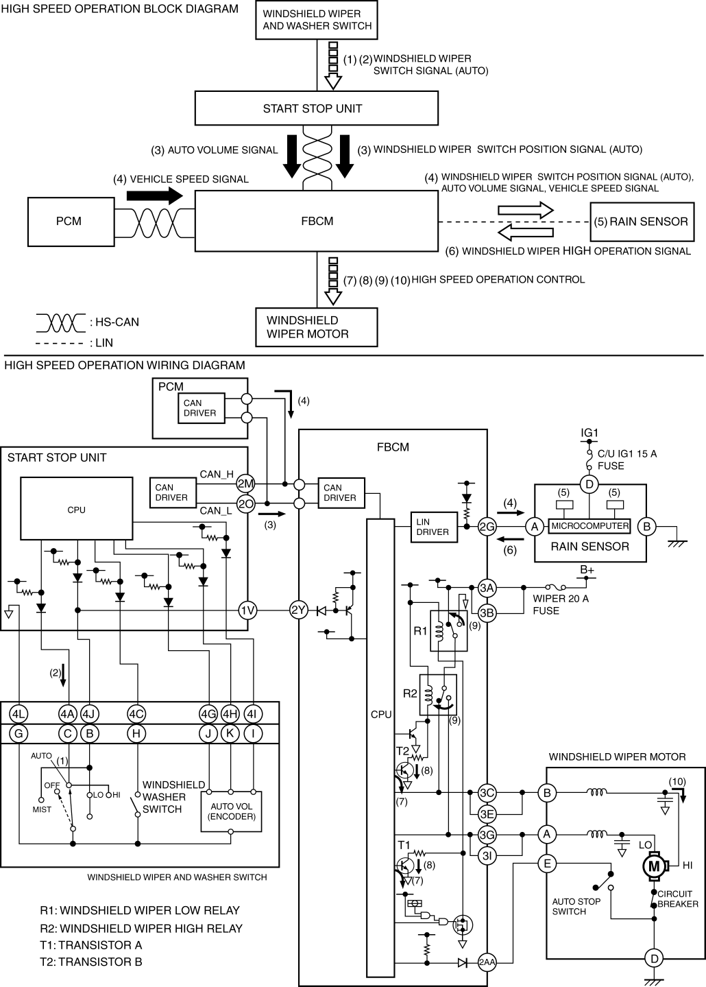
1. When the wiper and washer switch is moved to the AUTO position with the ignition switched ON (engine off or on) (1), the start stop unit detects a windshield wiper switch signal (AUTO) (2).
2. When the start stop unit detects the windshield wiper switch signal (AUTO), it sends the windshield wiper switch position signal (AUTO) and an AUTO volume signal to the front body control module (FBCM) as CAN signals (3).
3. When the front body control module (FBCM) receives the windshield wiper switch position signal (AUTO), it sends the windshield wiper switch position signal (AUTO) and the AUTO volume signal to the rain sensor as LIN signals. At the same time, it sends a vehicle speed signal from the PCM to the rain sensor as a LIN signal (4).
4. When the rain sensor receives the windshield wiper switch position signal (AUTO), it detects the amount of rainfall and illumination level (5).
5. Based on the detected rainfall amount and illumination level, the rain sensor sends a windshield wiper high speed operation signal to the front body control module (FBCM) (6).
6. When the front body control module (FBCM) receives the windshield wiper high speed operation signal, the CPU runs base current (7) to transistor A and B, and transistor A and B turns on.
7. Collector current flows (8) when transistor A and B turn on, and the windshield wiper low relay and windshield wiper high relay turn on (9).
8. When the windshield wiper high relay is turned on, current flows from the battery to the windshield wiper motor and the windshield wipers operate at high speed (10).