The auto light-off system turns off the TNS or headlights automatically.
The front body control module (FBCM) performs auto light-off system fail-safe. (See FRONT BODY CONTROL MODULE (FBCM).)
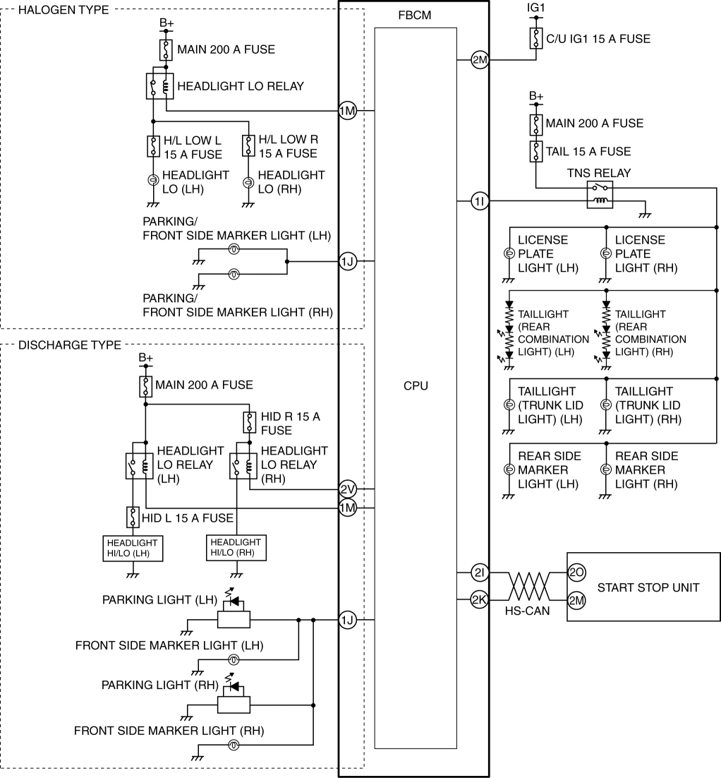
The auto light-off system controls the front body control module (FBCM).
The front body control module (FBCM) controls the auto light-off system based on the following signals and conditions:
IG power supply condition
TNS or headlight illumination condition
Light switch signal sent from start stop unit via CAN signal
If the front body control module (FBCM) detects that the ignition is switched off when the TNS and headlights are turned on, the TNS and headlights are turned on for a certain period of time and turned off after a certain period of time has elapsed.
A personalization feature has been adopted which can change the illumination time of the TNS or headlights. For details on the personalization features, refer to the LIGHTING SYSTEM PERSONALIZATION.
1. When the front body control module (FBCM) receives a light switch TNS or HEAD signal from the start stop unit with the ignition switched to ACC or OFF, the TNS or headlights are turned on and counting of the illumination time begins.
2. When the pre-set time has passed, the front body control module (FBCM) turns off the TNS or headlights.
NOTE:
When the front body control module (FBCM) detects the change in the light switch HEAD signal from the TNS signal or the TNS signal from the HEAD signal during counting of the illumination time, the count is reset and counting is restarted.
The flash-to-pass function operates independently regardless of whether it is during or after the illumination time counting.