< Previous   Next >

2014 - Mazda6 - Body and Accessories

HEADLIGHT AUTO LEVELING SYSTEM

Outline

Function

Optical axis adjustment function


CAN signal sending module

Signal name

PCM

Vehicle speed signal

Instrument cluster

Ignition switch status signal

Front body control module (FBCM)

Headlight illumination status signal


Structural View

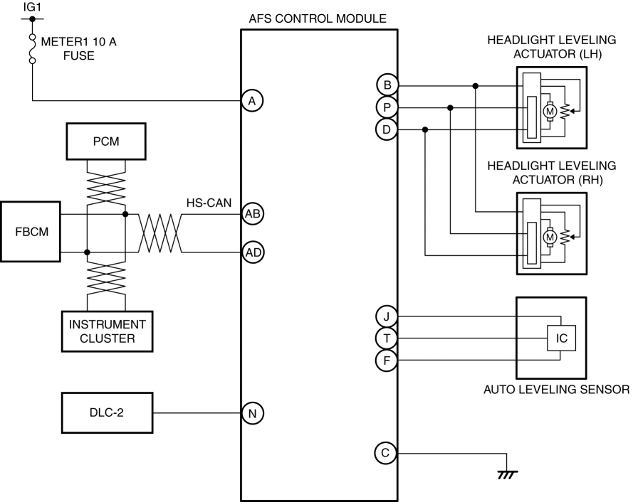
System Wiring Diagram

Operation

Headlights switched from off to on while vehicle is stopped

Headlights switched from off to on while vehicle is stopped then vehicle inclination amount changed

Headlights switched from off to on while vehicle is driven

Vehicle condition changed from stop to driving, then vehicle inclination amount changed

NOTE:

Vehicle inclination amount changed while vehicle is driven

NOTE:



< Previous   Next >
Back to Top
© 2012 Mazda North American Operations, U.S.A.