< Previous   Next >

2014 - Mazda6 - Body and Accessories

POWER OUTER MIRROR SYSTEM

Outline

Structural view

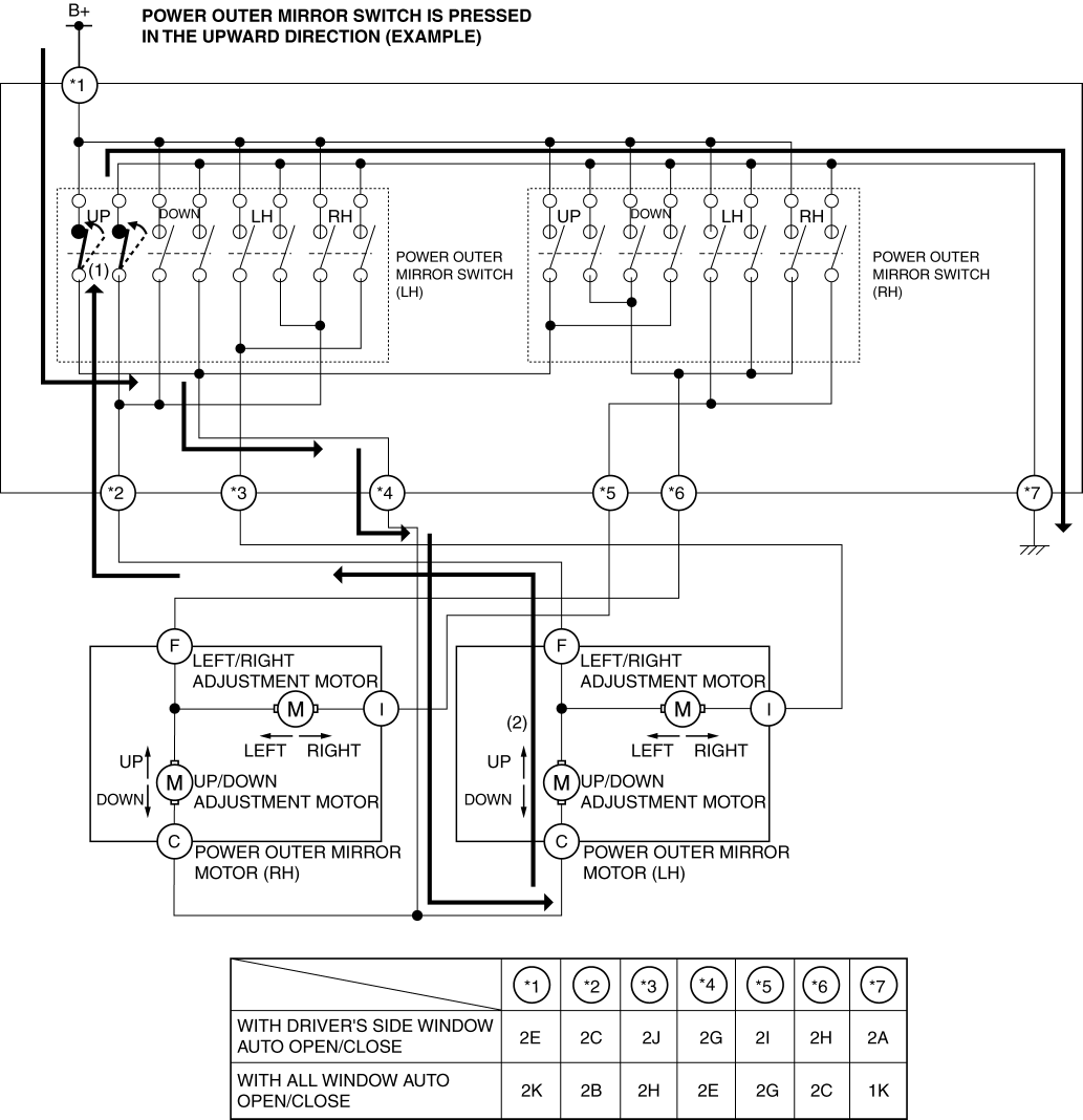
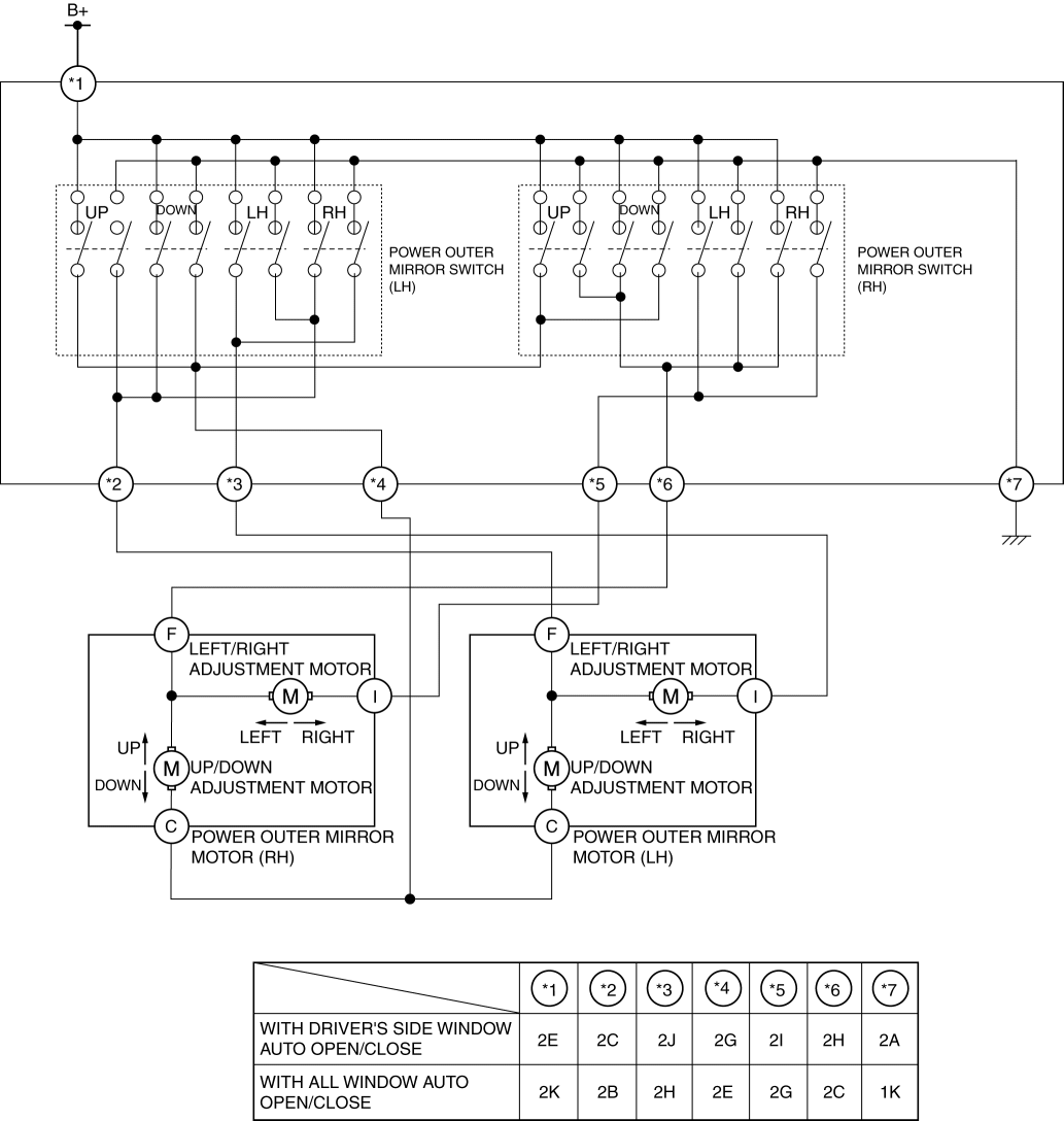
System wiring diagram

Function

Mirror glass adjustment function

Operation

Mirror glass adjustment (Example: Left outer mirror is adjusted upward)
1. When the upward switch is turned on (1), the up/down adjustment motor operates upward.(2)

Fail-safe



< Previous   Next >
Back to Top
© 2012 Mazda North American Operations, U.S.A.