< Previous   Next >

2014 - Mazda6 - Body and Accessories

POWER WINDOW SYSTEM

Outline

Structural view

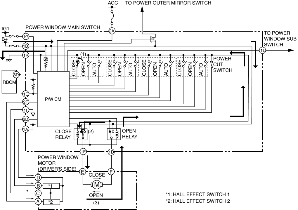
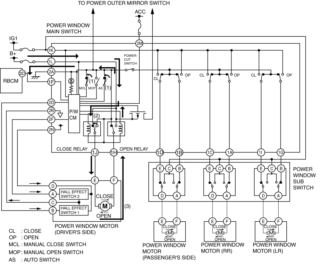
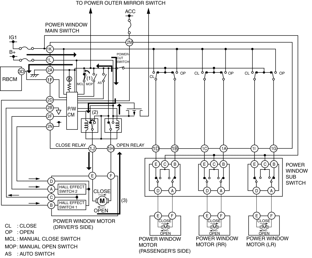
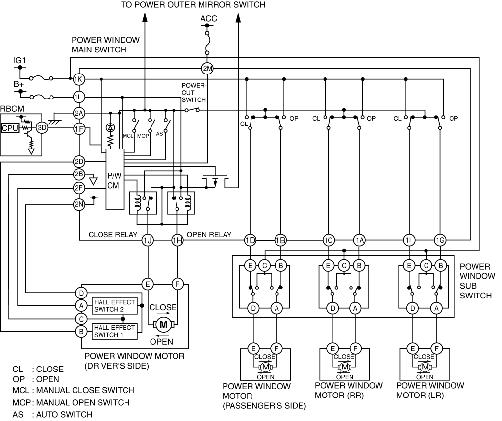
System wiring diagram

With driver’s side window auto open/close

With all window auto open/close

Power window main switch

Power window subswitch

Function

Construction

Operation

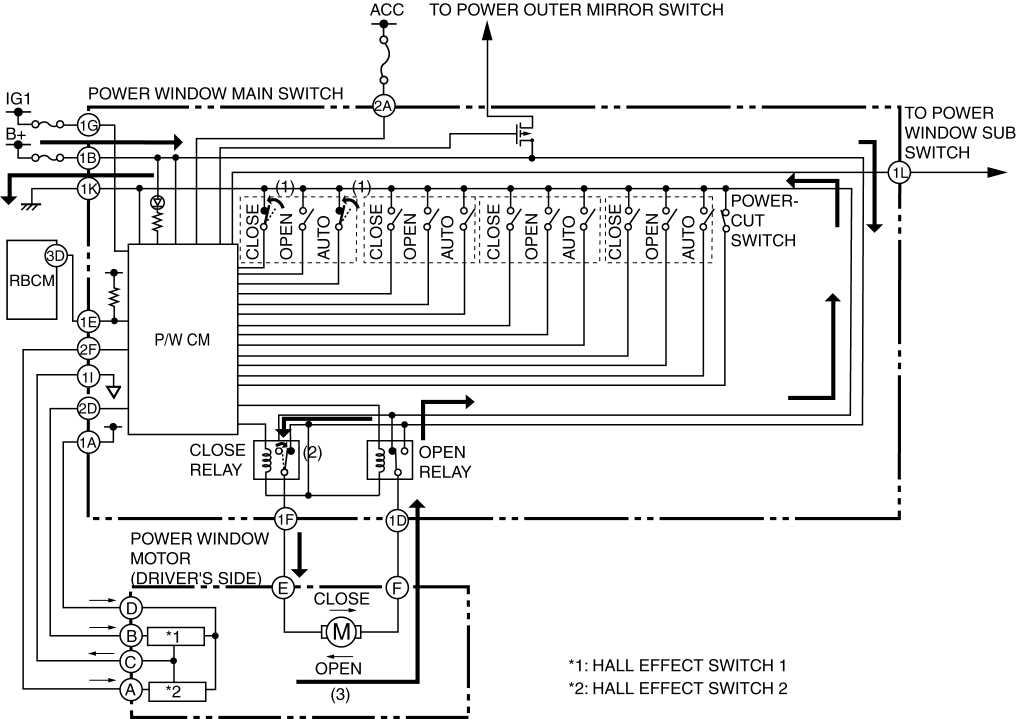
Driver's side manual open/close operation (Example: close operation)
1. When the power window main switch is operated for manual close operation, the P/W CM receives a manual close signal. (1)
2. When the P/W CM receives a manual close signal, it turns on the close relay. (2)
3. When the close relay is turned on, the power window motor (RF) starts manual close operation.(3)

With driver's side window auto open/close

With all window auto open/close

Driver's side auto open/close operation (Example: close operation)
1. When the power window main switch is operated for auto close operation, the P/W CM receives an auto close signal. (1)
2. When the P/W CM receives an auto close signal, it turns on the close relay. (2)
3. When the close relay is turned on, the power window motor (RF) starts auto close operation.(3)

With driver's side window auto open/close

With all window auto open/close

Passenger's side and rear side manual open/close operation (With driver's side window auto open/close) (Example: Passenger's side close operation)
1. When the power window subswitch is operated for manual close operation (1), the power window motor (LF) starts manual close operation.(2)

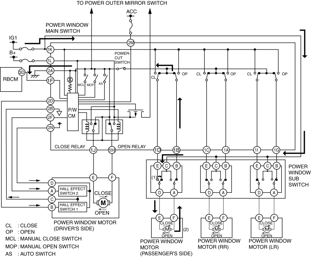
Passenger's side and rear side manual open/close operation (With all window auto open/close) (Example: Passenger's side close operation)
1. When the power window subswitch is operated for manual close operation, the power window motor (LF) starts manual close operation.(1)
2. When the P/W CM receives a manual close signal, it turns on the close relay. (2)
3. When the close relay is turned on, the power window motor (RF) starts manual close operation.(3)

Power Window System Initial Setting
1. The P/W CM records the driver's side door glass position when the switch is pulled and held approx. 2 s after the driver's side door glass is fully closed from the fully opened position with the ignition is switched ON (engine off or on).
Auto Reverse Pinch Protection
1. When the P/W CM detects a change in the pulse signal from the power window motor for 0.3 s or more during the auto close operation, it reverses the power window motor and the door glass opens approx. 200 mm {7.87 in} automatically.
IG OFF Timer (Example: Manual close operation)
1. When the ignition is switched from ON (engine off or on) to ACC or OFF, the IG OFF timer function of the P/W CM is turned on and the power window main switch can be operated for approx. 40 s after IG OFF is detected.
2. When the power window main switch is operated for manual close operation while the IG OFF timer is on, the P/W CM receives a manual close signal.(1)
3. When the P/W CM receives a manual close signal, it turns on the close relay. (2)
4. When the close relay is turned on, the power window motor (RF) starts manual close operation.(3)
5. The P/W CM turns off the IG OFF timer function when approx. 40 s has elapsed since IG OFF is detected.

With driver's side window auto open/close

With all window auto open/close

IG OFF Timer Cancel
1. The P/W CM detects the open/close conditions of all the doors based on the door open/close signal sent from the rear body control module (RBCM).
2. When a door open signal is sent from the rear body control module (RBCM) while the IG OFF timer is on, the IG OFF timer function is canceled.

With driver's side window auto open/close

With all window auto open/close

Fail-safe



Malfunction condition

Ignition is switched ON (engine on or off)

Ignition switched OFF

Recovery condition

P/W CM detected pulse 1 error (for pinching and door glass position detection) stop malfunction

  • Pulse 2 detected but pulse 1 is not detected during close or open operation

Auto operation is prohibited (Manual operation is enabled) Operation of power window main switch except for the driver's seat is prohibited

Auto and manual operations are prohibited

Pulse signals 1 and 2 detected normally during close operation, and re-detection of fully-closed position return/non-return ranges

P/W CM detected pulse 2 error (for door glass direction detection) stop malfunction

  • Pulse 1 detected but pulse 2 is not detected during close or open operation

P/W CM detected pulse signal error (inversion of pulse 1 and pulse 2 input signals or large phase deviation between pulses 1 and 2)

  • Difference detected between the direction detected by the signals of pulses 1 and 2, and the actual direction during close or open operation

P/W CM detected pulse 1 error (Non-return range lowering malfunction)

  • During close operation, a pulse 1 signal from the power window motor is detected more than the number of set times even after the window reaches the fully-closed position recorded by the power window main switch.

P/W CM detected pulse 1 and 2 stop malfunction

  • Pulse signals 1 and 2 are not detected for 1 s after the open operation is started from the fully closed position




< Previous   Next >
Back to Top
© 2012 Mazda North American Operations, U.S.A.