< Previous   Next >

2014 - Mazda6 - Engine

ENGINE CONTROL SYSTEM [SKYACTIV-G 2.5]

Outline

*1
Measures the intake air amount directly using the MAF sensor.
*2
Measures the intake air pressure introduced into the cylinder using the MAP sensor and calculates the intake air amount indirectly.

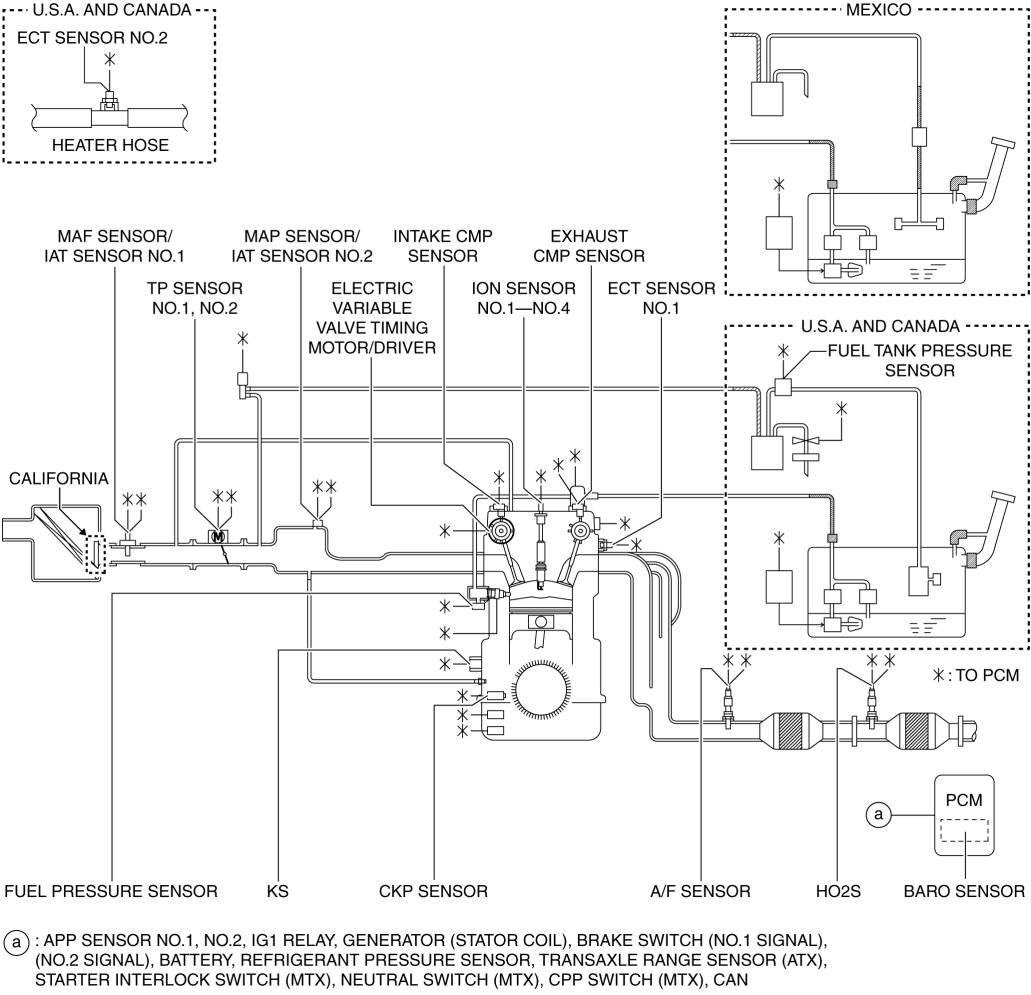
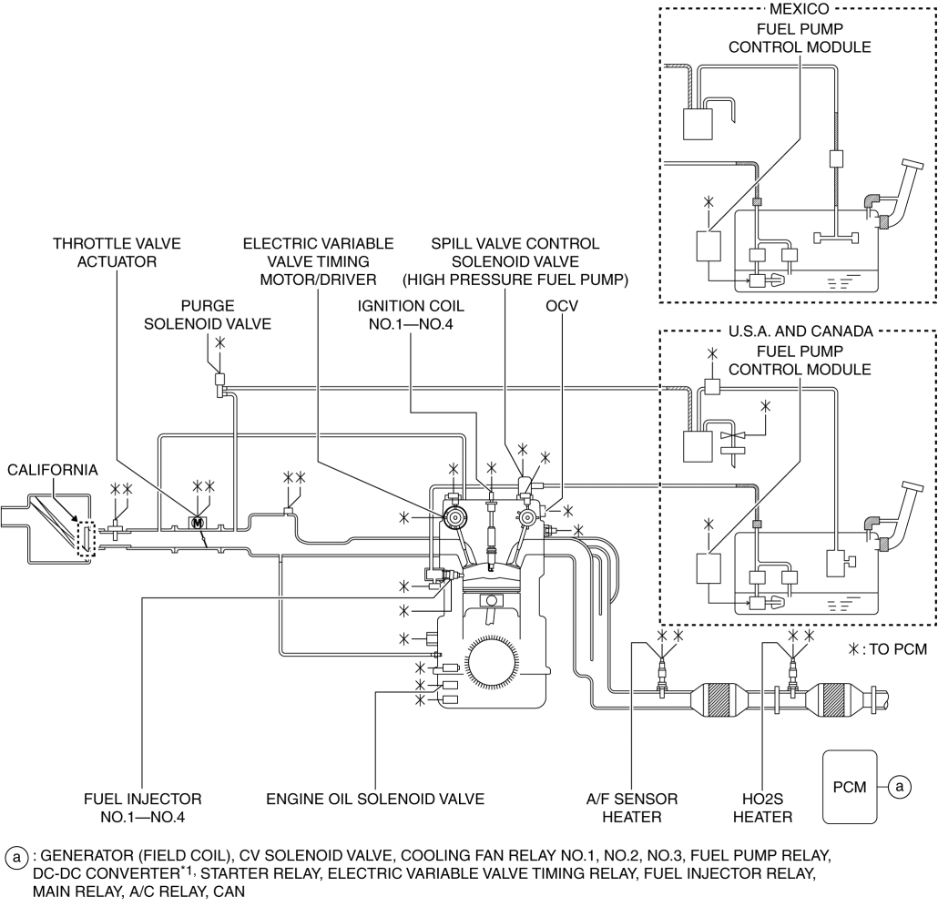
Structural View

Input device

*1
U.S.A. and CANADA
Output device

*1
Fuel pump relay, starter relay, electric variable valve timing relay, fuel injector relay, main relay, A/C relay, cooling fan relay No.1, cooling fan relay No.2, cooling fan relay No.3

*1
With i-ELOOP

System Diagram

Input device

Output device

*1
With i-ELOOP

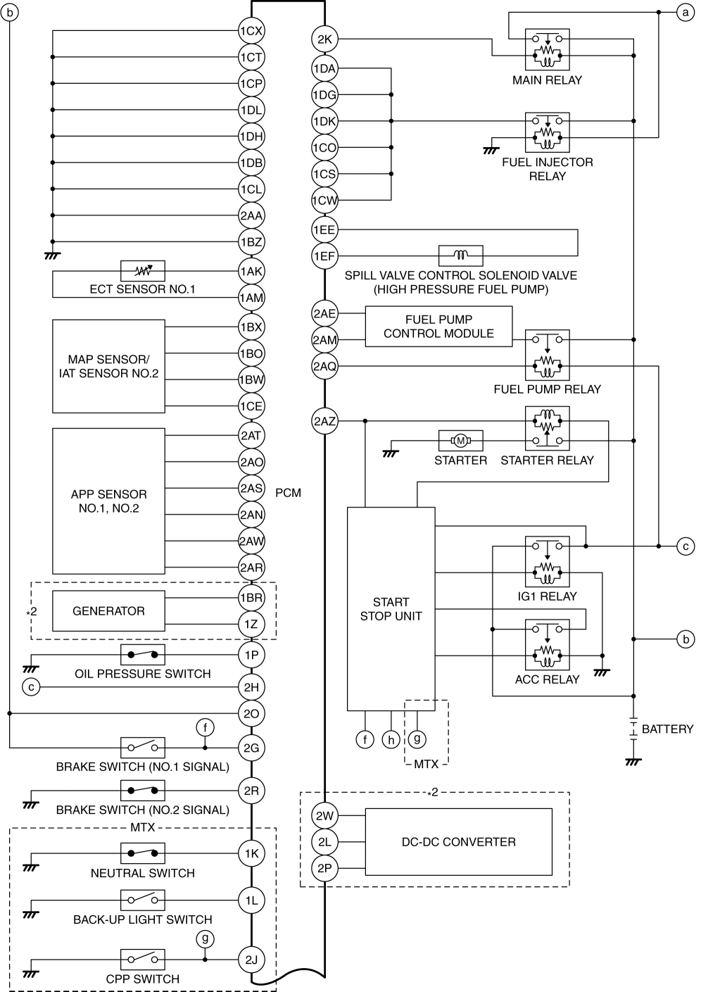
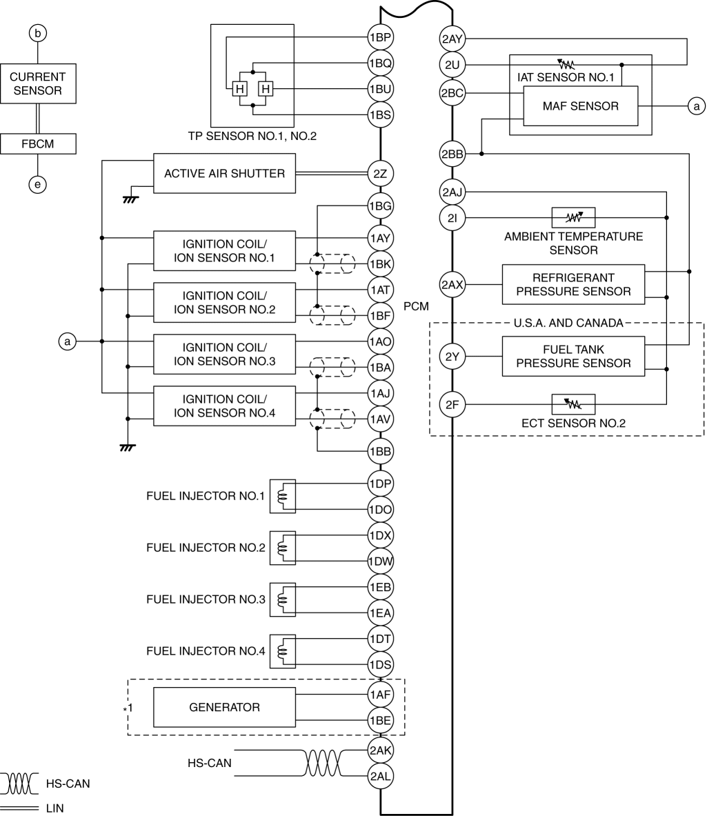
System Wiring Diagram

*1
Without i-ELOOP
*2
With i-ELOOP

Block Diagram

*1
TCM (ATX), DSC HU/CM, instrument cluster, start stop unit
*2
Only used for OBD.

Relation Chart

×: Applicable



Item

Input device

APP sensor No.1, No.2

×

×

×

×

×

×

×

TP sensor No.1, No.2

×

×

×

MAF sensor

×

×

×

×

×

×

×

×

×

×

IAT sensor No.1

×

×

×

×

×

×

×

IAT sensor No.2

×

×

×

×

MAP sensor

×

×

×

×

×

×

CKP sensor

×

×

×

×

×

×

×

×

×

×

×

×

×

×

Intake CMP sensor

×

×

×

×

Exhaust CMP sensor

×

×

×

×

×

ECT sensor No.1

×

×

×

×

×

×

×

×

×

×

×

×

×

Fuel pressure sensor

×

×

×

×

BARO sensor

×

×

×

×

×

×

Ion sensor No.1—No.4

×

×

KS

×

A/F sensor

×

×

HO2S

×

Refrigerant pressure sensor

×

×

IG1 relay

×

×

×

×

×

×

×

×

Brake switch (No.1 signal)

×

Brake switch (No.2 signal)

×

Transaxle range sensor (ATX)

×

×

×

Neutral switch (MTX)

×

×

×

×

CPP switch (MTX)

×

×

×

×

Starter interlock switch (MTX)

×

Electric variable valve timing motor/driver

×

Battery

×

×

×

×

×

×

Generator (Stator coil)

×

CAN*1

×

×

×

×

×

×

ECT sensor No.2

Only used for OBD.

Fuel tank pressure sensor

Only used for OBD.

Output device

Main relay

×

Throttle valve actuator

×

Electric variable valve timing motor/driver

×

×

Electric variable valve timing relay

×

OCV

×

Fuel injector No.1—No.4

×

Fuel injector relay

×

Fuel pump control module

×

Fuel pump relay

×

Spill valve control solenoid valve (High pressure fuel pump)

×

Ignition coil No.1—No.4

×

Purge solenoid valve

×

A/F sensor heater

×

HO2S heater

×

A/C relay

×

Cooling fan relay No.1, No.2, No.3

×

Starter relay

×

Generator (Field coil)

×

Engine oil solenoid valve

×

CV solenoid valve

Only used for OBD.


*1
TCM (ATX), DSC HU/CM, instrument cluster, start stop unit


< Previous   Next >
Back to Top
© 2012 Mazda North American Operations, U.S.A.