The oil pump has a mechanism for feedback control of oil pressure. As a result, an oil pressure increase of more than the set pressure is suppressed and oil pump drive resistance is reduced. In addition, because the set pressure can be changed (oil pressure two-step control) by operating the engine oil solenoid valve, the oil pump drive resistance is reduced even during low speed/low to medium loads.
The oil pump suctions the engine oil in the oil pan through the oil strainer and pumps engine oil into the engine.
With the adoption of the chain drive type oil pump, the diameter of the rotor is reduced. As a result, the oil pump drive resistance has been reduced.
The oil pump consists of the following parts:
The relief valve and bypass valve is pushed and opened if oil pressure increases excessively when starting an extremely cold engine. As a result, the engine oil flows and excessive oil pressure increase is suppressed.
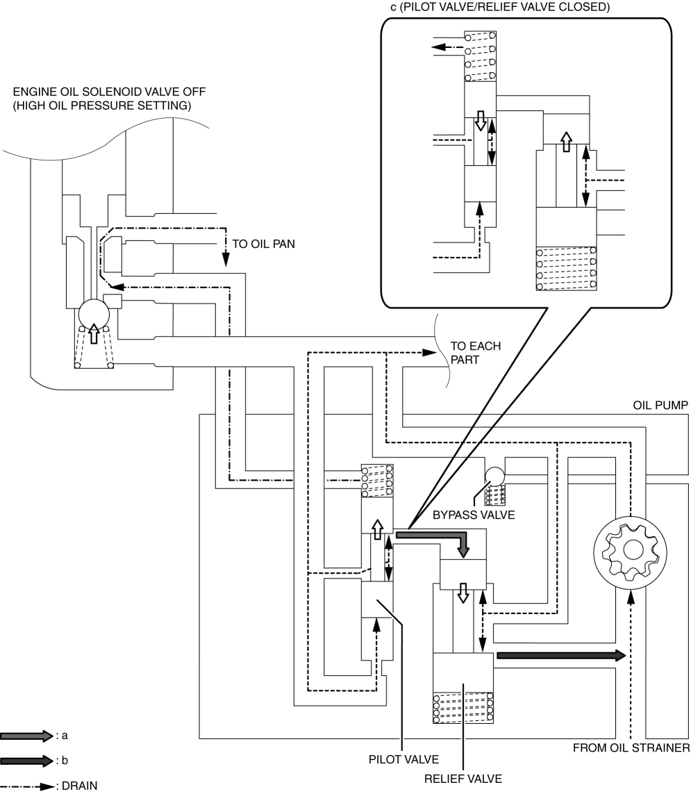
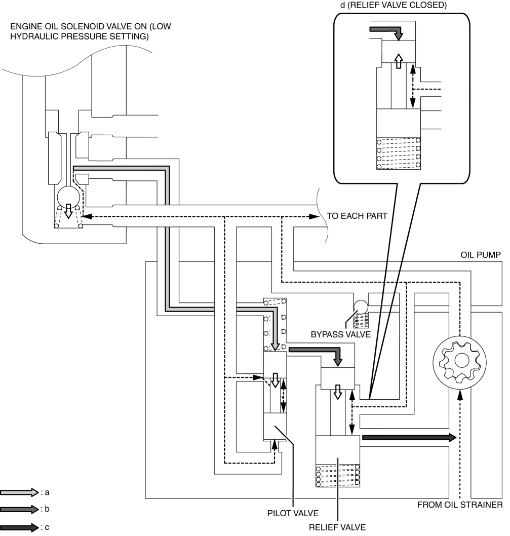
The oil pump adjusts oil pressure in two steps (low oil pressure setting, high oil pressure setting) by switching the oil passage with the operation of the engine oil solenoid valve. For the operation condition of the engine oil solenoid valve, refer to CONTROL SYSTEM. (See ENGINE OIL CONTROL [SKYACTIV-G 2.5].)
Engine oil flow when setting low oil pressure (engine oil solenoid valve ON)
When the engine oil solenoid valve is turned ON, oil pressure is also applied to the upper part of the pilot valve. Because the oil pressure applied to the upper and lower parts of the pilot valve is almost the same, the pilot valve is pressed up by the spring force.
Oil pressure is applied to the upper part of the relief valve.
When the oil pressure exceeds the relief valve opening pressure, the relief valve is pressed down and engine oil flows (oil pressure decrease).
When the oil pressure is less than the relief valve opening pressure, the relief valve closes. As a result, engine oil flow stops (oil pressure increase).
Oil pressure is adjusted by repeating Step (c) to (d).
Engine oil flow when setting high oil pressure (engine oil solenoid valve OFF)
When oil pressure exceeds the pilot valve opening pressure, the pilot valve is pressed up and oil pressure is applied to the upper part of the relief valve.
Because the relief valve opening pressure is exceeded by applying oil pressure to the upper part of the relief valve, the relief valve is pressed down and engine oil flows (oil pressure decrease).
When oil pressure is less than the pilot valve opening pressure, the pilot valve closes. As a result, the relief valve closes and engine oil flow stops (oil pressure increase).
Oil pressure is adjusted by repeating Step (b) to (c).