< Previous   Next >

2014 - Mazda6 - Body and Accessories

FORWARD OBSTRUCTION WARNING (FOW) SYSTEM

Outline

WARNING:

CAUTION:

NOTE:

Function

Personalization features
System status display function


Condition

Indication on LCD

FOW system ON (operational) setting time

After the ignition is switched ON (engine off or on), and after the vehicle indication screen turns off, it displays for approx. 1 s.

Danger of collision with obstruction ahead determined (warning operation)

Dirty radar sensor is detected

FOW system malfunction detected

FOW system OFF (non-operational) setting

After the ignition is switched ON (engine off or on), and after the vehicle indication screen turns off, it displays for approx. 1 s.


Structural View

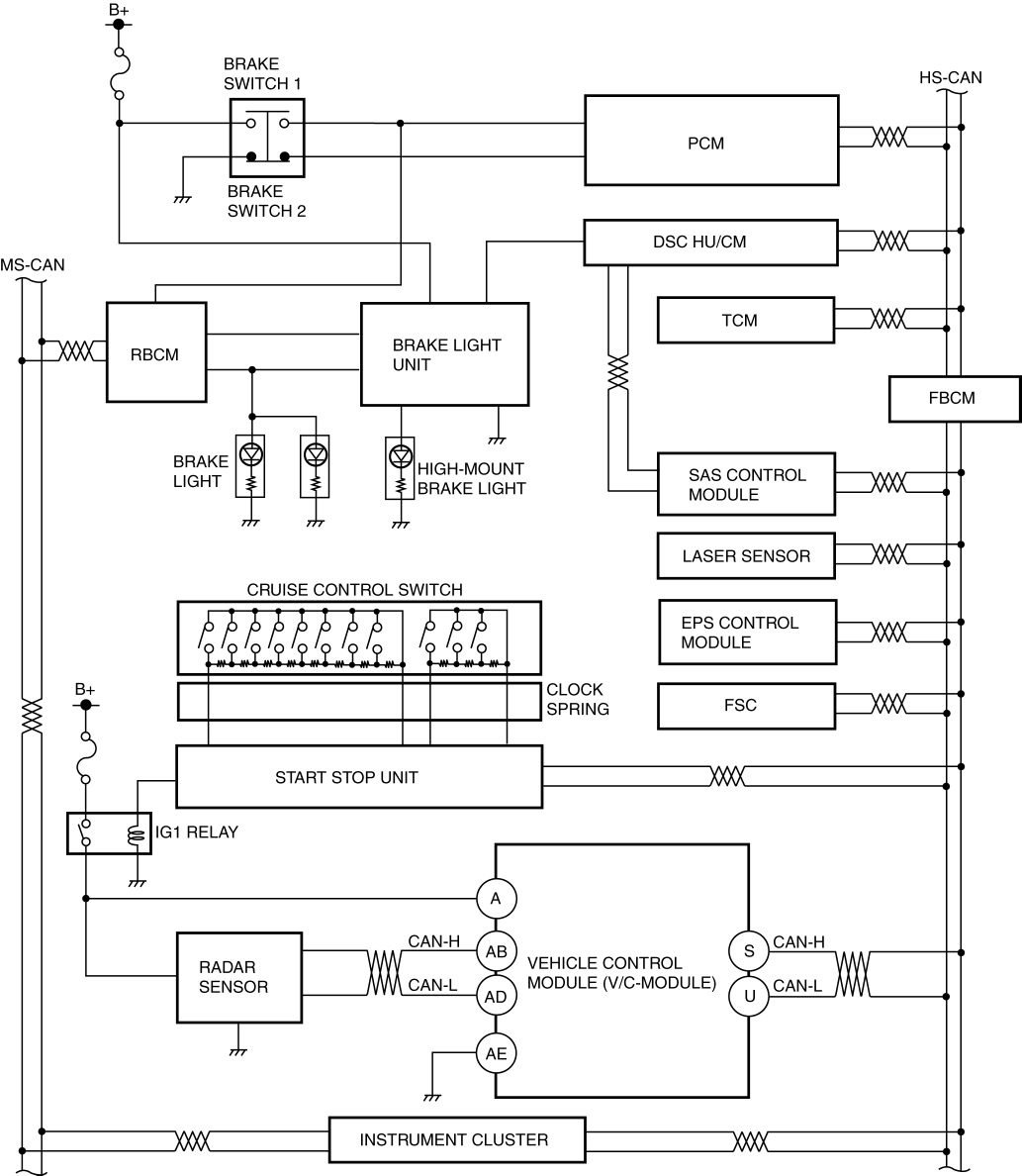
System Wiring Diagram

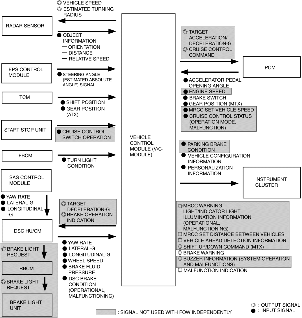
Block diagram

Operation

Operation conditions
Operation


< Previous   Next >
Back to Top
© 2012 Mazda North American Operations, U.S.A.