< Previous   Next >

2014 - Mazda6 - Body and Accessories

LANE DEPARTURE WARNING SYSTEM (LDWS)

Outline

WARNING:

CAUTION:

Function

Driver operation determination function
System status display function


LDWS

Switch

Condition

LDWS indicator light (green)

LDWS warning indicator light (amber)

LCD

OFF

System is off

Off

Off

ON

Vehicle lanes recognized at vehicle speed of approx. 65 km/h {40 mph} or more

On

Off

While warning is triggered

Flash

Off

Vehicle speed is approx. 60 km/h {37 mph} or less

Off

On

Vehicle lanes not recognized

FSC detects camera fogging

FSC detects camera soiling

Malfunction in LDWS occurs

Flash

Malfunction in FSC occurs


Structural View

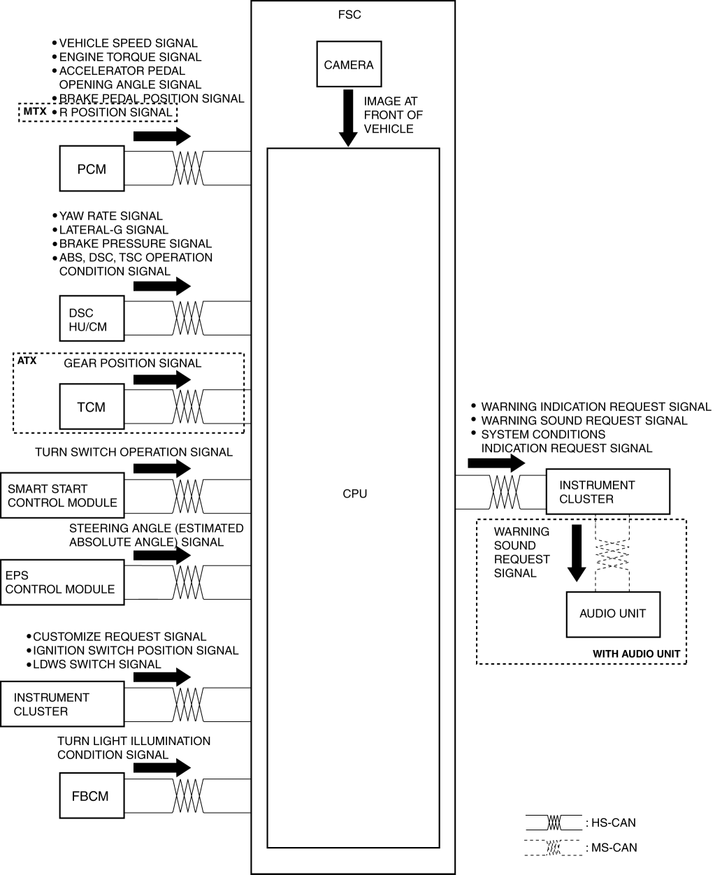
System Wiring Diagram

Block diagram

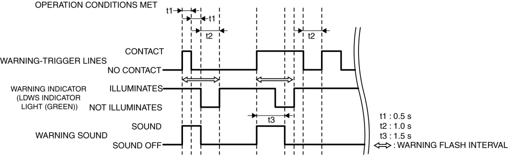
Operation

Operation conditions
Operation
*1
A rumble strip is a series of grooves in the road pavement surface positioned at specific intervals, and when the vehicle passes over it a rumble sound is produced and an uncomfortable vibration can be felt which alerts the driver that the vehicle is departing from the lane lines. The rumble strip sound is a reproduction of the sound which occurs when a vehicle passes over a rumble strip.



< Previous   Next >
Back to Top
© 2012 Mazda North American Operations, U.S.A.