The blind spot monitoring (BSM) system detects a vehicle in the blind-spot area at the rear of the vehicle to alert the driver of the possible collision with a target vehicle using the BSM indicator light on the outer mirror glass, the rear crossing traffic alert (RCTA) indicator light displayed on the rear view monitor screen, and the blind spot monitoring (BSM) warning alarm.
The blind spot monitoring (BSM) control module performs the blind spot monitoring (BSM) system fail-safe. (See BLIND SPOT MONITORING (BSM) CONTROL MODULE.)
The blind spot monitoring (BSM) system emits microwaves from the radar of the BSM control module to detect a target vehicle in the blind-spot area at the rear of the vehicle based on the reflected microwaves to alert and inform the driver. For the target vehicle detection method, refer to the blind spot monitoring (BSM) control module. (See BLIND SPOT MONITORING (BSM) CONTROL MODULE.)
The blind spot monitoring (BSM) system has a blind spot monitoring (BSM) function for when the vehicle is moving forward and a rear crossing traffic alert (RCTA) function when the vehicle is reversing.
The blind spot monitoring (BSM) control module monitors other vehicles traveling around the detecting vehicle based on the reflected microwaves.
If a target vehicle enters the following monitored area that has been previously registered, the blind spot monitoring (BSM) control module illuminates the blind spot monitoring (BSM) indicator light.
If a turn switch signal on the side where a target vehicle has been detected is received during a warning operation (when blind spot monitoring (BSM) indicator light is illuminated), the blind spot monitoring (BSM) control module flashes the blind spot monitoring (BSM) indicator light and sounds the blind spot monitoring (BSM) warning alarm.
The blind spot monitoring (BSM) control module determines an object moving at a different speed from the vehicle and approaching the following monitoring line, which has been stored at an angle of approx. 55° or more, 125° or less, as the target vehicle based on the reflected microwaves to calculate the difference in the relative speed between the vehicle and the target vehicle. The blind spot monitoring (BSM) control module estimates the time at which another vehicle will reach the monitoring line based on the calculated relative vehicle speeds and when the estimated reach time decreases below the threshold, the BSM indicator light and the RCTA indicator light (audio unit with color LCD) are flashed and the blind spot monitoring (BSM) warning alarm sounds.
The blind spot monitoring (BSM) system can be turned on (operational) or off (non-operational) by operating the BSM OFF switch.
If the blind spot monitoring (BSM) system is turned off (non-operational), the BSM OFF indicator light in the instrument cluster is illuminated.
Because the blind spot monitoring (BSM) control module does not store the system on (operational)/off (non-operational), the BSM system is turned on (operational) if the ignition is switched off or on (engine off or on) from ACC.
WARNING:
Because the BSM system has various restrictions in the operation, the BSM indicator light might not illuminate or it may be delayed even if there is a vehicle traveling around the vehicle.
Perform radar test for the BSM control module if the rear bumper has received an impact.
The BSM system may not operate normally under the following conditions:
Dirt, ice or snow is adhering to the rear bumper surface.
The vehicle is driven in heavy rain or snowfall, or under conditions where water on the road is sprayed by the vehicle.
The vehicle is towing a trailer.
The vehicle accelerates from a standing-start with a target vehicle alongside.
A target vehicle moves laterally from a lane two lanes over to the adjacent lane.
The difference in vehicle speed between the vehicle and a target vehicle is higher with the target vehicle passing through the detection area in a very short period.
On a steep incline, or if there is a difference in height between lanes.
The BSM control module may not detect all types of vehicles. In particular, detection of the following types of vehicles may not occur:
A vehicle driving at a low speed
Small vehicles such as motorcycles
Vehicles with body shapes that may not reflect radar such as unloaded trailers
Vehicles with low vehicle height
The difference in vehicle speed between the vehicle and a target vehicle is extremely high.
A target vehicle accelerates suddenly from the rear of the vehicle and changes to the adjacent lane.
A target vehicle is traveling in the vehicle's blind spot at nearly the same speed for long periods
The BSM indicator light may be difficult to view under the following conditions:
Sunlight at sunrise and sunset is reflected in and around the BSM indicator light
A lighting device with strong illumination is used in the vehicle
On a road with a narrower lane width, the system could detect vehicles on a lane next to the adjacent lane and cause the warning light and beep to operate. (Conversely, on a road with a wider lane width, the system may not detect vehicles on the adjacent lane and may not operate the warning light/beep.)
CAUTION:
If the rear bumper installation position is changed or individual differences (coating film/thickness) occur, the radar angle will deviate and the BSM system may not operate properly. Perform the radar test using the SSTs (Service Special Tools) and Mazda Modular Diagnostic System (M-MDS) when any of the following items have been performed.
BSM control module is replaced
Rear bumper is repaired or replaced
Vehicle’s rear area is repaired due to collision
Refer to the Workshop Manual for the radar test procedure.
Operation condition
The warning is triggered and the alarm sounds when all of the following conditions are met:
BSM OFF indicator light is turned off (system ON)
Vehicle speed is approx. 10 km/h {6.2 mph} or more
Selector lever (ATX)/shift position (MTX) is not in R position (ATX)/reverse position (MTX)
Vehicle being detected enters the monitored area
Turn switch signal on side that blind spot monitoring (BSM) indicator light is illuminated is received (only operations of BSM indicator light flashing and BSM warning alarm sound)
When the ignition is switched ON (engine off or on) and the BSM OFF indicator light is turned off (system on), the blind spot monitoring (BSM) control module activates the system and when the speed of the detecting vehicle reaches approx. 10 km/h {6.2 mph} or more, it begins detecting other vehicles.
When the vehicle speed is approx. 10 km/h {6.2 mph} or more and the detected target vehicle enters the monitored area, the blind spot monitoring (BSM) control module illuminates the BSM indicator light on the side the target vehicle is detected.
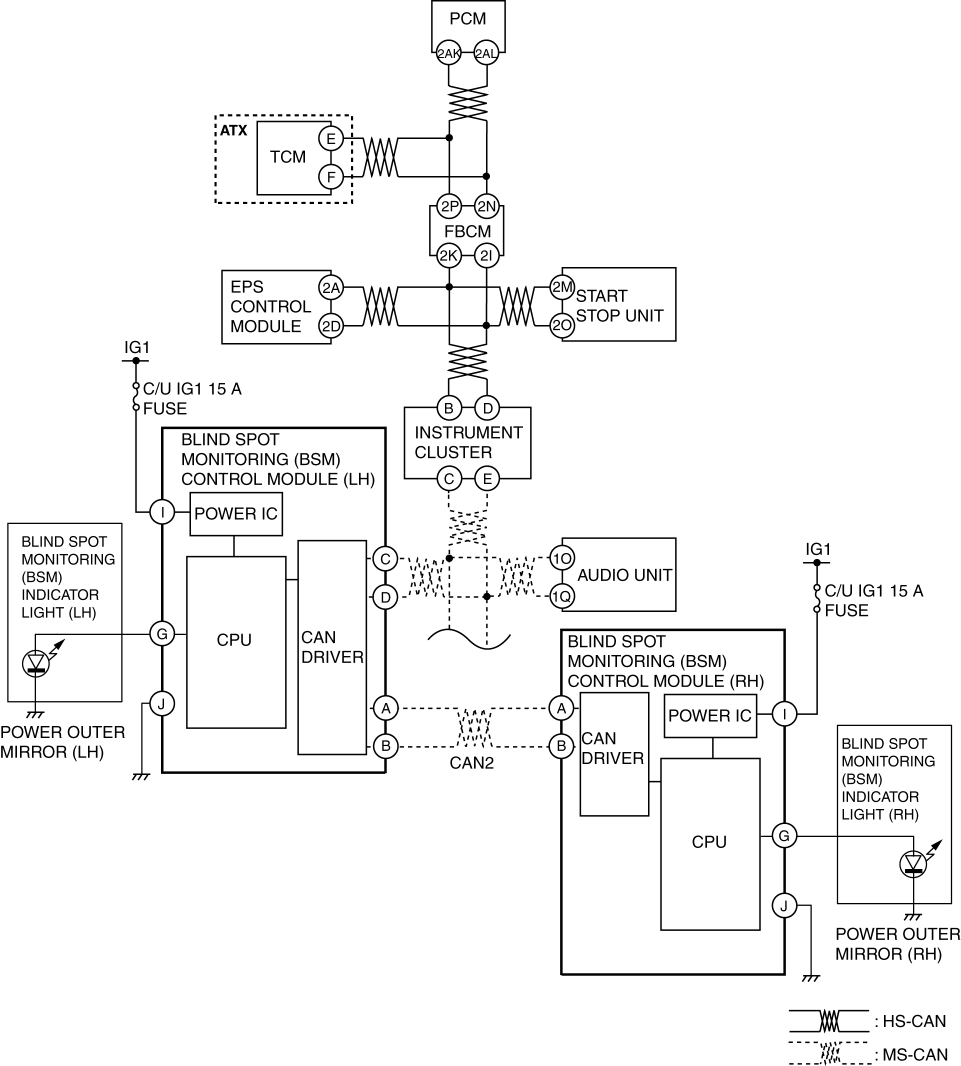
When a turn switch signal on the side the target vehicle is detected is received via CAN signal from the start stop unit while the blind spot monitoring (BSM) indicator light is illuminated, the BSM control module flashes the BSM indicator light. In addition, a BSM warning alarm request signal is sent via CAN signal to the instrument cluster.
The instrument cluster operates the BSM warning alarm based on a request signal from the BSM control module.
Operation condition
The warning is triggered when all of the following conditions are met:
BSM OFF indicator light is turned off (system ON)
Selector lever (ATX)/shift position (MTX) is in R position (ATX)/reverse position (MTX)
Estimated time until detected target vehicle reaches monitoring line decreases below threshold
When the ignition is switched ON (engine on) and the BSM OFF switch is ON (system ON) and the selector lever (ATX)/shift position (MTX) is in R position (ATX)/reverse position (MTX), the blind spot monitoring (BSM) control module starts detection of a target vehicle.
If the approach to the monitoring line is from a direction of approx. 55 degrees or more and 125 degrees or less and the estimated reach time decreases below the threshold, the following controls are performed.
Flashes blind spot monitoring (BSM) indicator light
Sends blind spot monitoring (BSM) warning alarm request signal via CAN signal to instrument cluster
Sends RCTA indicator light request signal via CAN signal to audio unit (with color LCD)
The instrument cluster operates the blind spot monitoring (BSM) warning alarm based on the request signal from the BSM control module and the audio unit (with color LCD) flashes the RCTA indicator light based on the request signal from the BSM control module.