< Previous   Next >

2014 - Mazda6 - Body and Accessories

SUNROOF

Outline

Specification



Item

Specification

Slide system

Inner slide

Opening measurement

(mm {in})

275 × 740 {10.8 × 29.1}

Tilt-up amount

(mm {in})

26.5—30.5 {1.04—1.20}

Opening/closing time

(s)

Slide: 3.0—6.0, Tilt: 0.5—1.5


Function

Tilt up/open/close
Initial setting

Sunroof System Structural View

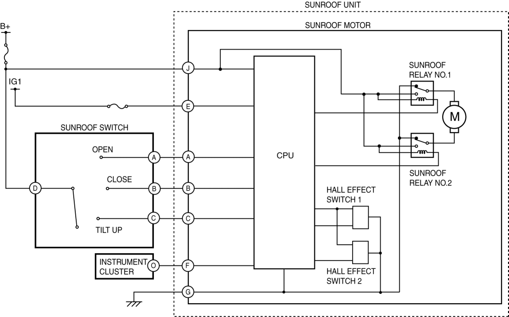
System Wiring Diagram

Operation

Tilt up operation
1. When the sunroof switch is operated for tilt up operation, the CPU receives a tilt up signal. (1)
2. When the CPU receives a tilt up signal, it turns on relay No.2. (2)
3. When relay No.2 is turned on, the sunroof motor starts tilt up operation.(3)
4. When approx. 1 s. has elapsed after the sunroof motor was started, the timer control of the CPU turns off sunroof relay No.1 automatically to stop the tilt up operation.

Open operation
1. When the sunroof switch is operated for an open operation, the CPU receives an open signal. (1)
2. When the CPU receives an open signal, it turns on relay No.1. (2)
3. When the relay No.1 is turned on, the sunroof motor starts the open operation.(3)

Close operation (glass panel open)
1. When the sunroof switch is operated for a close operation, the CPU receives a close signal. (1)
2. When the CPU receives the close signal, it turns on relay No.2. (2)
3. When relay No.2 is turned on, the sunroof motor starts the close operation.(3)

Close operation (glass panel tilt up)
1. When the sunroof switch is operated for a close operation, the CPU receives a close signal. (1)
2. When the CPU receives the close signal, it turns on relay No.1. (2)
3. When relay No.1 is turned on, the sunroof motor starts the close operation.(3)



< Previous   Next >
Back to Top
© 2012 Mazda North American Operations, U.S.A.