Remote control of door glass open/close and power outer mirror adjustment are possible with occupant seated in the drivers seat.
Manual
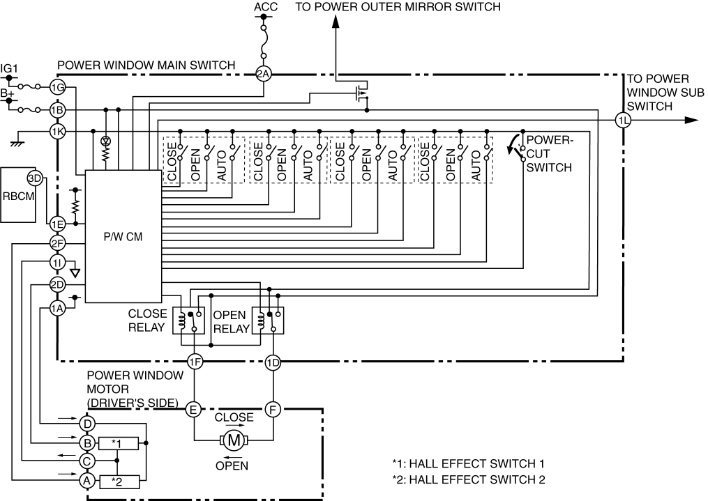
When the power window main switch is operated for manual open/close operation, it sends a manual open/close signal to the P/W CM (power window control module).
Auto
When the power window main switch is operated for auto open/close operation, it sends an auto open/close signal to the P/W CM.
Power cut
When the power-cut switch is pressed (contact point: Open), operation of the power window sub-switches for the front and rear passenger seats is disabled.
Up-down/left-right adjustment
The power outer mirror switch switches the contact point according to the switch operation. As a result, the circuit to the up-down/left-right adjustment motor is switched.
Left/right selection
The power outer mirror switch is used to select the side on which adjustment of the power outer mirror glass is desired.
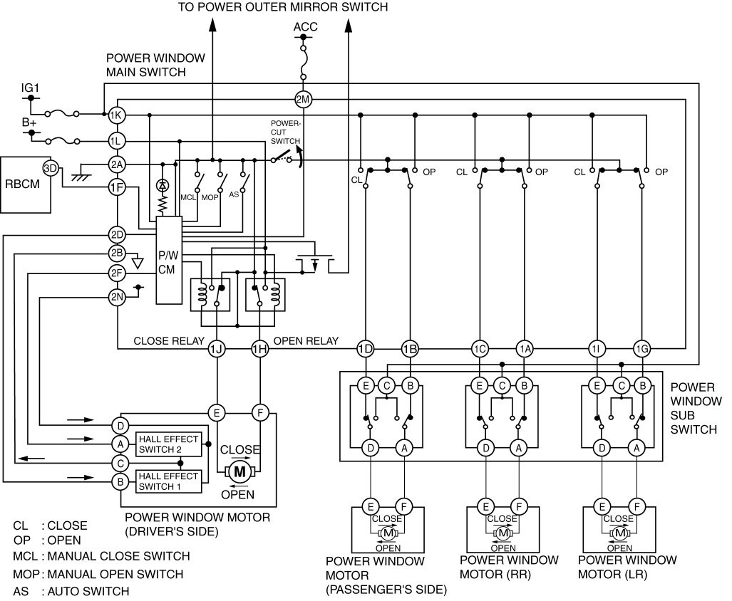
The power window main switch consists of the following parts:
Driver's side switch
Front passenger's side switch
Rear passenger switch (LR)
Rear passenger switch (RR)
Power-cut switch
Power outer mirror switch
Up/down/left/right adjustment
Left/right selection
The power window main switch has a built-in P/W CM, and controls the auto reverse pinch protection, IG OFF timer, and IG OFF timer cancel functions.
1. Contact points for door glass opening/closing can be changed by operating the power window main switch. The P/W CM monitors the operation conditions of the driver's side switch and power window motor.
With driver's side window auto open/close
With all window auto open/close
1. When the power-cut switch of the power window main switch is pressed (contact point: Open), current from each power window sub-switch is interrupted.
With driver's side window auto open/close
With all window auto open/close
1. Up/down/left/right contact points for the power outer mirror can be switched by operating the power outer mirror switch.
Function not equipped.