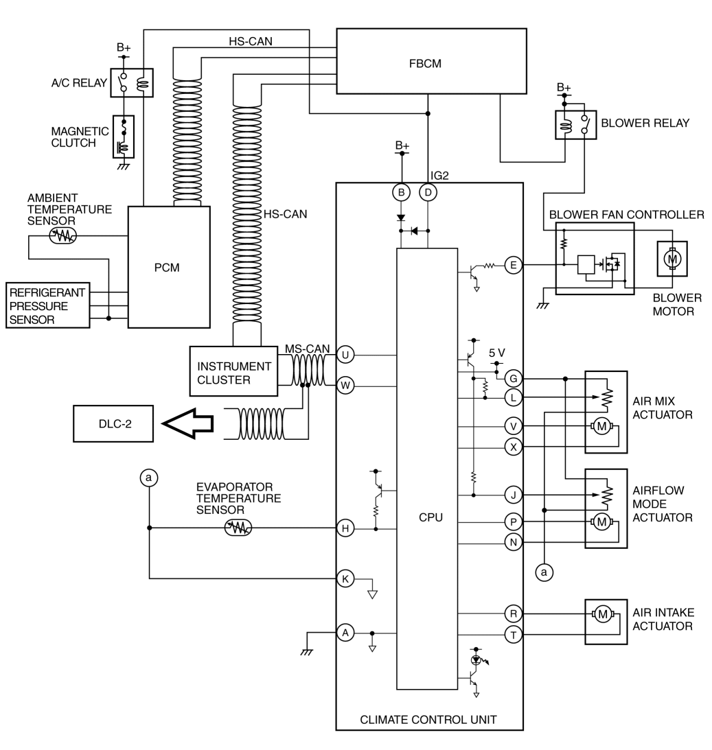
Blower fan controller adopted.
Refrigerant pressure sensor adopted in which refrigerant pressure is changed into a linear electric signal and precise information is transmitted.
MS-CAN for communication between the instrument cluster and climate control unit adopted.
Climate control unit with enlarged operation dials and switches adopted.