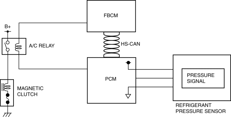
The refrigerant pressure sensor detects the refrigerant pressure in the refrigerant cycle.
The refrigerant pressure sensor is installed on the cooler pipe.
A capacitance type refrigerant pressure sensor, which converts refrigerant pressure into a linear electric signal, has been adopted.
Consists of a pressure detecting part and signal processing part.
The pressure detecting part is a variable capacity condenser, which changes capacitance according to the pressure.
The signal processing part detects the capacitance of the pressure detecting part, converts it to voltage, then outputs it to the climate control unit.
There is a clearance between the movable ceramic diaphragm and the ceramic base, and each side has an electrode.
When pressure is applied from the ceramic diaphragm side, the ceramic diaphragm deforms, and the clearance between the electrodes changes. As a result, capacitance is changed and pressure is detected.
Function not equipped.