< Previous   Next >

2014 - Mazda6 - Suspension

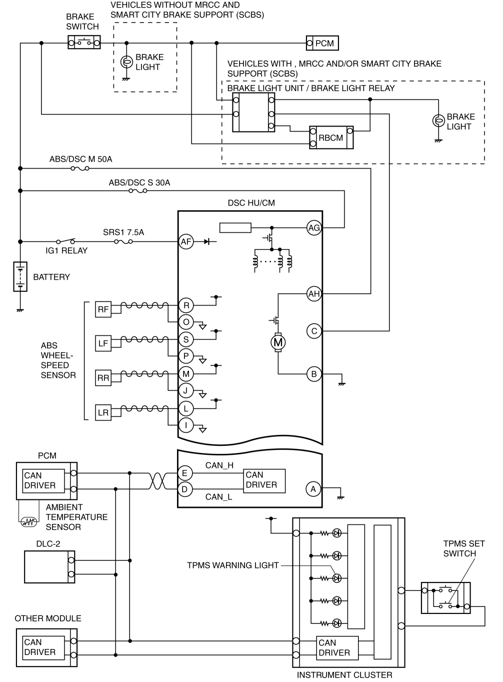
TIRE PRESSURE MONITORING SYSTEM (TPMS) WIRING DIAGRAM



< Previous   Next >
Back to Top
© 2012 Mazda North American Operations, U.S.A.