< Previous   Next >

2014 - Mazda6 - Engine

MAZDA RADAR CRUISE CONTROL (MRCC) SYSTEM [MAZDA RADAR CRUISE CONTROL (MRCC) SYSTEM]

Outline

WARNING:

Structural View

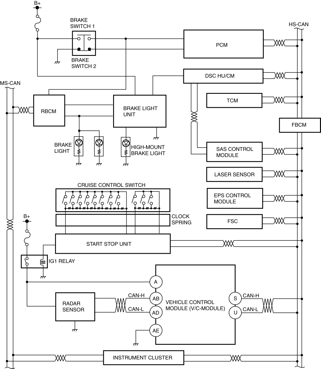
System Wiring Diagram

Block Diagram

Function

Operation

Constant speed mode
Headway control mode


Distance between vehicles table (reference)

Set distance between vehicles

Detecting vehicle speed

30 km/h {19 mph}

40 km/h {25 mph}

50 km/h {31 mph}

60 km/h {37 mph}

70 km/h {43 mph}

80 km/h {50 mph}

90 km/h {56 mph}

Long

23 m

{75 ft}

29 m

{95 ft}

36 m

{118 ft}

42 m

{138 ft}

48 m

{157 ft}

55 m

{180 ft}

61 m

{200 ft}

Medium

19 m

{62 ft}

24 m

{79 ft}

29 m

{95 ft}

34 m

{112 ft}

39 m

{128 ft}

44 m

{144 ft}

49 m

{161 ft}

Short

15 m

{49 ft}

18 m

{59 ft}

22 m

{72 ft}

25 m

{82 ft}

29 m

{95 ft}

32 m

{105 ft}

36 m

{118 ft}

Extremely short

12 m

{39 ft}

14 m

{46 ft}

17 m

{56 ft}

20 m

{66 ft}

22 m

{72 ft}

25 m

{82 ft}

27 m

{89 ft}

Set distance between vehicles

Detecting vehicle speed

100 km/h {62.1 mph}

110 km/h {68.4 mph}

120 km/h {74.6 mph}

130 km/h {80.8 mph}

140 km/h {87.0 mph}

150 km/h {93.2 mph}

Long

67 m

{220 ft}

74 m

{243 ft}

80 m

{262 ft}

86 m

{282 ft}

93 m

{305 ft}

99 m

{325 ft}

Medium

53 m

{174 ft}

58 m

{190 ft}

63 m

{207 ft}

68 m

{223 ft}

73 m

{240 ft}

78 m

{256 ft}

Short

40 m

{131 ft}

43 m

{141 ft}

47 m

{154 ft}

50 m

{164 ft}

54 m

{177 ft}

57 m

{187 ft}

Extremely short

30 m

{98 ft}

32 m

{105 ft}

35 m

{115 ft}

38 m

{125 ft}

40 m

{131 ft}

43 m

{141 ft}


CAUTION:


Inter-vehicle distance limit warning
Shift up/shift down request (MTX)

CAUTION:

NOTE:



< Previous   Next >
Back to Top
© 2012 Mazda North American Operations, U.S.A.